Foram encontradas 809 questões.
Em um grupo, formado por 20 mulheres e 10 homens, há apenas 12 mulheres e 8 homens com mais de 21 anos. Duas pessoas do grupo foram escolhidas ao acaso. Se ambas tiverem mais de 21 anos, então a probabilidade de elas serem de sexos diferentes é
Provas
Questão presente nas seguintes provas
Na análise diferencial dos movimentos dos fluidos, a equação padrão da continuidade para escoamento permanente tridimensional compressível corresponde a
Provas
Questão presente nas seguintes provas
A forma simplificada da equação da conservação de massa, considerada no enunciado, para escoamento incompressível através de um volume de controle fixo é
Provas
Questão presente nas seguintes provas
Transdutores resistivos são empregados em diversos sistemas de controle industriais. Uma forma de se medir a resistência elétrica de um transdutor resistivo RS é ilustrada no circuito abaixo, onde os amplificadores operacionais são ideais.

Ao medir a tensão na saída VO, o valor da resistência elétrica RS do transdutor pode ser obtido através da seguinte expressão:
Provas
Questão presente nas seguintes provas
2661109
Ano: 2015
Disciplina: Engenharia Eletrônica
Banca: CESGRANRIO
Orgão: BR Distribuidora
Disciplina: Engenharia Eletrônica
Banca: CESGRANRIO
Orgão: BR Distribuidora
Provas:
Na Figura abaixo é apresentado o diagrama esquemático de um circuito retificador com carga RL, onde os diodos D1 e D2 são ideais.

A forma de onda da tensão VS aplicada à entrada do circuito retificador é exibida no gráfico da figura abaixo.

Desse modo, a forma de onda exibida na tela de um osciloscópio, ao se medir a tensão VO na saída do retificador, será:
Provas
Questão presente nas seguintes provas
2661108
Ano: 2015
Disciplina: Engenharia Eletrônica
Banca: CESGRANRIO
Orgão: BR Distribuidora
Disciplina: Engenharia Eletrônica
Banca: CESGRANRIO
Orgão: BR Distribuidora
Provas:
Considere o Sistema de Controle Discreto cuja dinâmica é representada, em espaço de estado, pela seguinte equação matricial:
!$ X (K +1) = \Phi X(K) + \boldsymbol{\Gamma} u (K)\,\,e\,\,y(K)=CX(K) !$
onde
!$ \Phi= {\begin{bmatrix} 0\,\,\,\,1\\1\,\,-1\end{bmatrix}},\,\, \boldsymbol{\Gamma} = {\begin{bmatrix} 0\\1\end{bmatrix}}\,\,e\,\, C= {\begin{bmatrix} 1\,\,0 \end{bmatrix}} !$
A expressão da Função de Transferência !$ {\large Y(z) \over U(z)} !$ que relaciona a saída e a entrada deste sistema é
Provas
Questão presente nas seguintes provas
A teoria da liderança situacional afirma que o líder deve escolher o estilo de liderança à luz do nível de prontidão de seus funcionários. Sendo assim, considere o estilo de liderança nas situações abaixo.
Situação I
O gerente de uma seção de engenheiros navais depara com uma equipe muito experiente no trabalho requisitado, mas totalmente desmotivada a assumir a responsabilidade de suas tarefas.
Situação II
O gerente do departamento de telemarketing de uma grande empresa de vendas acaba de receber um grupo de 20 funcionários despreparados para o atendimento ao público, mas extremamente motivados para o trabalho.
De acordo com tal teoria, e considerando-se as situações descritas, como deve ser o estilo de liderança do líder em cada uma das situações?
| Situação I | Situação II |
Provas
Questão presente nas seguintes provas
Considere o diagrama de contato abaixo e suas representações temporais das entradas A1 e A2.

O diagrama que apresenta corretamente a resposta temporal de Q1 é o seguinte:
Provas
Questão presente nas seguintes provas
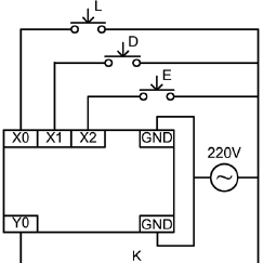
Considere o diagrama esquemático de um dispositivo lógico programável (PLC.), usado para acionar um equipamento, onde:

• L é uma botoeira de pulso para ligar o equipamento;
• D é uma botoeira de pulso para desligar o equipamento;
• E é uma botoeira de “soco” (com trava.) para desligamento emergencial do equipamento;
• K é o contator responsável por energizar o equipamento
• D é uma botoeira de pulso para desligar o equipamento;
• E é uma botoeira de “soco” (com trava.) para desligamento emergencial do equipamento;
• K é o contator responsável por energizar o equipamento
O diagrama de contato que corresponde ao esquema do PLC é o seguinte:
Provas
Questão presente nas seguintes provas

A Figura acima mostra o circuito equivalente de um sistema elétrico de potência, em que as impedâncias das linhas são apresentadas em valores por unidade.
A matriz de admitância de barra, em valores por unidade, desse sistema é
Provas
Questão presente nas seguintes provas
Cadernos
Caderno Container