Foram encontradas 60 questões.
Triac (Triode for alternating current) é um dispositivo eletrônico aplicado a circuitos retificadores, conhecidos também como controladores de fase. Assinale a alternativa que não apresenta uma característica do triac.
Provas
esportivo do mundo.
Provas
As fontes de alimentação podem ser lineares ou chaveadas. As vantagens da fonte chaveada sobre a linear são: maior eficiência, menor volume e peso. No circuito de fonte chaveada apresentado, a tensão entre os terminais do capacitor é igual a 150V. O sinal de controle liga o transistor durante 1 ms e desliga-o durante 2 ms.

O valor corrente sobre a carga RL é
Provas
esportivo do mundo.
Provas
Microprocessadores e microcontroladores, apesar de terem arquiteturas diferentes de construção, necessitam de instruções para realizar o correto funcionamento e desempenho de suas funções em um circuito digital ou analógico. Sobre a instrução em Assembly DA A, marque a alternativa correta.
Provas
A barreira de potencial do diodo cai de acordo com a variação de temperatura. Na temperatura ambiente (25ºC), tem-se a barreira de potencial em torno de 0,7 V. Na imagem apresentada, o circuito será submetido a uma temperatura de 120ºC. Considere a regra prática para diodos e determine a corrente total do circuito, em mA, quando submetido à temperatura de 120ºC.

Provas
Provas
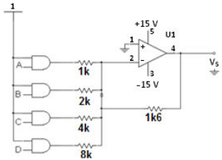
O amplificador operacional AOP possui inúmeras aplicações, tanto para circuitos analógicos quanto para circuitos digitais.

De acordo com a figura, determine o valor da tensão de saída, em V, quando os valores em A, B, C e D forem iguais a 1011. (Considere: estes valores são níveis de tensão TTL, portanto, 5 V para 1, e 0 V para 0; MSB = A; LSB = D.)
Provas
esportivo do mundo.
Provas
Provas
Caderno Container