Foram encontradas 60 questões.
O tempo de atraso de propagação é o tempo que um bloco lógico leva para mudar de estado. A figura demonstra alguns parâmetros de uma porta lógica NAND (7400). Considere os valores típicos representados pela figura.
| PARAMETER | FROM (INPUT) | TO (OUT PUT) | TEST CONDITIONS | SN 5400 SN 7400 | UNT |
| MN TYP MAX | |||||
| tPLH | 11 22 | ns | |||
| tPHL | A or B | Y | !$ R_L = 400 \omega\,\,\,\,C_L =15 pF !$ | 7 15 |
recommended operating condituions (see Note 4)
| SN54LSOO | SN74LS00 | UNIT | |
| MIN NOM MAX | MIN NOM MAX | ||
| VCC Supply voltage | 4.5 5 5.5 | 4,75 5 5.25 | V |
| VIH High -level input voltage | 2 | 2 | V |
| VIL Low - level input voltage | 0.7 | 0.8 | V |
| IOH High-level output current | -0,4 | -0,4 | mA |
| IOL Low-level output current | 4 | 8 | mA |
| TA Operating free-air temperature | -55 125 | 0 70 | ºC |
Assinale a alternativa que apresenta o tempo de atraso médio, em ns.
Provas
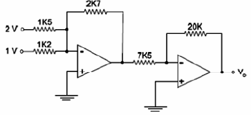
Amplificadores operacionais realimentados são utilizados em diversas áreas de eletrônica. Analise um circuito típico com AOPs.

Considerando que todos os componentes do circuito são ideais, o valor da tensão Vo, em V, é
Provas
esportivo do mundo.
Provas
II. Expressa um vínculo eventual entre o objeto e a pessoa do discurso.
III. Expressa um vínculo constante entre o assunto de que se fala e a pessoa do discurso.
Provas
O circuito apresentado pela figura é um exemplo de aplicação do SCR em circuitos de tensão alternada, onde a soma dos resistores R1 + R2 garantem uma quantidade de tensão na carga, através do ângulo de disparo do SCR, que é de 15º. De acordo com a figura, determine a tensão média na carga, em V.

Provas
esportivo do mundo.
Provas
esportivo do mundo.
Provas
esportivo do mundo.
Provas
esportivo do mundo.
Provas
A figura representa um circuito retificador trifásico controlado de meia onda. A tensão de fase é de 127Vef, com frequência igual a 60Hz e o ângulo de disparo dos tiristores é 30°.

Com base nesses dados, o valor da corrente contínua na carga RL, em A é, aproximadamente, igual a
Provas
Caderno Container