Foram encontradas 1.350 questões.
O circuito abaixo apresenta um transistor bipolar de junção polarizado através de fonte de tensão e resistências.

Analisando o circuito, e com base nos conhecimentos de polarização de transistores, analise as seguintes afirmativas:
I. Inserir um resistor entre o emissor e a terra melhora a estabilidade da polarização do transistor, pois ele pode ficar menos dependente do ganho de corrente (!$ \beta !$) do transistor.
II. Quando o transistor está na região ativa, a junção base-emissor está diretamente polarizada e a junção base-coletor está inversamente polarizada.
III. Ao inserir um resistor de mesmo valor de RC e em paralelo com este, a corrente no coletor IC irá, aproximadamente, dobrar de valor, desde que o transistor se mantenha operando na região ativa.
Está(ão) correto(s) apenas as afirmativas:
Provas
O Sistema de Distribuição de Energia Elétrica, como o nome indica, distribui a energia elétrica recebida do Sistema de Transmissão aos grandes, pequenos e médio consumidores.
Em relação ao Sistema de Distribuição, analise as afirmativas a seguir.
I. Geralmente, as redes de distribuição aéreas operam de forma radial.
II. Os Sistemas de Distribuição possuem uma relação R/X superior ao dos Sistemas de Transmissão, em que R e X são a resistência e a reatância dos condutores, respectivamente.
III. Em geral, os sistemas de distribuição operam de forma equilibrada.
IV. Como alternativas para diminuir as perdas ativas na distribuição podemos citar a alocação de bancos de capacitores na rede.
Estão corretas apenas as afirmativas:
Provas
Analise as afirmativas a seguir relativas à Norma Brasileira de Proteção de Estruturas contra Descargas Atmosféricas (ABNT NBR 5419:2015).
I. A avaliação da necessidade da proteção contra descargas atmosféricas em uma edificação é realizada a partir da determinação dos riscos do tipo R1 (risco de perdas ou danos permanentes em vidas humanas), R2 (risco de perdas de serviços ao público), R3 (risco de perdas do patrimônio cultural) e R4 (risco de perdas de valor econômico).
II. A isolação adequada de partes condutoras expostas e a inserção de restrições físicas e avisos compreendem medidas de proteção consideradas eficazes na redução de danos a seres vivos devido ao choque elétrico.
III. Zonas de Proteção a montante de uma medida de proteção são caracterizadas por reduções significativas dos surtos associados à corrente dos raios em comparação com Zonas de Proteção a jusante.
IV. A proteção provida por um SPDA classe I é maior do que aquela provida por um SPDA classe III.
Estão corretas apenas as afirmativas:
Provas
Uma espira foi imersa em uma região de campo magnético constante, conforme ilustrado na figura abaixo. Considere a densidade de fluxo magnético (B), a velocidade angular da espira (!$ \omega !$) e a área da espira iguais a !$ 0,1 \, T, \, 30 \,\, rad/s !$ e !$ 0,1 \,\, m^2, !$, respectivamente.

O valor eficaz da força eletromotriz gerada entre os terminais T1 e T2 é:
Provas
Considere o circuito elétrico RLC abaixo e sua respectiva função de transferência.
Circuito RLC

Função de transparência

O valor da frequência de ressonância desse circuito é:
Provas
A figura abaixo apresenta um circuito retificador de onda completa. Considere a tensão senoidal vi = 12 sen (2 !$ \pi !$ 60 t) V e a resistência de carga R = 100 !$ \Omega !$.

Considerando que os diodos podem ser modelados com queda de tensão constante de 0,7 V quando diretamente polarizados e circuito aberto quando inversamente polarizados, pode-se dizer que o valor que mais se aproxima da corrente média (idc) no resistor R é:
Provas
Células fotovoltaicas podem ser arranjadas para satisfazer requisitos de tensão e potência. Esses arranjos são chamados de módulos, sendo o produto típico comercializado pelos fabricantes de células e componentes fotovoltaicos. Considerando que uma empresa deseja produzir módulos de forma a fornecer uma saída de 12V e uma potência de 120W, e sabendo que cada célula produzida pela empresa possui 0,5V e 2,5W, assinale a opção cujo arranjo cumpre as especificações.
Provas
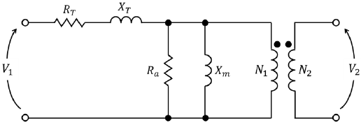
Um transformador monofásico de 40 kVA, 8 kV / 250 V, 60 Hz, que foi submetido a ensaios para determinação dos parâmetros do seu circuito equivalente.
A tabela abaixo indica os valores referentes aos testes a vazio e de curto-circuito.
| Ensaio | Tensão (V) | Corrente (A) | Potência (W) | Lado de Medição |
| A vazio | 250 | 4 | 1600 | baixa (250 V) |
| Curto-circuito | 850 | 5 | 1200 | alta (8 kV) |
Considerando o circuito ilustrado abaixo como referência para a determinação dos parâmetros do transformador ensaiado referidos para o lado de alta (à esquerda, com subscritos 1), assinale a opção que apresenta os valores de RT e Ra, respectivamente.

Provas
Um motor de indução trifásico de 50 HP de 4 polos foi conectado em Y em uma rede de energia, cuja tensão de linha é 380 V. Sabe-se que a resistência do rotor referida ao estator é 0,1 !$ \Omega !$ e que o motor consome uma corrente de 50 A com fator de potência 0,9 atrasado, quando opera com um escorregamento de 2%. Além disso, no mesmo ponto de operação, considera-se que o módulo da corrente do rotor referida ao estator corresponde a 40 A. As perdas rotacionais são 520 W.
O rendimento do motor é:
Provas
Considere o diagrama de lugar das raízes de um sistema dinâmico apresentado na figura a seguir.

Sobre esse sistema, analise as seguintes afirmativas:
I. Sua função de transferência é: !$ G(s) \, = \, \dfrac {s+2} {2 \, s^2+4s+18}. !$
II. O sistema é do tipo não causal e de fase não mínima.
III. O sistema é instável.
IV. A resposta transitória é do tipo oscilatória.
Estão corretas apenas as afirmativas:
Provas
Caderno Container