Foram encontradas 470 questões.
Sobre as características das configurações de subestações,
assinale as afirmativas a seguir.
I. Barra Dupla - um disjuntor permite que o defeito em um dos circuitos não afete a operação da subestação, pois cada circuito tem um disjuntor associado. II. Barramento em Anel - forma um circuito fechado por meio de manobras das chaves do circuito. Cada equipamento é alimentado por dois disjuntores separados. III. Barra simples seccionado - interrompe a operação da subestação diante da abertura de um dos disjuntores.
Está correto o que se afirma em
I. Barra Dupla - um disjuntor permite que o defeito em um dos circuitos não afete a operação da subestação, pois cada circuito tem um disjuntor associado. II. Barramento em Anel - forma um circuito fechado por meio de manobras das chaves do circuito. Cada equipamento é alimentado por dois disjuntores separados. III. Barra simples seccionado - interrompe a operação da subestação diante da abertura de um dos disjuntores.
Está correto o que se afirma em
Provas
Questão presente nas seguintes provas
A figura a seguir apresenta um esquema elétrico, composto por
uma fonte de tensão, um resistor e quatro chaves, e uma tabela
com os possíveis estados das chaves. Este esquema permite
converter uma tensão contínua em alternada na carga RL.
Para que haja essa conversão, os estados das chaves que devem ser repetidos continuamente são
Para que haja essa conversão, os estados das chaves que devem ser repetidos continuamente são
Provas
Questão presente nas seguintes provas
Um motor de indução trifásico foi submetido aos acionamentos
de forma direta e por meio de uma chave estrela-triângulo. Os
conjugados de partida para essas situações foram CD e CE-T
respectivamente.
A razão CD / CE-T é igual a
A razão CD / CE-T é igual a
Provas
Questão presente nas seguintes provas
Um motor síncrono trifásico, 4 polos, 60 Hz, ligação Y, tem
potência de entrada de 10 kW, rendimento de 95% e drena da
rede uma corrente de 50 A.
Sabendo que suas perdas rotacionais e do ferro são 200 W, o valor de sua resistência de armadura, em mΩ, é
Sabendo que suas perdas rotacionais e do ferro são 200 W, o valor de sua resistência de armadura, em mΩ, é
Provas
Questão presente nas seguintes provas
Considere o gráfico de Arrhenius da condutividade elétrica (σ) em
função da temperatura (T) de um semicondutor tipo n:

Adaptado de “Ciencia dos Materiais”, James F. Shackelford, 6ªed, Pearson, 2008.
Analisando o gráfico acima, conclui-se que na faixa de temperatura da

Adaptado de “Ciencia dos Materiais”, James F. Shackelford, 6ªed, Pearson, 2008.
Analisando o gráfico acima, conclui-se que na faixa de temperatura da
Provas
Questão presente nas seguintes provas
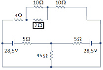
A figura abaixo apresenta um circuito de corrente contínua
composto por duas fontes de tensão e sete resistores:

A diferença de potencial, em volts, no resistor de 2 Ω assinalado na figura, é igual a:

A diferença de potencial, em volts, no resistor de 2 Ω assinalado na figura, é igual a:
Provas
Questão presente nas seguintes provas
Um equipamento elétrico monofásico residencial de 3.200 W e
fator de potência de 0,8 é alimentada por um circuito de 20 m de
comprimento com uma queda de tensão unitária de 15 V/(A.km).
Considerando que a tensão de alimentação é de 200 V, a queda
de tensão no circuito é:
Provas
Questão presente nas seguintes provas
O dispositivo de atua diante de diferença de corrente elétrica é
denominado DR.
Para um circuito terminal, esse dispositivo
Para um circuito terminal, esse dispositivo
Provas
Questão presente nas seguintes provas
O documento obrigatório no prontuário das instalações elétricas
acima de 75 kW, segundo a NR 10, refere-se
Provas
Questão presente nas seguintes provas
Os ensaios realizados nos transformadores permitem conhecer
algumas de suas características.
Dentre os ensaios realizados nos transformadores, aquele que permite determinar sua impedância longitudinal operando em condições nominais, é o ensaio
Dentre os ensaios realizados nos transformadores, aquele que permite determinar sua impedância longitudinal operando em condições nominais, é o ensaio
Provas
Questão presente nas seguintes provas
Cadernos
Caderno Container