Foram encontradas 50 questões.
Uma carga alimentada por uma tensão cujo módulo é Vca = 120V é percorrida por uma corrente cujo módulo é I = 3A. Sendo o seu diagrama fasorial representado pela figura abaixo, é CORRETO afirmar:

Provas
Questão presente nas seguintes provas
Analisando dispositivos pneumáticos, um técnico identifica uma válvula seletora. Assinale, dentre as alternativas abaixo, aquela que caracteriza corretamente este tipo de válvula.
Provas
Questão presente nas seguintes provas
Um motor elétrico é percorrido por uma corrente de 20 A, quando ligado em 380Vca. Sabendo-se que o rendimento do motor é 85%, qual será o valor da sua potência elétrica (Pel) e da sua potência mecânica (Pm) obtida no eixo do motor?
Provas
Questão presente nas seguintes provas
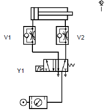
A figura abaixo representa um sistema pneumático. Quanto à simbologia, é CORRETO afirmar que:

Fonte: Apostila Parker trainning.
Provas
Questão presente nas seguintes provas
Uma carga trifásica constante, alimentada por uma rede em que a tensão entre fases é igual a 380Vca, 60Hz, consome 60kW com fator de potência 0,86 (!$ \theta !$=30°). Para corrigir o fator de potência para 1(um) foi utilizado um banco de capacitores. A potência desse banco de capacitores será:
Provas
Questão presente nas seguintes provas
Para identificar folga e intensidade de vibrações de rolamentos, pode-se usar:
Provas
Questão presente nas seguintes provas
A sensibilidade (S) de um voltímetro é 25K!$ \Omega !$/V. Se o fundo de escala desse voltímetro for 20V, a sua resistência interna (R) será:
Provas
Questão presente nas seguintes provas
MEC QUER ENSINO MÉDIO INTEGRADO COM A
EDUCAÇÃO PROFISSIONAL
EDUCAÇÃO PROFISSIONAL
BRASÍLIA - O Ministério da Educação (MEC.) quer uma mudança profunda nas diretrizes curriculares do ensino médio e a integração dessa etapa com a educação profissional. Após um ano de trabalho, a comissão interministerial formada para reestruturar o ensino médio apresentou nesta terça-feira os primeiros resultados.
Segundo o coordenador-geral do ensino médio, Carlos Artexes, a ideia é fortalecer a integração entre o MEC e os governos estaduais, responsáveis por oferecer essa etapa de ensino para criar o que chamou de "ensino médio nacional". A etapa é considerada a mais frágil de todo o sistema de ensino. Hoje, mais de 50% dos jovens de 15 a 17 anos não estão matriculados nessa etapa de ensino.
O principal problema apontado por especialistas é que o ensino médio não atende às necessidades do jovem brasileiro. O ministro de Assuntos Estratégicos, Mangabeira Unger, que compõe a comissão, afirmou que a iniciativa é uma medida de capacitação do “povo do nosso país que fervilha de energia humana frustrada e dispersa”.
Fonte: MEC / Agência Brasil - Acesso em 13.04.2010:
http://oglobo.globo.com/educacao/mat/2008/12/16/mec-quer-ensino-mediointegrado- com-educacao-profissional.
Observe no texto as palavras reestruturar, frágil, dispersa.
No texto, elas significam, respectivamente:
Provas
Questão presente nas seguintes provas
Um transformador monofásico alimenta uma carga de 20!$ \Omega !$, com tensão de 220Vca. Considerando o transformador como ideal e sabendo que o número de espiras no secundário é de 150 espiras, e que a corrente do primário é igual a 5 A, calcule o valor da tensão (V1) e do número de espiras (N1) no primário do transformador.
Provas
Questão presente nas seguintes provas
MEC QUER ENSINO MÉDIO INTEGRADO COM A
EDUCAÇÃO PROFISSIONAL
EDUCAÇÃO PROFISSIONAL
BRASÍLIA - O Ministério da Educação (MEC.) quer uma mudança profunda nas diretrizes curriculares do ensino médio e a integração dessa etapa com a educação profissional. Após um ano de trabalho, a comissão interministerial formada para reestruturar o ensino médio apresentou nesta terça-feira os primeiros resultados.
Segundo o coordenador-geral do ensino médio, Carlos Artexes, a ideia é fortalecer a integração entre o MEC e os governos estaduais, responsáveis por oferecer essa etapa de ensino para criar o que chamou de "ensino médio nacional". A etapa é considerada a mais frágil de todo o sistema de ensino. Hoje, mais de 50% dos jovens de 15 a 17 anos não estão matriculados nessa etapa de ensino.
O principal problema apontado por especialistas é que o ensino médio não atende às necessidades do jovem brasileiro. O ministro de Assuntos Estratégicos, Mangabeira Unger, que compõe a comissão, afirmou que a iniciativa é uma medida de capacitação do “povo do nosso país que fervilha de energia humana frustrada e dispersa”.
Fonte: MEC / Agência Brasil - Acesso em 13.04.2010:
http://oglobo.globo.com/educacao/mat/2008/12/16/mec-quer-ensino-mediointegrado- com-educacao-profissional.
Observe este fragmento do texto:
“Segundo o coordenador-geral do ensino médio, Carlos Artexes, a ideia é fortalecer a integração entreo MEC e os governos estaduais, responsáveis por oferecer essa etapa de ensino para criar o que chamou de ‘ensino médio nacional’”.
Quanto à pontuação da frase, afirma-se:
I. Há no fragmento três vírgulas, sendo que todas elas estão corretamente empregadas e todas são obrigatórias.
II. Há no fragmento oito vírgulas empregadas corretamente, mas falta uma vírgula depois de oferecer, porque essa palavra completa o sentido da frase.
III. Das três vírgulas do fragmento, todas elas estão empregadas corretamente.
Qual (ou quais) das afirmativas acima está(ão) CORRETA(S):
Provas
Questão presente nas seguintes provas
Cadernos
Caderno Container