Foram encontradas 40 questões.
Em uma turma, temos 5 meninos e 6 meninas.
Meninos = {Artur, Bernardo, Carlos, Daniel e Edson}
Meninas = {Fernanda, Gabriela, Helena, Ingrid, Julia, Luana}
A professora vai escolher um menino e uma menina para realizar uma atividade, qual a probabilidade de que Bernardo e Julia sejam os escolhidos?
Provas
Provas
ALÉM DA TERRA, ALÉM DO CÉU
Além da Terra, além do Céu,
no trampolim do sem-fim das estrelas,
no rastro dos astros,
na magnólia das nebulosas.
Além, muito além do sistema solar,
até onde alcançam o pensamento e o coração,
vamos!
vamos conjugar
o verbo fundamental essencial,
o verbo transcendente, acima das gramáticas
e do medo e da moeda e da política,
o verbo sempreamar,
o verbo pluriamar,
razão de ser e de viver.
Carlos Drummond de Andrade
Dentre as alternativas abaixo, a que se identifica com a mensagem do texto é:
Provas
Observe os trechos abaixo.
“Sua irmã está um pouco cheinha.”
“Na Amazônia, as árvores pedem socorro!”
“Na alegria e na tristeza estaremos juntos.”
Nos trechos apresentados acima, encontram-se,
respectivamente, as seguintes figuras de linguagem:
Provas
Provas
Provas
Disciplina: Atualidades e Conhecimentos Gerais
Banca: IBADE
Orgão: DEPASA-AC
Provas
Disciplina: Atualidades e Conhecimentos Gerais
Banca: IBADE
Orgão: DEPASA-AC
(1) ricos quimicamente (eutróficos) com argila de atividade alta (Ta). Muitos com caráter vértico, ou seja, apresentam fendas no período seco e são solos difíceis de trafegar durante a estação chuvosa. São solos normalmente rasos ou pouco profundos e apresentam restrição de drenagem, principalmente em razão da presença de minerais de argila expansíveis (argilas 2:1). Quando eutróficos, geralmente apresentam altos teores de cálcio (Ca), magnésio (Mg) e, surpreendentemente, alumínio (Al). Quando distróficos, apresentam baixos teores de cálcio e magnésio, situação em que a saturação por alumínio, muitas das vezes, é superior a 50%, ou seja, apresentam restrições no tocante à fitotoxidez por alumínio.
(2) solos, sujeitos ao excesso de água (encharcamento) temporário, em alternância com período seco. Apresentam a matriz com cor cinza e pontuações vermelhas (horizonte plíntico) iniciando em profundidades menores que 40 cm a partir da superfície do solo.
(3) são permanentemente ou periodicamente saturados por água. Caracterizam-se por cores acinzentadas, em decorrência do regime de umidade que favorece as condições redutoras do solo. Geralmente apresentam argilas de alta atividade e elevados teores de alumínio trocável. Não apresentam grandes problemas de fertilidade.
(4) em geral localizados em ambientes de relevo plano a suave ondulado. São os solos mais velhos da paisagem, apresentando uniformidade de cor, textura (proporção de areia, silte e argila) e quase sempre distróficos (pobres quimicamente), profundos e bem drenados. Possuem acidez elevada e baixos teores de cálcio, magnésio e potássio.
( ) gleissolos. ( ) cambrissolos.
( ) latossolos.
( ) plintossolos.
A sequência correta é:
Provas
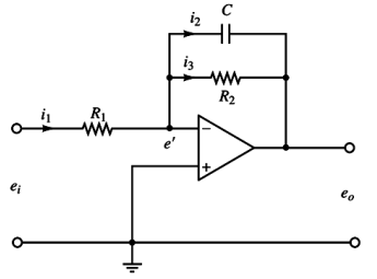
Considere e0 (t) e ei (t) a saída e a entrada do circuito com amplificador operacional ideal apresentado abaixo.

A função de transferência do circuito acima E0 (s) Ei ⁄ (s) é:
Provas
Considere o circuito e curva corrente de base versus tensão base-coletor apresentados na sequência para responder à questão.

Considerando os dados apresentados no circuito acima, a corrente de base (IB) é igual a:
Provas
Caderno Container