Foram encontradas 60 questões.
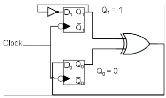
Considerando o circuito sequencial síncrono apresentado na figura abaixo e assumindo que o estado atual é Q0 = 0 e Q1 = 1, assinale a alternativa correta.

Provas
Questão presente nas seguintes provas
O código de Gray é empregado atualmente em circuitos sequenciais digitais visto que a menor variação possível de bits entre um estado e outro contribui para a redução da latência. Sabendo que o número 1110 está codificado no formato proposto por Frank Gray, assinale a alternativa que apresenta o valor correspondente deste número em formato decimal.
Provas
Questão presente nas seguintes provas
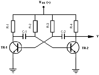
Analisando o circuito de amplificadores transistorizados apresentados na figura abaixo, assinale a alternativa incorreta.

Provas
Questão presente nas seguintes provas
Assinale a alternativa que corretamente descreve o circuito apresentado na ilustração abaixo:

Provas
Questão presente nas seguintes provas
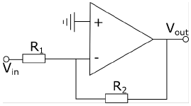
Considerando o circuito composto por um amplificador operacional ideal e dois resistores apresentado na ilustração abaixo, e seja Vin uma fonte de tensão contínua com amplitude igual a 10 V, assinale a alternativa incorreta.

Provas
Questão presente nas seguintes provas
Analise as seguintes afirmações abordando a proteção digital de sistemas elétricos de potência.
I. O emprego de um relé de sobrecorrente é suficiente para garantir a operação adequada da proteção de qualquer linha de transmissão, embora outros tipos de proteção sejam instalados como retaguarda.
II. O emprego da proteção diferencial é limitado pelas dimensões físicas do elemento protegido, de forma que não é possível proteger uma linha de transmissão utilizando a lógica diferencial.
III. Os transformadores de corrente e de potencial são empregados nos sistemas de proteção de sistemas elétricos de potência para redução da magnitude das correntes e tensões, respectivamente.
Assinale a alternativa incorreta.
Provas
Questão presente nas seguintes provas
A principal lógica de proteção digital aplicada a grandes transformadores de potência é a diferencial. Sobre este método de proteção, analise as sentenças abaixo indicando-as como Verdadeiro (V) ou Falso (F).
I. A lógica diferencial determina a incidência de faltas através da análise das correntes de entrada e saída no primário e secundário do transformador.
II. O defasamento de fases nos enrolamentos do transformador não afeta a lógica diferencial de proteção.
III. A identificação de falta através da subtração do módulo das correntes do primário e do secundário de um transformador acusa como falta apenas curtos-circuitos externos à máquina.
Assinale a alternativa que apresenta a sequência correta para as avaliações das afirmações I, II e III, respectivamente.
Provas
Questão presente nas seguintes provas
O método de componentes simétricas é largamente empregado na análise de sistemas de potência polifásicos, especialmente no cálculo de curto-circuito. Assinale a alternativa que descreve corretamente esta ferramenta.
Provas
Questão presente nas seguintes provas
- EscritórioMicrosoft OfficePowerpointVersões do PowerpointMicrosoft PowerPoint 2016 e 365Powerpoint 2016
Assinale, das alternativas abaixo, a única que identifica corretamente uma das principais funcionalidades dos Editores de Apresentação do Pacote Microsoft Office.
Provas
Questão presente nas seguintes provas
Leia a frase abaixo referente a Sistema Operacional e Software:
"Dentro dos vários Sistemas Operacionais que encontramos no mercado o e o se destacam atualmente."
Assinale a alternativa que preencha correta e respectivamente as lacunas.
Provas
Questão presente nas seguintes provas
Cadernos
Caderno Container