Foram encontradas 60 questões.
[Texto 1]
Trecho do artigo Trabalho e Existência produzido pelo Sesc São Paulo.
As atividades humanas designadas como trabalho, para além de seu caráter utilitário, também são responsáveis por construir identidades. Uma vez que organizam o tempo, determinam as relações entre os indivíduos e configuram sua autorrepresentação, torna-se compreensível que nos entendamos em função das atividades laborais que exercemos.
Catálogo impresso Publicação Sesc SP - Nós, criação,
trabalho e cidadania. Novembro de 2019.
[Texto 2]

Fonte: https://miro.medium.com/max/1428/1*KnVD0-
e3SVhEsygcJ6L-mg.jpeg
Assinale a alternativa que indica o sentido correto do emprego do termo "para" no trecho: "Trabalhar para ganhar a vida".
Provas
Questão presente nas seguintes provas
Os dispositivos digitais fundamentalmente são programados e se comunicam através da codificação binária. Desta forma, todas as operações necessárias devem ser representadas através da associação de entradas que possuem nível lógico zero ou um.
Com base na associação de portas lógicas apresentada na figura abaixo, analise as afirmações que seguem:
I. A expressão boleana que representa o sinal S é dada por
!$ S\, =\, \overline { \begin{pmatrix} A\, \oplus \, B \end{pmatrix}\, \cdot \, \begin{pmatrix} BC \end{pmatrix} } !$
II. A expressão boleana que representa o sinal S é dada por !$ S \, = \, \bar{C} \, + \bar{B} \, + \, AB \,. !$
III. Se a variável boleana C apresentar nível lógico 1, então a variável S também apresenta valor lógico 1.
Assinale a alternativa correta.
Provas
Questão presente nas seguintes provas
Em um circuito trifásico a quatro fios, cuja tensão de fase é 400 V, conecta-se uma carga que demanda 4000 VA. Considerando a potência trifásica da máquina e a tensão de linha do circuito como valores de base, e sabendo que a reatância indutiva da carga informada pelo fabricante é 6 !$ \Omega !$, assinale a alternativa correta.
Provas
Questão presente nas seguintes provas
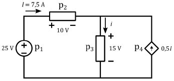
Considerando o circuito apresentado, analise as afirmações que o seguem:

I. Para que o somatório das potências consumidas e fornecidas seja igual a zero, a corrente "i" deve possuir valor igual a 11,25 A.
II. A potência consumida pelo "p2" é igual a 73 W.
III. A potência fornecida pelo elemento "p4" é igual a -3,75 W.
Assinale a alternativa correta.
Provas
Questão presente nas seguintes provas
Adaptado
A terceira edição da pesquisa Nossa Escola em (Re)Construção ouviu estudantes dos ensinos fundamental e médio e mostrou que 64% deles
"consideram importante" ter psicólogo na escola para atendê-los.
Os jovens querem profissionais de psicologia na escola "tanto no apoio para lidar com sentimentos, quanto para orientar sobre o que venham a fazer no futuro".
"Há uma preocupação entre os alunos de que as escolas apoiem no desenho do futuro deles", destaca Tatiana Klix, diretora da Porvir, uma plataforma que produz conteúdos de apoio a educadores, que também esteve à frente da pesquisa.
A atuação permanente de psicólogos nas escolas está prevista em projeto de lei (PL) aprovado pelo Congresso Nacional.
A pesquisa ouviu 258.680 estudantes, de 11 a 21 anos, de todo o Brasil. A maior participação na pesquisa foi de estudantes da Região Sudeste (63,5%).
A maioria passou a maior parte da vida escolar em escolas públicas (93,4%), tinha de 15 a 17 anos (58%), é formada de meninas (52%) e se define de cor parda (42%).
Fonte: https://www.metrojornal.com.br/foco/2019/11/30/maioriaestudantes-
psicologo-escolas.html
A partir da interpretação do texto acima, assinale a alternativa correta.
Provas
Questão presente nas seguintes provas
Dados os vetores tridimensionais !$ \vec{A} \, = \, 2\vec{a}_x \, - \, 2\vec{a}_y \, -\vec{a}_z !$ e !$ \vec{B} \, = \, -1\vec{a}_x \, + \, 4\vec{a}_y \, + \, 6\vec{a}_z !$ analise as afirmações a seguir sobre esses vetores.
I. A operação !$ 2 \vec{A} \, + \, \vec{B} !$ dos vetores resulta no vetor !$ \vec{R} \, = \, 3\vec{a}_x \, + \, 4 \vec{a}_z . !$
II. O módulo do vetor resultante de !$ 2\vec{A} \, + \, \vec{B} !$ é 5.
III. Um vetor unitário !$ \vec{a}_r !$ na direção de !$ 2\vec{A} \, + \, \vec{B} !$ é !$ \vec{a}_r \,\, = \, 0,6\vec{a}_x \,\, + \,\, 0,8 \vec{a}_z \, . !$
IV. O produto escalar entre !$ \vec{A} \,\, \vec{B} !$ é dado por -16.
De acordo com as sentenças apresentadas, assinale a alternativa correta.
Provas
Questão presente nas seguintes provas
[Texto 1]
Trecho do artigo Trabalho e Existência produzido pelo Sesc São Paulo.
As atividades humanas designadas como trabalho, para além de seu caráter utilitário, também são responsáveis por construir identidades. Uma vez que organizam o tempo, determinam as relações entre os indivíduos e configuram sua autorrepresentação, torna-se compreensível que nos entendamos em função das atividades laborais que exercemos.
Catálogo impresso Publicação Sesc SP - Nós, criação,
trabalho e cidadania. Novembro de 2019.
[Texto 2]

Fonte: https://miro.medium.com/max/1428/1*KnVD0-
e3SVhEsygcJ6L-mg.jpeg
Sobre a interpretação dos textos, analise as afirmativas abaixo.
I. Os dois textos pactuam do mesmo ponto de vista sobre o trabalho.
II. Os dois textos lidos em sequência geram uma relação de descontinuidade na compreensão de trabalho.
III. Os dois textos lidos em sequência geram uma relação de contiguidade na compreensão de trabalho.
Assinale a alternativa correta.
Provas
Questão presente nas seguintes provas
Andre-Marie Ampère viveu entre os anos 1775 e 1836, durante sua vida foi um grande físico e matemático. Um dos seus maiores feitos foi a definição da corrente elétrica, e desenvolveu uma forma de medi-la. Pensando na definição da corrente elétrica, assinale a alternativa que apresenta a carga total que entra em um terminal de um elemento entre os instantes t=0 e t=3 se a corrente que passa pelo terminal é
!$ \displaystyle{i = \left(4t^2 - \dfrac{1}{2} t\right)\;A} !$
Provas
Questão presente nas seguintes provas
Sobre circuitos trifásicos equilibrados, analise as afirmações a seguir:
I. Uma carga equilibrada apresenta impedâncias por fase iguais em magnitude e fase, e sua conexão pode ser transformada de estrela para triângulo (ou vice-versa) considerando que !$ Z \delta \, = \, 3 \, \ast \, Z_y !$.
II. Considerando uma fonte trifásica equilibrada conectada em estrela, com tensões de fase Van, Vbn e Vcn, e tomando a tensão da fase a (Van) como referência, a sequência de fases negativa indica que a tensão Van está adiantada em relação à Vbn que, por sua vez, está adianta em relação à Vcn.
III. Um sistema trifásico simétrico e equilibrado com fonte conectada em estrela e carga conectada em estrela possui correntes de linha iguais às de fase.
Assinale a alternativa correta.
Provas
Questão presente nas seguintes provas
[Texto 1]
Trecho do artigo Trabalho e Existência produzido pelo Sesc São Paulo.
As atividades humanas designadas como trabalho, para além de seu caráter utilitário, também são responsáveis por construir identidades. Uma vez que organizam o tempo, determinam as relações entre os indivíduos e configuram sua autorrepresentação, torna-se compreensível que nos entendamos em função das atividades laborais que exercemos.
Catálogo impresso Publicação Sesc SP - Nós, criação,
trabalho e cidadania. Novembro de 2019.
[Texto 2]

Fonte: https://miro.medium.com/max/1428/1*KnVD0-
e3SVhEsygcJ6L-mg.jpeg
Assinale a alternativa correta que contenha a expressão mais condizente com a interpretação sobre trabalho proposta pelo [texto 1].
Provas
Questão presente nas seguintes provas
Cadernos
Caderno Container