Foram encontradas 100 questões.
Considerando o diodo (D) da figura abaixo como ideal, qual a tensão positiva de pico de saída sobre a carga (R)?

Provas
Questão presente nas seguintes provas
Classifique as orações reduzidas de acordo com o indicado.
Em seguida, assinale a alternativa com a sequência correta.
1 – Oração Reduzida de Infinitivo
2 – Oração Reduzida de Gerúndio
3 – Oração Reduzida de Particípio
2 – Oração Reduzida de Gerúndio
3 – Oração Reduzida de Particípio
( ) Esta é a trágica notícia divulgada pela imprensa brasileira.
( ) Tendo perdido o dinheiro, o candidato viu-se obrigado à desistência.
( ) Custou-lhe muito concluir o curso técnico.
( ) Tendo perdido o dinheiro, o candidato viu-se obrigado à desistência.
( ) Custou-lhe muito concluir o curso técnico.
Provas
Questão presente nas seguintes provas
Leia atentamente as afirmativas abaixo.
I – No vocábulo “ alistar”, observa-se a derivação parassintética.
II – Os vocábulos “riacho”, “quietude” e “amanhecer” são formados por sufixos nominais.
III – “Automóvel” é formado por hibridismo.
II – Os vocábulos “riacho”, “quietude” e “amanhecer” são formados por sufixos nominais.
III – “Automóvel” é formado por hibridismo.
Está(ão) correta(s) apenas a(s) afirmativa(s)
Provas
Questão presente nas seguintes provas
Poesia do Tempo
O equívoco entre poesia e povo já é demasiadamente sabido para que valha a pena insistir nele. Denunciemos antes o equívoco entre poesia e poetas. A poesia não se “dá”, é hermética ou inumana, queixam-se por aí. Ora, eu creio que os poetas poderiam demonstrar o contrário ao público. De que maneira? Abandonando a ideia de que poesia é evasão. E aceitando alegremente a ideia de que poesia é participação. Não basta dizer que já não há torres de marfim; a torre desmoronou-se pelo ridículo, porém muitos poetas continuam vendo na poesia um instrumento de fuga da realidade ou de correção do que essa realidade ofereça de monstruoso e de errado. Desenvolve-se então entre eles a linguagem cifrada, que nenhum leigo entende, e que suscita o equívoco já célebre entre poesia e povo.
Participação na vida, identificação com os ideais do tempo (e esses ideais existem sempre, mesmo sob as mais sórdidas aparências de decomposição), curiosidade e interesse pelos outros homens, apetite sempre renovado em face das coisas, desconfiança da própria e excessiva riqueza interior, eis aí algumas indicações que permitirão talvez ao poeta deixar de ser um bicho esquisito para voltar a ser, simplesmente, um homem.
(Carlos Drummond de Andrade)
A questão refere-se ao texto acima.
Assinale a alternativa que apresenta, de acordo com o autor, indicações que permitirão ao poeta deixar de ser “um bicho esquisito”.
Provas
Questão presente nas seguintes provas
Complete as lacunas das frases abaixo com a, à, as, às, de acordo com a justificativa do emprego ou ausência do acento grave. Em seguida, assinale a alternativa com a sequência correta.
1 – Caminhava pela avenida de ponta ponta. (locução formada por palavra repetida)
2 – Após longa viagem, a filha voltou casa paterna. (palavra casa acompanhada de adjetivo)
3 – Saiu de sua residência pressas. (locução adverbial feminina)
4 – Era um senhor distinto, possuía calçados Luís XV. (elipse diante de palavra masculina)
2 – Após longa viagem, a filha voltou casa paterna. (palavra casa acompanhada de adjetivo)
3 – Saiu de sua residência pressas. (locução adverbial feminina)
4 – Era um senhor distinto, possuía calçados Luís XV. (elipse diante de palavra masculina)
Provas
Questão presente nas seguintes provas
1377890
Ano: 2018
Disciplina: Engenharia de Telecomunicações
Banca: DIRENS Aeronáutica
Orgão: EEAr
Disciplina: Engenharia de Telecomunicações
Banca: DIRENS Aeronáutica
Orgão: EEAr
Provas:
Quatro fontes de informação analógicas serão multiplexadas por divisão de tempo de forma a compartilhar a mesma linha de transmissão. A frequência mais alta de cada fonte é, respectivamente, 12kHz, 25kHz, 4kHz e 45kHz. Qual deve ser a taxa mínima de comutação do multiplexador?
Provas
Questão presente nas seguintes provas
Das alternativas abaixo, apenas uma preenche, de modo correto, as lacunas das seguintes frases. Assinale-a.
1 – Não se ponha entre e ela.
2 – Quando saíres, avisa-nos que iremos ____.
3 – Já disse várias vezes que você deve insistir.
4 – Você só é capaz de pensar em . Você só se preocupa mesmo?
2 – Quando saíres, avisa-nos que iremos ____.
3 – Já disse várias vezes que você deve insistir.
4 – Você só é capaz de pensar em . Você só se preocupa mesmo?
Provas
Questão presente nas seguintes provas
Selecione a alternativa incorreta.
Provas
Questão presente nas seguintes provas
1377194
Ano: 2018
Disciplina: Engenharia de Telecomunicações
Banca: DIRENS Aeronáutica
Orgão: EEAr
Disciplina: Engenharia de Telecomunicações
Banca: DIRENS Aeronáutica
Orgão: EEAr
Provas:
Indique o nome do bloco “X” na etapa do diagrama em blocos do receptor super- heteródino abaixo.

Provas
Questão presente nas seguintes provas

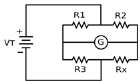
Na figura a seguir, qual deve ser o valor de Rx para que a ponte de Wheatstone esteja em equilíbrio?
Dados: !$ R1 = 10 \Omega,\,\,R=2 K \Omega,\,\,R3 = 20 \Omega !$
Provas
Questão presente nas seguintes provas
Cadernos
Caderno Container