Foram encontradas 50 questões.
Na fonte de tensão regulada do diagrama esquemático da Figura abaixo, o transistor de potência Q1 apresenta um ganho de corrente !$ \beta !$ = 24 e uma tensão VBE = 0,7 V quando em condução. Além disso, o diodo Zener Z1 apresenta uma tensão de ruptura VZ = 5,7 V, e os diodos retificadores são ideais.

Considerando-se que a tensão da fonte vs(t) apresenta a forma de onda mostrada no gráfico acima, qual será a máxima corrente elétrica reversa IZ, expressa em miliamperes, observada no diodo Zener Z1?
Provas
O aparato de teste mostrado no circuito da Figura abaixo foi montado com o objetivo de se obter a tensão de joelho da curva característica do LED L1.

O sinal de tensão vs(t) aplicado ao circuito apresenta uma forma de onda periódica do tipo dente de serra, a qual é medida com o canal 1 (VCH1) do osciloscópio, conforme ilustrado na Figura abaixo.

O sinal de tensão sobre o resistor R1 é medido com o canal 2 (VCH2) do mesmo osciloscópio, e a forma de onda observada também é mostrada na Figura acima.
A partir dessas duas formas de onda, exibidas na tela do osciloscópio, qual é, em volts, a tensão de joelho do LED L1?
Provas
No circuito a seguir, utiliza-se um transistor bipolar de junção Q1, cujas curvas características IC x VCE estão mostradas no gráfico.

Considerando-se que o transistor em questão apresenta uma tensão VBE = 0,7 V, quando em condução, qual é a maior resistência, em quilo-ohms, que o resistor de base RB pode assumir, de forma a garantir que o transistor Q1 esteja operando no modo de saturação nesse circuito?
Provas
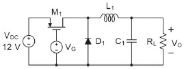
O conversor do tipo Buck, mostrado no diagrama esquemático a seguir, emprega como chave um MOSFET M1, com tensão de limiar VTH = - 3,0 V.

A tensão VG de acionamento do MOSFET apresenta a forma de onda periódica, mostrada no gráfico da Figura abaixo.

Desse modo, qual é o ciclo de trabalho (duty cycle) adotado no chaveamento desse conversor Buck?
Provas
No circuito eletrônico mostrado no diagrama esquemático abaixo, os diodos são ideais, e a forma de onda da tensão, aplicada pela fonte vs, está representada no gráfico a seguir.

Nesse circuito, como será a forma de onda da tensão vo(t), medida sobre a resistência de carga RL?
Provas
U.S. domestic air conditioning use could exceed electric capacity in next decade due to climate change
Climate change will provoke an increase in summer air conditioning use in the United States that will probably cause prolonged blackouts during peak summer heat if states do not expand capacity or improve efficiency, according to a new study of domestic-level demand.
Human emissions have put the global climate on a trajectory to exceed 1.5 degrees Celsius of warming by the early 2030s, the IPCC reported in its 2021 evaluation. Without significant alleviation, global temperatures will probably exceed the 2.0-degree Celsius limit by the end of the century.
Previous research has examined the impacts of higher future temperatures on annual electricity consumption for specific cities or states. The new study is the first to project residential air conditioning demand on a domestic basis at a wide scale. It incorporates observed and predicted air temperature and heat, humidity and discomfort indices with air conditioning use by statistically representative domiciles across the contiguous United States, collected by the U.S. Energy Information Administration (EIA) in 2005-2019.
“It’s a pretty clear warning to all of us that we can’t keep doing what we are doing or our energy system will fail completely in the next few decades, simply because of the summertime air conditioning,” said Susanne Benz, a geographer and climate scientist at Dalhousie University in Halifax, Nova Scotia.
The heaviest air conditioning use with the greatest risk for overcharging the transmission lines comes during heat waves, which also present the highest risk to health. Electricity generation tends to be below peak during heat waves as well, reducing capacity to even lower levels, said Renee Obringer, an environmental engineer at Penn State University. Without enough capacity to satisfy demand, energy companies may have to adopt systematic blackouts during heat waves to avoid network failure, like California’s energy organizations did in August 2020 during an extended period of record heat sometimes topping 117 degrees Fahrenheit. “We’ve seen this in California already -- state power companies had to institute blackouts because they couldn’t provide the needed electricity,” Obringer said. The state attributed 599 deaths to the heat, but the true number may have been closer to 3,900.
The new study predicted the largest increases in kilowatt-hours of electricity demand in the already hot south and southwest. If all Arizona houses were to increase air conditioning use by the estimated 6% needed at 1.5 degrees Celsius of global warming, for example, amounting to 30 kilowatt-hours per month, this would place an additional 54.5 million kilowatthours of demand on the electrical network monthly.
Available at: www.sciencedaily.com/releases/2022/02/ 220204093124.htm. Retrieved on: Feb. 9, 2022. Adapted.
In the fragment of paragraph 5 “the heaviest air conditioning use”, the term heaviest could be replaced, with no change in meaning, by
Provas
U.S. domestic air conditioning use could exceed electric capacity in next decade due to climate change
Climate change will provoke an increase in summer air conditioning use in the United States that will probably cause prolonged blackouts during peak summer heat if states do not expand capacity or improve efficiency, according to a new study of domestic-level demand.
Human emissions have put the global climate on a trajectory to exceed 1.5 degrees Celsius of warming by the early 2030s, the IPCC reported in its 2021 evaluation. Without significant alleviation, global temperatures will probably exceed the 2.0-degree Celsius limit by the end of the century.
Previous research has examined the impacts of higher future temperatures on annual electricity consumption for specific cities or states. The new study is the first to project residential air conditioning demand on a domestic basis at a wide scale. It incorporates observed and predicted air temperature and heat, humidity and discomfort indices with air conditioning use by statistically representative domiciles across the contiguous United States, collected by the U.S. Energy Information Administration (EIA) in 2005-2019.
“It’s a pretty clear warning to all of us that we can’t keep doing what we are doing or our energy system will fail completely in the next few decades, simply because of the summertime air conditioning,” said Susanne Benz, a geographer and climate scientist at Dalhousie University in Halifax, Nova Scotia.
The heaviest air conditioning use with the greatest risk for overcharging the transmission lines comes during heat waves, which also present the highest risk to health. Electricity generation tends to be below peak during heat waves as well, reducing capacity to even lower levels, said Renee Obringer, an environmental engineer at Penn State University. Without enough capacity to satisfy demand, energy companies may have to adopt systematic blackouts during heat waves to avoid network failure, like California’s energy organizations did in August 2020 during an extended period of record heat sometimes topping 117 degrees Fahrenheit. “We’ve seen this in California already -- state power companies had to institute blackouts because they couldn’t provide the needed electricity,” Obringer said. The state attributed 599 deaths to the heat, but the true number may have been closer to 3,900.
The new study predicted the largest increases in kilowatt-hours of electricity demand in the already hot south and southwest. If all Arizona houses were to increase air conditioning use by the estimated 6% needed at 1.5 degrees Celsius of global warming, for example, amounting to 30 kilowatt-hours per month, this would place an additional 54.5 million kilowatthours of demand on the electrical network monthly.
Available at: www.sciencedaily.com/releases/2022/02/ 220204093124.htm. Retrieved on: Feb. 9, 2022. Adapted.
In the fragment of paragraph 6 “If all Arizona houses were to increase air conditioning use”, if signals a(n)
Provas
U.S. domestic air conditioning use could exceed electric capacity in next decade due to climate change
Climate change will provoke an increase in summer air conditioning use in the United States that will probably cause prolonged blackouts during peak summer heat if states do not expand capacity or improve efficiency, according to a new study of domestic-level demand.
Human emissions have put the global climate on a trajectory to exceed 1.5 degrees Celsius of warming by the early 2030s, the IPCC reported in its 2021 evaluation. Without significant alleviation, global temperatures will probably exceed the 2.0-degree Celsius limit by the end of the century.
Previous research has examined the impacts of higher future temperatures on annual electricity consumption for specific cities or states. The new study is the first to project residential air conditioning demand on a domestic basis at a wide scale. It incorporates observed and predicted air temperature and heat, humidity and discomfort indices with air conditioning use by statistically representative domiciles across the contiguous United States, collected by the U.S. Energy Information Administration (EIA) in 2005-2019.
“It’s a pretty clear warning to all of us that we can’t keep doing what we are doing or our energy system will fail completely in the next few decades, simply because of the summertime air conditioning,” said Susanne Benz, a geographer and climate scientist at Dalhousie University in Halifax, Nova Scotia.
The heaviest air conditioning use with the greatest risk for overcharging the transmission lines comes during heat waves, which also present the highest risk to health. Electricity generation tends to be below peak during heat waves as well, reducing capacity to even lower levels, said Renee Obringer, an environmental engineer at Penn State University. Without enough capacity to satisfy demand, energy companies may have to adopt systematic blackouts during heat waves to avoid network failure, like California’s energy organizations did in August 2020 during an extended period of record heat sometimes topping 117 degrees Fahrenheit. “We’ve seen this in California already -- state power companies had to institute blackouts because they couldn’t provide the needed electricity,” Obringer said. The state attributed 599 deaths to the heat, but the true number may have been closer to 3,900.
The new study predicted the largest increases in kilowatt-hours of electricity demand in the already hot south and southwest. If all Arizona houses were to increase air conditioning use by the estimated 6% needed at 1.5 degrees Celsius of global warming, for example, amounting to 30 kilowatt-hours per month, this would place an additional 54.5 million kilowatthours of demand on the electrical network monthly.
Available at: www.sciencedaily.com/releases/2022/02/ 220204093124.htm. Retrieved on: Feb. 9, 2022. Adapted.
The fragment in paragraph 5 “an extended period of record heat sometimes topping 117 degrees Fahrenheit” describes a climate condition characterized by
Provas
U.S. domestic air conditioning use could exceed electric capacity in next decade due to climate change
Climate change will provoke an increase in summer air conditioning use in the United States that will probably cause prolonged blackouts during peak summer heat if states do not expand capacity or improve efficiency, according to a new study of domestic-level demand.
Human emissions have put the global climate on a trajectory to exceed 1.5 degrees Celsius of warming by the early 2030s, the IPCC reported in its 2021 evaluation. Without significant alleviation, global temperatures will probably exceed the 2.0-degree Celsius limit by the end of the century.
Previous research has examined the impacts of higher future temperatures on annual electricity consumption for specific cities or states. The new study is the first to project residential air conditioning demand on a domestic basis at a wide scale. It incorporates observed and predicted air temperature and heat, humidity and discomfort indices with air conditioning use by statistically representative domiciles across the contiguous United States, collected by the U.S. Energy Information Administration (EIA) in 2005-2019.
“It’s a pretty clear warning to all of us that we can’t keep doing what we are doing or our energy system will fail completely in the next few decades, simply because of the summertime air conditioning,” said Susanne Benz, a geographer and climate scientist at Dalhousie University in Halifax, Nova Scotia.
The heaviest air conditioning use with the greatest risk for overcharging the transmission lines comes during heat waves, which also present the highest risk to health. Electricity generation tends to be below peak during heat waves as well, reducing capacity to even lower levels, said Renee Obringer, an environmental engineer at Penn State University. Without enough capacity to satisfy demand, energy companies may have to adopt systematic blackouts during heat waves to avoid network failure, like California’s energy organizations did in August 2020 during an extended period of record heat sometimes topping 117 degrees Fahrenheit. “We’ve seen this in California already -- state power companies had to institute blackouts because they couldn’t provide the needed electricity,” Obringer said. The state attributed 599 deaths to the heat, but the true number may have been closer to 3,900.
The new study predicted the largest increases in kilowatt-hours of electricity demand in the already hot south and southwest. If all Arizona houses were to increase air conditioning use by the estimated 6% needed at 1.5 degrees Celsius of global warming, for example, amounting to 30 kilowatt-hours per month, this would place an additional 54.5 million kilowatthours of demand on the electrical network monthly.
Available at: www.sciencedaily.com/releases/2022/02/ 220204093124.htm. Retrieved on: Feb. 9, 2022. Adapted.
In the sentence of paragraph 5, “The heaviest air conditioning use with the greatest risk for overcharging the transmission lines comes during heat waves, which also present the highest risk to health”, the word which makes reference to
Provas
U.S. domestic air conditioning use could exceed electric capacity in next decade due to climate change
Climate change will provoke an increase in summer air conditioning use in the United States that will probably cause prolonged blackouts during peak summer heat if states do not expand capacity or improve efficiency, according to a new study of domestic-level demand.
Human emissions have put the global climate on a trajectory to exceed 1.5 degrees Celsius of warming by the early 2030s, the IPCC reported in its 2021 evaluation. Without significant alleviation, global temperatures will probably exceed the 2.0-degree Celsius limit by the end of the century.
Previous research has examined the impacts of higher future temperatures on annual electricity consumption for specific cities or states. The new study is the first to project residential air conditioning demand on a domestic basis at a wide scale. It incorporates observed and predicted air temperature and heat, humidity and discomfort indices with air conditioning use by statistically representative domiciles across the contiguous United States, collected by the U.S. Energy Information Administration (EIA) in 2005-2019.
“It’s a pretty clear warning to all of us that we can’t keep doing what we are doing or our energy system will fail completely in the next few decades, simply because of the summertime air conditioning,” said Susanne Benz, a geographer and climate scientist at Dalhousie University in Halifax, Nova Scotia.
The heaviest air conditioning use with the greatest risk for overcharging the transmission lines comes during heat waves, which also present the highest risk to health. Electricity generation tends to be below peak during heat waves as well, reducing capacity to even lower levels, said Renee Obringer, an environmental engineer at Penn State University. Without enough capacity to satisfy demand, energy companies may have to adopt systematic blackouts during heat waves to avoid network failure, like California’s energy organizations did in August 2020 during an extended period of record heat sometimes topping 117 degrees Fahrenheit. “We’ve seen this in California already -- state power companies had to institute blackouts because they couldn’t provide the needed electricity,” Obringer said. The state attributed 599 deaths to the heat, but the true number may have been closer to 3,900.
The new study predicted the largest increases in kilowatt-hours of electricity demand in the already hot south and southwest. If all Arizona houses were to increase air conditioning use by the estimated 6% needed at 1.5 degrees Celsius of global warming, for example, amounting to 30 kilowatt-hours per month, this would place an additional 54.5 million kilowatthours of demand on the electrical network monthly.
Available at: www.sciencedaily.com/releases/2022/02/ 220204093124.htm. Retrieved on: Feb. 9, 2022. Adapted.
The fragment in paragraph 5 “Electricity generation tends to be below peak” means that
Provas
Caderno Container