Foram encontradas 55 questões.
Qual é a negação da proposição “Alguma lâmpada está acesa e todas as portas estão fechadas”?
Provas
Disciplina: Segurança e Saúde no Trabalho (SST)
Banca: CESGRANRIO
Orgão: FUNASA
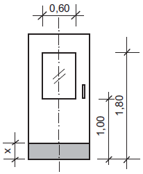
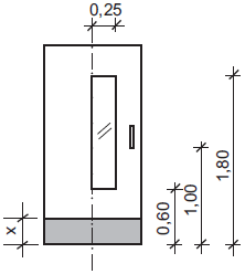
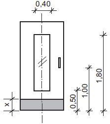
A questão baseia-se nos croquis das portas tipo vaivém com visor, puxador vertical e revestimento resistente a impactos, esquematizados a seguir.
I.

II.

III.

Com relação ao revestimento resistente a impactos, colocado na parte inferior das portas, a altura x, em relação ao piso, em metros, vale
Provas
Disciplina: Segurança e Saúde no Trabalho (SST)
Banca: CESGRANRIO
Orgão: FUNASA
A questão baseia-se nos croquis das portas tipo vaivém com visor, puxador vertical e revestimento resistente a impactos, esquematizados a seguir.
I.

II.

III.

Com relação ao visor, está(ão) em conformidade com a NBR 9050 a(s) porta(s)
Provas
Disciplina: Segurança e Saúde no Trabalho (SST)
Banca: CESGRANRIO
Orgão: FUNASA
Para responder a questão, considere as siglas a seguir.
EAS – Estabelecimento Assistencial de Saúde.
PBA – Projeto Básico de Arquitetura.
RDC 50 – Resolução Anvisa RDC nº 50, de 21/02/2002, que dispõe sobre o Regulamento Técnico para planejamento, programação, elaboração e avaliação de projetos físicos de estabelecimentos assistenciais de saúde.
Portaria 840/07 – Portaria Funasa nº 840, de 15/08/2007, que estabelece as diretrizes para projetos físicos de estabelecimentos de saúde para povos indígenas.
NBR 9050 – Norma ABNT NBR 9050/2004, atualizada em 2005, de acessibilidade a edificações, mobiliário, espaços e equipamentos urbanos.
NBR 6492 – Norma ABNT NBR 6492/1994, de representação de projetos de arquitetura.
Considere o critério de avaliação das Diretrizes para Projetos Físicos de Laboratórios de Saúde Pública da FUNASA, com relação ao nível da Biossegurança.
“Adequado ao trabalho que envolva agentes que possam causar doenças graves em seres humanos e que possam representar grande risco para quem os manipula. Podem representar risco se disseminados na comunidade mas geralmente existem medidas de tratamento e prevenção.”
De acordo com esta Diretriz, o nível de Biossegurança é classificado como
Provas

O gráfico acima classifica 12 mulheres em função da quantidade de filhos. Juntando-se todos os filhos dessas mulheres, tem-se um total de filhos igual a
Provas
Texto IV

Disponível em: http://www.clickmarket.com.br
Na propaganda apresentada, o texto verbal que sintetiza corretamente as ideias presentes estritamente na imagem é que o cigarro é um(a)
Provas
Texto III
Olívia se aproximou de EugênioA) e com um lenço enxugou-lhe o suor da testa. Estava terminada a traqueostomia. A enfermeira juntava os ferros.B) Ruído de metais tinindo, de mesas se arrastando. Eugênio tirou as luvas e foi tomar o pulso do pequeno paciente. A criança como que ressuscitava. A respiração voltava lentamente,C) a princípio superficial, depois mais funda e visível. O rosto perdia aos poucos a rigidez cianótica.
Eugênio examinava-lhe as mudanças do rosto com comovida atenção.
Vencera! Salvara a vida de uma criança!D)
A vida é boa! – pensava Eugênio. Ele tinha salvo uma criança. Começou a cantarolar baixinho uma canção antiga que julgava esquecida. Sorvia com delícia o refresco impregnado do cheiro da gasolina queimada. Sentia-se leve e aéreo.E) Era como se dentro dele as nuvens de tempestade se tivessem despejado em chuva e sua alma agora estivesse límpida, fresca e estrelada como a noite.
– Por que será – perguntou ele a Olívia – por que será que às vezes de repente a gente tem a impressão de que acabou de nascer... ou de que o mundo ainda está fresquinho, recém-saído das mãos de quem o fez?
VERÍSSIMO, Érico. Olhai os lírios do campo. Rio de Janeiro: Globo, 1987. (Fragmento)
Na passagem “Eugênio examinava-lhe as mudanças do rosto com comovida atenção.”, o pronome oblíquo lhe exerce função sintática idêntica ao termo destacado em
Provas
Texto III
Olívia se aproximou de Eugênio e com um lenço enxugou-lhe o suor da testa. Estava terminada a traqueostomia.A) A enfermeira juntava os ferros. Ruído de metais tinindo, de mesas se arrastando. Eugênio tirou as luvas e foi tomar o pulso do pequeno paciente. A criança como que ressuscitava. A respiração voltava lentamente, a princípio superficial, depois mais funda e visível.B) O rosto perdia aos poucos a rigidez cianótica.
Eugênio examinava-lhe as mudanças do rosto com comovida atenção.
Vencera! Salvara a vida de uma criança!
A vida é boa! – pensava Eugênio. Ele tinha salvo uma criança. Começou a cantarolar baixinho uma canção antiga que julgava esquecida.C) Sorvia com delícia o refresco impregnado do cheiro da gasolina queimada. Sentia-se leve e aéreo. Era como se dentro dele as nuvens de tempestade se tivessem despejado em chuva e sua alma agora estivesse límpida, fresca e estrelada como a noite.
– Por que será – perguntou ele a Olívia – por que será que às vezes de repente a gente tem a impressão de que acabou de nascer...E) ou de que o mundo ainda está fresquinho, recém-saído das mãos de quem o fez?
VERÍSSIMO, Érico. Olhai os lírios do campo. Rio de Janeiro: Globo, 1987. (Fragmento)
A Gramática da Língua Portuguesa prevê que o emprego do acento grave para indicar a ocorrência de crase pode ser facultativo em alguns casos.
Em qual das passagens transcritas do texto há a ocorrência da crase, e o emprego do acento grave é facultativo?
Provas
Texto III
Olívia se aproximou de Eugênio e com um lenço enxugou-lhe o suor da testa. Estava terminada a traqueostomia. A enfermeira juntava os ferros. Ruído de metais tinindo, de mesas se arrastando. Eugênio tirou as luvas e foi tomar o pulso do pequeno paciente. A criança como que ressuscitava. A respiração voltava lentamente, a princípio superficial, depois mais funda e visível. O rosto perdia aos poucos a rigidez cianótica.
Eugênio examinava-lhe as mudanças do rosto com comovida atenção.
Vencera! Salvara a vida de uma criança!
A vida é boa! – pensava Eugênio. Ele tinha salvo uma criança. Começou a cantarolar baixinho uma canção antiga que julgava esquecida. Sorvia com delícia o refresco impregnado do cheiro da gasolina queimada. Sentia-se leve e aéreo. Era como se dentro dele as nuvens de tempestade se tivessem despejado em chuva e sua alma agora estivesse límpida, fresca e estrelada como a noite.
– Por que será – perguntou ele a Olívia – por que será que às vezes de repente a gente tem a impressão de que acabou de nascer... ou de que o mundo ainda está fresquinho, recém-saído das mãos de quem o fez?
VERÍSSIMO, Érico. Olhai os lírios do campo. Rio de Janeiro: Globo, 1987. (Fragmento)
Sinais de pontuação ajudam a revelar a expressividade de um texto. A exclamação presente no terceiro parágrafo do Texto III é empregada, sobretudo, para revelar
Provas
Texto III
Olívia se aproximou de Eugênio e com um lenço enxugou-lhe o suor da testa. Estava terminada a traqueostomia. A enfermeira juntava os ferros. Ruído de metais tinindo, de mesas se arrastando. Eugênio tirou as luvas e foi tomar o pulso do pequeno paciente. A criança como que ressuscitava. A respiração voltava lentamente, a princípio superficial, depois mais funda e visível. O rosto perdia aos poucos a rigidez cianótica.
Eugênio examinava-lhe as mudanças do rosto com comovida atenção.
Vencera! Salvara a vida de uma criança!
A vida é boa! – pensava Eugênio. Ele tinha salvo uma criança. Começou a cantarolar baixinho uma canção antiga que julgava esquecida. Sorvia com delícia o refresco impregnado do cheiro da gasolina queimada. Sentia-se leve e aéreo. Era como se dentro dele as nuvens de tempestade se tivessem despejado em chuva e sua alma agora estivesse límpida, fresca e estrelada como a noite.
– Por que será – perguntou ele a Olívia – por que será que às vezes de repente a gente tem a impressão de que acabou de nascer... ou de que o mundo ainda está fresquinho, recém-saído das mãos de quem o fez?
VERÍSSIMO, Érico. Olhai os lírios do campo. Rio de Janeiro: Globo, 1987. (Fragmento)
Para descrever a sensação do personagem em salvar a criança, no 4º parágrafo, o narrador emprega algumas estratégias como o uso de adjetivos, comparações, além de imagens poéticas.
Qual dos substantivos a seguir expressa tal sensação do personagem?
Provas
Caderno Container