Foram encontradas 399 questões.
________como recurso, transversal a todas as práticas, percebido como importante na construção de uma postura profissional baseada em receber, escutar e tratar de forma humanizada as famílias/usuários/pacientes e suas demandas, implica também a responsabilização dos profissionais pela condução da proposta terapêutica e a corresponsabilização das famílias por sua saúde.
Assinale a alternativa que preenche corretamente a lacuna do trecho acima.
Provas
Questão presente nas seguintes provas
Considere os procedimentos a seguir.
I - Usar formas de condicionamento aeróbio que não sejam de corrida.
II - Fazer treino de força de membro inferior do corpo em dias que não é realizado exercício aeróbio deste mesmo segmento.
III - Diminuir a intensidade e aumentar o volume do exercício aeróbio.
IV - Proporcionar, pelo menos, um dia de descanso total na semana para permitir a recuperação do indivíduo.
II - Fazer treino de força de membro inferior do corpo em dias que não é realizado exercício aeróbio deste mesmo segmento.
III - Diminuir a intensidade e aumentar o volume do exercício aeróbio.
IV - Proporcionar, pelo menos, um dia de descanso total na semana para permitir a recuperação do indivíduo.
De acordo com Fleck e Kraemer (2017), quais devem ser adotados para diminuir os efeitos negativos do treino aeróbio sobre o treino de força (treinamento concorrente)?
Provas
Questão presente nas seguintes provas
Sobre os achados de imagem em pacientes com suspeita de maus tratos, assinale a alternativa correta.
Provas
Questão presente nas seguintes provas
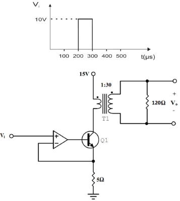
Observe a figura abaixo, considerando todos os componentes ideais.

Assinale a alternativa que melhor representa a saída VO.
Provas
Questão presente nas seguintes provas
Observe a figura abaixo.

No circuito da figura acima, a corrente I e a tensão entre os terminais A e B são, respectivamente:
Provas
Questão presente nas seguintes provas
De acordo com o TRS 398 da AIEA, para obter-se o zref na dosimetria de elétrons, a equação correta é
Provas
Questão presente nas seguintes provas
Sobre o regime societário da sociedade de economia mista é correto afirmar que:
Provas
Questão presente nas seguintes provas
Estudo de ressonância magnética encefálica de paciente com três meses de idade demonstrou hiperintensidade de sinal em T2 e hipointensidade em T1 no globo pálido e núcleo caudado, bilateralmente. Espectroscopia por ressonância magnética, em um período de exacerbação clínica da doença, demonstra elevação dramática de lactato em comparação com exames prévios.
Em relação ao caso clínico acima, assinale a alternativa que aponta a hipótese etiológica mais provável.
Provas
Questão presente nas seguintes provas
Considere os procedimentos a seguir.
I - Usar luvas descartáveis e jaleco de mangas curtas.
II - Utilizar monitor individual de corpo inteiro, posicionado no tórax.
III - Utilizar monitor individual de extremidade.
II - Utilizar monitor individual de corpo inteiro, posicionado no tórax.
III - Utilizar monitor individual de extremidade.
Quais constituem critérios que devem ser seguidos pelo indivíduo ocupacionalmente exposto que manipula ou administra radiofármacos?
Provas
Questão presente nas seguintes provas
Em relação à cintilografia de perfusão cardíaca, assinale a alternativa INCORRETA.
Provas
Questão presente nas seguintes provas
Cadernos
Caderno Container