Foram encontradas 40 questões.
Com base na matriz de estados descrita abaixo, marque ( V ) para as afirmativas verdadeiras e ( F ) para as falsas.
!$ \begin{bmatrix}0 & 1 & 0 \\ 0 & 0 & 1 \\-8 & -14 & -7 \end{bmatrix} !$
( ) Esta matriz descreve a dinâmica de um sistema descrito na forma canônica controlável.
( ) O determinante da matriz A é 8.
( ) As raízes da equação característica desse sistema são -8, -14 e -7.
( ) Os autovalores dessa matriz são 1, -2 e -4.
Assinale a alternativa que contém a sequência CORRETA de cima para baixo.
Provas
Relacione as colunas de acordo com a associação entre conceitos:
| I. Ensino Médio | ( ) Integra-se aos diferentes níveis e modalidades de educação e às dimensões do trabalho, da ciência e da tecnologia |
| II. Formação Integral | ( ) É o processo de certificação de competências adquiridas fora do ambiente escolar |
| III. Formação Integrada | ( ) Preparação básica para o trabalho e a cidadania do educando, para continuar aprendendo, de modo a ser capaz de se adaptar com flexibilidade a novas condições de ocupação ou aperfeiçoamento posteriores. |
| IV. Educação Profissional | ( ) Articula a formação geral, profissional, social, ética e cultural, voltado para um projeto de vida e formação cidadã. |
| V. Reconhecimento de saberes | ( ) Tem como propósito fazer com que a educação geral se torne parte inseparável da educação profissional em todos os campos onde se dá a preparação para o trabalho seja nos processos produtivos, seja nos processos educativos. |
Qual a sequência CORRETA?
Provas
Acerca do processo de discretização de um sinal analógico, afirma se que:
I. O método conhecido como Sample and hold converte o sinal analógico em um sinal discreto representado por uma combinação binária de n bits;
II. Um sinal analógico é discretizado a fim de que se realize o tratamento e controle da variável de controle de um sistema físico qualquer através de um controlador digital, que tem como uma vantagem a velocidade de processamento;
III. A primeira etapa para converter um sinal analógico em um sinal discreto no tempo é a amostragem, em que o sinal analógico tem seu valor instantâneo armazenado a intervalos regulares de tempo, definido como período de amostragem.
Assinale a alternativa que apresenta somente as afirmativas CORRETAS
Provas
Analise as afirmações abaixo, relativas aos cursos técnicos de nível médio:
I. A Educação Profissional Técnica de Nível Médio é sempre desenvolvida de forma articulada ao Ensino Médio.
II. Os cursos de Educação Profissional Técnica de Nível Médio são organizados por eixos tecnológicos, possibilitando itinerários formativos flexíveis, diversificados e atualizados, e têm suas cargas horárias mínimas de 1 .400 horas.
III. É permitido atividades não presenciais de até 20% (vinte por cento) da carga horária diária dos cursos.
IV. Estabelece a possibilidade de cursos de Educação Profissional na forma articulada com o Ensino Médio, na modalidade de Educação de Jovens e Adultos.
V. As escolas particulares devem solicitar autorização ao Conselho Estadual de Educação, para a oferta de cursos técnicos.
Quais das afirmações NÃO estão corretas?
Provas
O circuito abaixo consiste de um regulador linear de tensão baseado na associação de diodos tipo zener com transistor bipolar. Considerando que o transístor possua um ganho de !$ \beta !$ = 100 e uma queda de tensão Base Emissor de Vbe = 0,7V, assinale a alternativa que indique CORRETAMENTE, o valor da tensão de saída deste circuito e a potência dissipada no transístor (Carga = 10Ω).

Provas
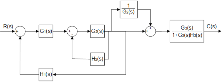
Um diagrama de blocos é uma representação gráfica utilizada normalmente quando o sistema é composto por mais de um componente. Essa representação permite descrever o inter relacionamento que existe entre vários elementos e as funções desempenhadas por cada um. A função de transferência do sistema está nas informações dos blocos e pode ser abstraída. Qual das alternativas a seguir corresponde à CORRETA representação da função de transferência do diagrama de blocos abaixo?

Provas
O diagrama de blocos abaixo representa o controle de posição do eixo de um motor CC através de um controlador proporcional:

Assinale a alternativa que representa CORRETAMENTE a função de transferência T(s) do sistema.
Provas
A concepção de pesquisa como princípio educativo e formativo articula diferentes conceitos e práticas pedagógicas que precisam constituir-se como parte do currículo escolar em diferentes níveis de oferta. Considerando essa premissa, leia as afirmativas que seguem e coloque (F) quando forem falsas e (V) quando forem verdadeiras.
( ) A pesquisa como princípio educativo articula o conhecimento a um Projeto Político Pedagógico, a uma concepção de educação. Essa concepção estabelece relações entre prática pedagógica e projeto de sociedade desejado influenciando o conhecimento que se quer construir.
( ) O diálogo é elemento fundamental na concepção de pesquisa como princípio educativo e formativo, pois elimina as condições da pesquisa como mera descoberta ultrapassando os limites da análise teórica.
( ) O pesquisador nasce nos meandros da pós-graduação, pois é nesse espaço que se torna possível dialogar e fazer pesquisa pela primeira vez inserindo-se na realidade a ser pesquisada.
( ) O papel da educação e da pesquisa é fundamental para o processo emancipatório, pois é através da educação permeada pela pesquisa que o sujeito será capaz de conhecer sua realidade e conhecer-se para criticamente criar condições de transformação das diferentes realidades vividas.
Assinale a alternativa que apresenta, de cima para baixo, a sequência CORRETA.
Provas
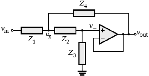
Filtros são circuitos eletrônicos projetados para permitir, ou não, a passagem de um sinal, cujo espectro esteja dentro de um valor preestabelecido pelo projetista. Um filtro ativo de topologia Sallen Key é mostrado abaixo.

Escolhendo se adequadamente as impedâncias implementa se passa baixas, passa altas ou passa faixa com resposta tipo Bessel, Butterworth, Chebyshev, etc. Analisando a função de transferência desse filtro, nesta perspectiva, leia com atenção as afirmações a seguir e marque V para as verdadeiras e F para as falsas:
( ) Se Z1 e Z2 forem dois resistores e Z4 e Z3 dois capacitores temos um filtro passa altas.
( ) Se Z1 e Z2 forem dois capacitores e Z4 e Z3 forem dois resistores temos um filtro passa altas.
( ) Para um projeto de filtros passa baixas, primeiro seleciona se a frequência de corte e o fator de qualidade, depois fixa se o valor das resistências, ou seja, determina se a impedância de entrada do filtro na faixa de bloqueio, e então determina se o valor dos capacitores.
( ) Para um projeto de filtros passa altas, primeiro seleciona se a frequência de corte e o fator de qualidade, depois fixa se o valor das resistências, ou seja, determina se a impedância de entrada do filtro na faixa de bloqueio, e então determina se o valor dos capacitores.
Assinale a alternativa que apresenta somente as afirmativas CORRETAS.
Provas
Autores como Maria Margarida Machado, João Ferreira de Oliveira, Gaudêncio Frigotto, Maria Ciavatta e Marise Ramos, dentre outros, vêm debatendo a relevância de uma formação integrada para o trabalhador. Formação essa que supere uma formação fragmentada ou aligeirada, pressa essa muitas vezes exigida pelo mercado de trabalho e pela realidade econômica e social dos brasileiros.
Já a educação integral, vem sendo discutida desde a época do Manifesto dos Pioneiros da Educação Nova, considerando-se uma alternativa para a superação dos problemas de desigualdades sociais e educacionais do Brasil.
Todavia, existe distinção entre formação integrada e formação integral. Dessa forma, assinale as afirmações verdadeiras com (V) e as falsas com (F) sobre o assunto.
( ) A Formação Integral é considerada uma formação que visa atingir seus sujeitos no desenvolvimento qualitativo de todas as suas dimensões pessoais: afetividade, corporeidade e racionalidade.
( ) O Plano Nacional de Educação (PNE) 2014-2024, aprovado pela Lei nº 13.005, de 25 de junho de 2014, apresenta meta que afirma que deve-se oferecer educação em tempo integral em, no mínimo, vinte por cento das escolas públicas, de forma a atender, pelo menos, dez por cento dos(as) alunos(as) da educação básica.
( ) A educação integral está posta para as pessoas em desenvolvimento, crianças e adolescentes, já a educação ou formação integrada está posta para o trabalhador, que se encontra numa condição de exercício de atividades produtivas que requerem cada vez mais qualificação profissional.
( ) A formação integrada tem como propósito fazer com que a educação geral se torne parte inseparável da educação profissional em todos os campos onde se dá a preparação para o trabalho: seja nos processos produtivos, seja nos processos educativos como a formação inicial, como o ensino técnico, tecnológico ou superior.
( ) Considerando a realidade dos Institutos Federais, criados pela Lei nº11 .892, de 29 de dezembro de 2008, uma das formas de educação integrada se dá pela educação profissional técnica de nível médio, que é desenvolvida de forma articulada com o ensino médio.
Assinale a alternativa que contém a sequência CORRETA de cima para baixo.
Provas
Caderno Container