Foram encontradas 40 questões.
Os edifícios que compõem os Câmpus dos Institutos Federais de Santa Catarina (IFSC) constituem edifícios públicos e de uso coletivo. Na construção, ampliação ou reforma de edifícios do IFSC alguns requisitos de acessibilidade deverão ser observados. De acordo com a Lei nº 10.098/2000, marque (V) para as afirmativas verdadeiras e (F), para as falsas.
( ) Pelo menos um dos acessos ao interior da edificação deverá estar livre de barreiras arquitetônicas e de obstáculos que impeçam ou dificultem a acessibilidade de pessoa portadora de deficiência ou com mobilidade reduzida.
( ) Os locais de conferências, aulas e outros de natureza similar deverão dispor de espaços reservados para pessoas que utilizam cadeira de rodas, e de lugares específicos para pessoas com deficiência auditiva e visual, inclusive acompanhante.
( ) Pelo menos um dos itinerários que comuniquem horizontal e verticalmente todas as dependências e serviços do edifício, entre si e com o exterior, deverá cumprir os requisitos de acessibilidade de que trata esta Lei.
( ) Os edifícios a serem construídos com mais de um pavimento além do pavimento de acesso, incluindo habitações unifamiliares, e que não estejam obrigados à instalação de elevador, deverão dispor de especificações técnicas e de projeto que facilitem a instalação de um elevador adaptado, devendo os demais elementos de uso comum destes edifícios atender aos requisitos de acessibilidade.
( ) Os edifícios deverão dispor, pelo menos, de dois banheiros acessíveis, distribuindo-se seus equipamentos e acessórios de maneira que possam ser utilizados por pessoa com deficiência ou com mobilidade reduzida.
( ) As disposições da Lei 10.098/2000 não se aplicam aos edifícios ou imóveis declarados bens de interesse cultural ou de valor histórico-artístico, a serem adaptados.
Assinale a alternativa que contém a sequência CORRETA de cima para baixo.
Provas
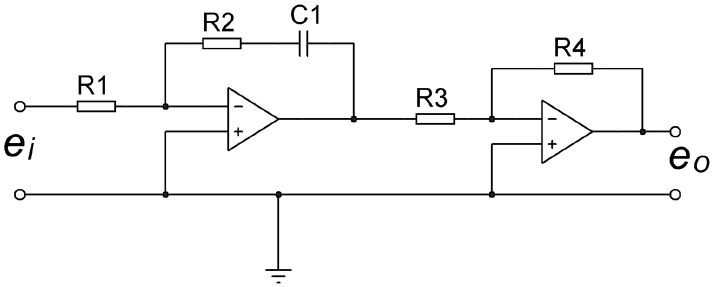
Assinale a alternativa que indica CORRETAMENTE , qual o tipo de controlador analógico que é representado pelo circuito eletrônico mostrado na figura a seguir.

Provas
Considere o controlador PID digital descrito abaixo:
!$ u(k)={\large{K_1 \over T_s}}.[e(k)-e(k-1)]+K_2.e(k)+K_3.T_s. \sum\limits^{∞}_{i=0} \, e(k-i) !$
Considerando que e(k) é o sinal de erro no instante de tempo atual, associe a segunda coluna com a primeira.
| I. K1 | ( ) Constante de ação proporcional |
| II. K2 | ( ) Constante de ação derivativa |
| III. K3 | ( ) Constante de ação integral |
Assinale a alternativa que contém a sequência CORRETA de associação, de cima para baixo.
Provas
Em todo problema de modelagem matemática de um sistema físico real o projetista deve decidir quais devem ser a entrada e a saída. Na modelagem matemática de circuitos elétricos, é preciso escolher a grandeza de análise e definir qual dos componentes do circuito é responsável pela saída. Seja o circuito elétrico abaixo, sabendo que a entrada é a fonte de tensão e a saída é a corrente no capacitor, assinale a alternativa que indica CORRETAMENTE a função de transferência no domínio da frequência desse circuito.

R1 =10 Ω
R2 =10 Ω
L=200 mH
C=500 mF
Provas
Com base no Diagrama de blocos apresentado abaixo, associe a segunda coluna com a primeira:

| I. H1(S) | ( ) Planta |
| II. H2(S) | ( ) Atuador |
| III. H3(S) | ( ) Sensor |
| IV. H4(S) | ( ) Controlador |
Assinale a alternativa que contém a sequência CORRETA de associação, de cima para baixo.
Provas
Para o diagrama de bode da figura abaixo, qual das alternativas a seguir apresenta a função de transferência do diagrama?

Provas
Leia as afirmativas em relação a transformação do Centro Federal de Educação Tecnológica de Santa Catarina - CEFET-SC em Instituto Federal de Educação, Ciência e Tecnologia - IFSC, que ocorreu em 2008.
I. Com a transformação de CEFET-SC para IFSC, as "Unidades de Ensino" passaram a ser denominadas "Câmpus".
II. No ano de 2008, o IFSC era composto pelos Câmpus de Florianópolis, São José, Jaraguá do Sul, Joinville, Chapecó, Araranguá e Florianópolis-Continente.
III. No ano de 2008, ocorreu a federalização das escolas comunitárias: Centro Politécnico Geraldo Werninghaus - CEPEG em Jaraguá do Sul e Centro Tecnológico Industrial Metal-Mecânico - CETIMM em Xanxerê, que passaram a compor os Câmpus do IFSC.
IV. O Câmpus Florianópolis-Continente, é a antiga Escola Catarinense de Gastronomia. V. A sede da Reitoria do IFSC está situada na cidade de Blumenau.
Assinale a alternativa que apresenta somente as alternativas CORRETAS.
Provas
Segundo a Lei nº 9394 de 1996 a educação profissional é composta por várias modalidades e níveis, qual a sequência CORRETA de cursos que inclui toda a educação profissional?
Provas
A avaliação do estágio probatório de servidor nomeado para cargo de provimento efetivo será realizada observando-se a sua aptidão e capacidade para o desempenho do cargo. Neste período, de acordo com o previsto na Lei nº 8.112/1990 serão observados os seguintes fatores:
Provas
No circuito a seguir usa se um Amplificador Operacional com ganho de malha aberta Avo = 3000 e alimentação com fonte simétrica de ± 15VCC. Assinale a alternativa que indica CORRETAMENTE o valor eficaz da tensão de saída Vs , quando a tensão de entrada Ve, for igual a 2Vrms, considerando todos os outros parâmetros do Amplificador Operacional ideal.

Provas
Caderno Container