Foram encontradas 40 questões.
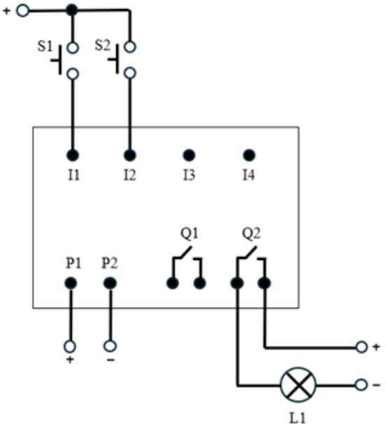
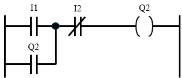
Considere o seguinte esquema elétrico de um CLP, elaborado para implementar uma lógica de selo no seu contato de saída Q2 para ligar/desligar uma lâmpada L1 por meio do acionamento das chaves S1 e S2:

Fonte: IFSP, 2024
Qual alternativa a seguir ilustra um programa, em Linguagem de Programação Ladder, para implementar a lógica acima descrita?
Provas
Os sistemas de comunicações digitais são sistemas que utilizam os mais diversos meios de transmissão (cabos, fibras ópticas, ar, vácuo) e carregam as mais variadas informações. Sistemas de transmissões, como o rádio, TV digital e os modems, entre outros, utilizam a modulação para modificar o espectro do sinal a ser transmitido. A modulação em amplitude AM consiste em modificar a amplitude da onda portadora para transmitir a informação. Considerando os sinais modulante m(t) = 5cos (2000πt) V e portadora m(t) = 4cos (40π x 103 t) V, e assumindo a modulação AM-DSB, qual é o índice de modulação μM e a largura de banda BAM?
Provas
Na indústria de radiodifusão, é comum que as antenas de transmissão FM (Frequência Modulada) sejam projetadas para ter um tamanho que corresponda a uma fração específica do comprimento de onda das ondas de rádio transmitidas. Isso é crucial para otimizar a eficiência da antena em termos de ganho e de cobertura de sinal.
Uma estação de rádio FM transmite na frequência de 100 MHz. Sabendo que a velocidade da luz é aproximadamente 3 × 108 m/s, e que a antena é projetada para ter um comprimento igual à metade do comprimento de onda da frequência transmitida, qual deve ser o comprimento da antena?
Provas
Sistemas lineares e invariantes no tempo têm fundamental importância nas áreas de processamento de sinais e sistemas de controle. Processamento de sinais é uma tecnologia que aplica algoritmos computacionais em dados digitais para a realização de operações específicas, tais como filtragem digital de sinais, reconhecimento de voz, tratamento de imagens, etc. Em processamento de sinais, a resposta ao impulso de um sistema permite calcular a saída para qualquer sinal de entrada, por meio da convolução deste com a resposta ao impulso do sistema. Um sistema linear tem a seguinte relação para a entrada x[n] e a saída y[n]:
y[n] = \( \begin{matrix} +\infty \\ \sum \\ k=-\infty \end{matrix} \) x[k] g [n - 2k]
Encontre y[n] dado que os sinais x[n] = δ [n - 1] e g[n] = u[n] - u[n - 3]
Provas
Na indústria atual, um importante sistema de controle é baseado nas técnicas proporcional, integral e derivativa . Em alguns casos, esses métodos são utilizados isoladamente e, em algumas aplicações, são utilizados conjuntamente. Sobre os métodos de controle proporcional, integral e derivativo, podemos afirmar somente que:
Provas
Leia, com atenção, os excertos abaixo:
“De hoje em diante, que fique combinado que não haverá mais ‘índio’ no Brasil. Fica acertado que os chamaremos indígenas, que é a mesma coisa que nativo, original de um lugar. Certo? Bem, calma lá. Alguém me soprou uma questão: mais índio e indígena não é a mesma coisa? Pois é. Não, não é. Digam o que disserem, mas ser um indígena é pertencer a um povo específico, Munduruku, por exemplo. Ser ‘índio’ é pertencer a quê? É trazer consigo todos os adjetivos não apreciados em qualquer ser humano. Ela é uma palavra preconceituosa, racista, colonialista, etnocêntrica, eurocêntrica. Acho melhor não a usarmos mais, não é?” (sic)
Fonte: São Paulo. Secretaria Municipal de Educação, 2019, p. 16.
“Ao mesmo tempo, a linguagem como produtora de conhecimento, ao não apresentar de maneira sistemática e elaborada elementos da história e da cultura africanas e afro-brasileiras, elimina não só a possibilidade de as crianças conhecerem tal história e cultura, como também leva à idéia de que não possuem importância, portanto sua ausência se torna normal, natural, a ponto de nem ser denunciada e desejada. Esse fato configura um círculo vicioso de silêncio e silenciamento, que dificulta a reflexão das crianças sobre as relações raciais no cotidiano escolar e, ao mesmo tempo, sobre o próprio pertencimento racial. Por extensão, que essas crianças reflitam e ajam sobre as discriminações experienciadas e percebidas no dia a dia.”
Fonte: Brasil. MEC, 2005, p. 99.
A partir dos excertos apresentados, um caminho eficaz que a escola deve assumir, considerando que o espaço escolar deve romper com práticas racistas e discriminatórias e promover uma educação que reconheça e promova a diversidade étnico-racial, é
Provas
Leia, com atenção, os excertos a seguir:
“A relação entre educação básica e profissional no Brasil está marcada historicamente pela dualidade. Nesse sentido, até o século XIX, não há registros de iniciativas sistemáticas que hoje possam ser caracterizadas como pertencentes ao campo da educação profissional. O que existia até então era a educação propedêutica para as elites, voltada para a formação de futuros dirigentes.
Fonte: Documento base da educação profissional técnica de nível médio integrada ao Ensino Médio, 2007, p. 10.
“Os Institutos Federais, com uma proposta singular de organização e gestão, no diálogo com as realidades regional e local e em sintonia com o global, costuram o tecido de uma rede social capaz de gerar, em resposta às demandas de desenvolvimento sustentável e inclusivo, arranjos e tecnologias educacionais próprios. Vislumbra-se que se constituam em marco nas políticas educacionais no Brasil, pois desvelam um projeto de nação que se pretende social e economicamente mais justa. Na esquina do tempo, essas instituições podem representar o desafio a um novo caminhar na produção e democratização do conhecimento.” (Pacheco, 2015, p. 27).
Com base na leitura dos excertos, é fundamental o entendimento de que a história da educação profissional no Brasil tem, na criação dos Institutos Federais, a afirmação do compromisso democrático, ético e cidadão de ruptura com a dualidade entre uma formação para a elite e outra para os trabalhadores. Nessa perspectiva, segundo Pacheco (2015), entre os conceitos fundamentais para a compreensão das concepções que orientam a criação dos Institutos Federais está:
Provas
Leia os textos abaixo:
Texto 1
“No que diz respeito à educação básica de jovens e adultos no Brasil, pode-se afirmar que predominam iniciativas individuais ou de grupos isolados, acarretando descontinuidades, contradições e descaso dos órgãos responsáveis (Moura, 2005). Por outro lado, a cada dia, aumenta a demanda social por políticas públicas perenes nessa esfera. Tais políticas devem pautar o desenvolvimento de ações baseadas em princípios epistemológicos que resultem em um corpo teórico bem estabelecido e que respeite as dimensões sociais, econômicas, culturais, cognitivas e afetivas do jovem e do adulto em situação de aprendizagem escolar (Cabello, 1998).” (Moura e Henrique, 2012, p. 115).
Texto 2
A história da educação de jovens e adultos no Brasil é marcada pela luta de diferentes segmentos sociais pela construção de políticas públicas eficazes e específicas para essa modalidade de ensino. No âmbito federal, o Programa Nacional de Integração da Educação Profissional à Educação Básica na Modalidade de Educação de Jovens e Adultos – PROEJA foi instituído em 2005 para que as instituições federais de educação profissional ofertassem cursos de formação inicial e continuada de trabalhadores e cursos técnicos de nível médio para a população jovem e adulta. (IFSP, 2024)
Após a leitura dos textos, analisando o que indicam os autores, entre os desafios enfrentados pelo PROEJA, destaca-se:
Provas
Leia, com atenção, o excerto abaixo:
“O projeto não é algo que é construído e em seguida arquivado ou encaminhado às autoridades educacionais como prova do cumprimento de tarefas burocráticas. Ele é construído e vivenciado em todos os momentos, por todos os envolvidos com o processo educativo da escola. O projeto busca um rumo, uma direção. É uma ação intencional, com um sentido explícito, com um compromisso definido coletivamente. Por isso, todo projeto pedagógico da escola é, também, um projeto político por estar intimamente articulado ao compromisso sociopolítico com os interesses reais e coletivos da população majoritária. É político no sentido de compromisso com a formação do cidadão para um tipo de sociedade.” (Veiga, 2011, p. 12-13)
Ao abordar a construção do projeto político pedagógico da escola, Veiga destaca sete elementos básicos coerentes com os princípios de igualdade, qualidade, liberdade, gestão democrática e valorização do magistério. Entre eles:
Provas
Leia o excerto abaixo:
“A prática da avaliação da aprendizagem, em seu sentido pleno, só será possível na medida em que se estiver efetivamente interessado na aprendizagem do educando, ou seja, há que se estar interessado em que o educando aprenda aquilo que está sendo ensinado. Parece um contrassenso essa afirmação, na medida em que podemos pensar que quem está trabalhando no ensino está interessado em que os educandos aprendam. Todavia, não é o que ocorre.” (Luckesi, 2011, p. 58-59)
Agora, analise a figura 1:

Fonte: Pimentel, Mariano; Carvalho, Felipe. Fragmento de infográfico (12/8/2021). Disponível em: https://horizontes.sbc.org.br/index.php/2021/08/equivocos-sobre-avaliacao/. Acesso em: 09 set. 2024.
Texto dos quadrinhos:
“Se tirar nota baixa, você será reprovado!”
“O que ainda preciso fazer para o aluno aprender?”
Após a leitura do excerto e a análise da figura 1, com base em Luckesi (2011), marque a opção correta sobre avaliação escolar:
Provas
Caderno Container