Foram encontradas 1.600 questões.
Quanto às bombas industriais afirma-se que:
I. As bombas de deslocamento positivo apresentam uma relação constante entre a vazão e a velocidade de acionamento.
II. As turbobombas possuem um órgão rotatório dotado de pás, que em operação, a velocidade do movimento das pás não é igual a velocidade de movimento do fluido.
III. O fenômeno chamado de cavitação ocorre somente em turbobombas.
Está(ão) correta(s) a(s) afirmativa(s)
Provas
Questão presente nas seguintes provas
Nas figuras abaixo as correntes I1, I2, I3 e I4 são geradas pelo movimento do ímã em relação a bobina.

As correntes com sentido convencional corretos são, respectivamente,
Provas
Questão presente nas seguintes provas
O computador que você trabalha na empresa está configurado para obter o endereço IP, automaticamente, via DHCP. Ao ligar o computador você observa pelo comando ipconfig que não há IP.
Ao ligar para o administrador de rede ele lhe informa que o servidor de DHCP não estava funcionando, mas que ele acaba de iniciá-lo. Em Windows Server 2003, para que você obtenha novamente um número IP automático o administrador manda que você utilize o seguintes comandos
Provas
Questão presente nas seguintes provas
Letting herself breathe easy now, Pecola covered her head with the quilt. The sick feeling, which(I) she had tried to prevent by holding in her stomach, came quickly in spite of her precaution. There surged in her the desire to heave, but as always, she knew she would not.
“Please, God,” she whispered into the palm of her hand. “Please make me disappear.” She squeezed her eyes shut. Little parts of her body faded away. Now slowly, now with(III) a rush. Slowly again. Her fingers went, one by one; then her arms disappeared all the way to the elbow. Her feet now. Yes, that was good. The legs all at once. It was hardest above the thighs. She had to be real still and pull. Her stomach would not go. But finally it, too, went away. Then her chest, her neck. The face was hard, too. Almost done, almost. Only her tight, tight eyes were left. They were always left.
Try as she might,(II) she could never get her eyes to disappear. So what was the point? They were everything. Everything was there, in them. All of those pictures, all of those faces. She had long ago given up the idea of running away to see new pictures, new faces, as Sammy had so often done. He never took her, and he never thought about his going ahead of time, so it was never planned. It wouldn't have worked anyway. As long as she looked the way she did, as long as she was ugly, she would have to stay with these people. Somehow she belonged to them. Long hours she sat looking in the mirror, trying to discover the secret of the ugliness, the ugliness that made her ignored or despised at school, by teachers and classmates alike. She was the only member of her class who sat alone at a double desk. The first letter of her last name forced her to sit in the front of the room always. But what about Marie Appolonaire? Marie was in front of her, but she shared a desk with Luke Angelino. Her teachers had always treated her this way. They tried never to glance at her, and called on her only when everyone was required to respond.
She also knew that when one of the girls at school wanted to be particularly insulting to a boy, or wanted to get an immediate response from him, she could say, ‘Bobby loves Pecola Breedlove! Bobby loves Pecola Breedlove!’ and never fail to get peals of laughter from those in earshot, and mock anger from the accused.
It had occurred to Pecola some time ago that if her eyes, those eyes that held the pictures, and knew the sights – if those eyes of hers were different, that is to say, beautiful, she herself would be different. Her teeth were good, and at least her nose was not big and flat like some of those who were thought so cute. If she looked different, beautiful, maybe Cholly would be different, and Mrs. Breedlove, too.
Maybe they'd say, “Why, look at pretty-eyed Pecola. We mustn't do bad things in front of those pretty eyes. “
Each night, without fail, she prayed for blue eyes. Fervently, for a year she had prayed. Although somewhat discouraged, she was not without hope. To have something as wonderful as that happen would take a long, long time. Thrown, in this way, into the binding conviction that only a miracle could relieve her, she would never know her beauty. She would see only what there was to see: the eyes of other people.
(…)
She walks down Garden Avenue to a small grocery store which sells penny candy. Three pennies are in her shoe – slipping back and forth between the sock and the inner sole. With each step she feels the painful press of the coins against her foot. A sweet, endurable, even cherished irritation, full of promise and delicate security. There is plenty of time to consider what to buy.
She climbs four wooden steps to the door of Yacobowski's Fresh Veg. Meat and Sundries Store. A bell tinkles as she opens it. Standing before the counter, she looks at the array of candies. All Mary Janes, she decides. Three for a penny. The resistant sweetness that breaks open at last to deliver peanut butter – the oil and salt which complement the sweet pull of caramel. A peal of anticipation unsettles her stomach.
She pulls off her shoe and takes out the three pennies. The grey head of Mr.
Yacobowski looms up over the counter. He urges his eyes out of his thoughts to encounter her. Blue eyes. Blear-dropped. Slowly, like Indian summer moving imperceptibly toward fall, he looks toward her. Somewhere between retina and object, between vision and view, his eyes draw back, hesitate and hover. At some fixed point in time and space he senses that he need not waste the effort of a glance.
He does not see her, because for him there is nothing to see. How can a fifty-two-year-old white immigrant storekeeper with the taste of potatoes and beer in his mouth, his mind honed on the doe-eyed Virgin Mary, his sensibilities blunted by a permanent awareness of loss, see a little black girl? Nothing in his life even suggested that the feat was possible, not to say desirable or necessary.
Edited from Morrison, Toni. The Bluest Eye. Book of the Month Club,
Inc 1998, pages 35-36.
I. The relative pronoun which introduces a defining relative clause.
II. The expression Try as she might can be replaced, without much change in meaning, by However hard she tried.
III. The word now in the segment Now slowly, now with a rush is an adverb and means the same as at times.
Which are correct, according to the text?
Provas
Questão presente nas seguintes provas
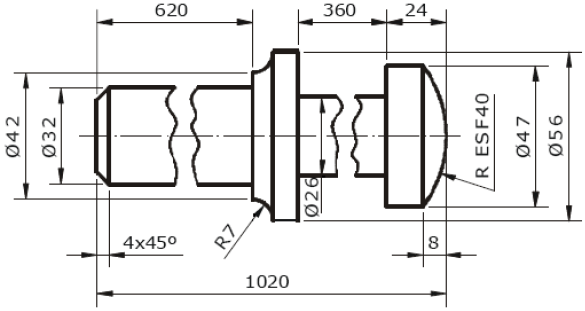
Abaixo, são citados quatro tipos de representações permitidas pela ABNT.
1. ¼ de vista.
2. Encurtamento de vista.
3. Meia-vista.
4. Interseção imaginária.
A seguir, são apresentados exemplos destes tipos de representações.
Associe, adequadamente, os exemplos aos tipos de representações citadas e preencha os parênteses:
( )

( )

( )

( )

A sequência correta de preenchimento dos parênteses, de cima para baixo, é:
Provas
Questão presente nas seguintes provas
A tensão de linha na saída de um inversor de frequência está ajustada para 110 V. A velocidade do rotor do motor de indução trifásico 220V; 60Hz de 4 pólos acionado por esse inversor é de aproximadamente
Provas
Questão presente nas seguintes provas
Uma laje de concreto armado com 12cm de espessura foi dimensionada para receber uma armadura composta por tela soldada Q283 (barras de 6mm CA 60, espaçados de 10cm em ambas as direções).
Como a empresa tem um crédito de barras soltas com o fornecedor, optou por adquirir barras CA 50 de 8mm e CA 60 de 5mm para executar esta laje. Quais deverão ser os espaçamentos adotados para as barras de 8mm e de 5mm, respectivamente, nestes novos arranjos?
Provas
Questão presente nas seguintes provas
Em um chopper buck, se o período de chaveamento for muito menor que a constante de tempo do circuito alimentado, dizemos que ele se encontra no modo de corrente
Provas
Questão presente nas seguintes provas
Observe os dois objetos apresentados abaixo.
Cada um está representado em uma determinada escala.
Considerando a medida informada para as alturas dos objetos, determine a escala empregada na representação de cada um, sabendo que no desenho as medidas das alturas do liquidificador e da geladeira são respectivamente 76,0 mm e 95,0 mm.

Sólido I – Liquidificador (I)
unidade: cm

Sólido II - Geladeira (II)
unidade: m
As respostas corretas são, respectivamente:
Provas
Questão presente nas seguintes provas
Sobre os componentes dos sistemas de refrigeração, afirma-se que:
I. O compressor é um dos principais componentes do sistema de refrigeração, sua função é aumentar a pressão do fluido refrigerante e promover a circulação desse fluido no sistema.
II. Quanto ao seu sistema de alimentação, os evaporadores podem ser classificados em: secos e inundados.
III. Em um sistema de refrigeração, o dispositivo de expansão tem a função de aumentar a pressão do refrigerante desde a pressão de condensação até a pressão de evaporação
Estão corretas as afirmativas:
Provas
Questão presente nas seguintes provas
Cadernos
Caderno Container