Foram encontradas 229 questões.
Os componentes básicos do computador são:
Provas
Questão presente nas seguintes provas
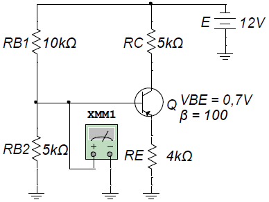
Observe a figura abaixo.

Nas condições em que o transistor, Q, está polarizado no circuito esquematizado na figura acima, a tensão medida pelo voltímetro terá valor de
Provas
Questão presente nas seguintes provas
Senso de humor no trabalho é uma competência de destaque
Luiz Carlos Cabrera
As conversas sobre o desempenho de executivos procuram descrever um conjunto ideal de competências, aquelas que garantiriam alta produtividade. As mais conhecidas são foco no resultado, capacidade de execução, capacidade analítica e competência de estabelecer e sustentar relações e alianças.
A minha privilegiada observação do cotidiano, em função da extensão da minha rede de relações depois de anos atuando como professor e headhunter, permite-me acrescentar uma competência que é eterna e fundamental: o senso de humor. Não me refiro ao piadismo barato, à gozação agressiva ou ao deboche.
O humor é uma demonstração clara de inteligência emocional e uma competência que se destaca nas relações profissionais. Falo de sagacidade, de leitura rápida do contexto. Os britânicos riem de supostos diálogos ácidos entre o primeiro-ministro Winston Churchill (1874 -1965) e Lady Nancy Astor (1879 –1964), primeira mulher a ocupar uma cadeira no parlamento britânico.
No mais célebre deles, Lady Astor diz: “Se o senhor fosse meu marido, eu colocaria veneno em seu chá”. E Churchill responde: “Madame, se a senhora fosse minha mulher, eu beberia”. Lady Astor, igualmente rápida, também tinha suas tiradas.
Em uma delas, Churchill pergunta com que personagem deveria ir a um baile à fantasia, e Lady Astor sugere: “Por que você não vai sóbrio, primeiro-ministro?”. Se esses diálogos ocorreram de fato, nunca se saberá. Mas são ótimos exemplos de pensamento ágil, agudo e bem-humorado.
O humor propicia o chamado alto-astral, facilita as relações, abre as portas e diminui as resistências. É possível pensá-lo como uma habilidade, aprimorável por meio da prática? Considero o senso de humor uma competência eterna, que se desenvolve ao longo da vida de um indivíduo.
Desde criança, a pessoa tem maior interesse (ou é estimulada) a avaliar o contexto, a contar histórias e a reproduzir situações. O desenvolvimento de um olhar crítico começa na tenra infância.
O bom humor é antes de tudo um sinal de que a pessoa está balanceada, que seus sentimentos e opiniões estão equilibrados. A pessoa bem-humorada pensa com o cérebro e sente com o coração. O senso de humor tem de ser perseguido, requer uma abertura para olhar o mundo por vários ângulos, pede uma mente alerta e ativa e em geral se expressa por um gesto milenar e universal: o sorriso. Sorria!
Vocabulário:
headhunter – termo em inglês que significa “caçador de cabeças”, ou seja, recrutador dos melhores profissionais do mercado.
Disponível em: <http://exame.abril.com.br/revista-voce-sa/edicoes/178/noticias/humor-competencia-eterna> Acesso em: 10 jul. 2016. (adaptado)
Observe o fragmento abaixo:
“Por que você não vai sóbrio, primeiro-ministro?”
Em que frase, a lacuna deve ser preenchida com a mesma forma destacada no fragmento?
Provas
Questão presente nas seguintes provas
- Fundamentos de ProgramaçãoAlgoritmosConstrução de Algoritmos
- Fundamentos de ProgramaçãoEstruturas de Seleção
- Fundamentos de ProgramaçãoLógica de Programação
- Fundamentos de ProgramaçãoOperadoresOperadores Lógicos
Considere o algoritmo abaixo:
1. Inicio
2. A=6
3. B=7
4. C=8
5. Se (A>=B) E (C<A+3) OU (C<B) então
6. Escreva(A)
7. Senão
8. Se (B>C) OU ((C>A) E (A<B)) então
9. Escreva (B)
10. Fimse
11. Se ((B<C) E (C>A)) OU (A>B) então
12. Escreva(C)
13. Fimse
14. Fimse
15. Fim
Qual (is) valor (es) será (ão) exibido (s) como resultado após a execução do algoritmo?
Provas
Questão presente nas seguintes provas
Com referência aos ângulos da cunha cortante de uma ferramenta de barra para torno pode-se afirmar que ângulo
Provas
Questão presente nas seguintes provas
De acordo com a lei nº 9.784/99 que regula o processo administrativo, no âmbito da administração pública federal, assinale (V), para as verdadeiras, e (F), para as falsas.
( ) O processo administrativo deve iniciar a pedido do interessado.
( ) A administração deve anular seus próprios atos, quando eivados de vício de legalidade, e pode revogá-los por motivo de conveniência ou oportunidade, respeitados os direitos adquiridos.
( ) O processo deverá ter suas páginas numeradas sequencialmente e rubricadas.
( ) Os atos administrativos só podem ser anulados mediante decisão judicial.
A ordem correta, de cima para baixo, é
Provas
Questão presente nas seguintes provas
Qual a função de um Snubber?
Provas
Questão presente nas seguintes provas
2520856
Ano: 2016
Disciplina: TI - Organização e Arquitetura dos Computadores
Banca: IF-SUL
Orgão: IF-SUL
Disciplina: TI - Organização e Arquitetura dos Computadores
Banca: IF-SUL
Orgão: IF-SUL
Provas:
Considerando que RAID significa agrupamento redundante de discos independentes que consiste em sete níveis: de zero a seis.
O nível que contempla o espelhamento obtido pela redundância, através da simples duplicação dos dados, onde os dados são intercalados em tiras, e cada tira lógica é mapeada em dois discos físicos separados, de modo que cada disco do agrupamento tenha como espelho um outro disco, que contém os mesmos dados é o
Provas
Questão presente nas seguintes provas
Considerando que o chuveiro especificado na questão 2 está instalado em uma residência alimentada em 220 V e nela moram 3 pessoas que , cada uma, leva em média 15 min no banho, com o chuveiro na posição inverno. O cálculo do custo mensal dos banhos, sabendo que 1 kWh custa R$0,75, é de
Provas
Questão presente nas seguintes provas
Relacione as colunas abaixo de acordo com as partes internas de um livro.
(1) Índice
(2) Folha de rosto
(3) Sumário
(4) Glossário
( ) Enumeração das principais divisões, seções e outras partes do livro, na ordem em que se sucedem.
( ) Lista em ordem alfabética de palavras ou expressões técnicas, acompanhadas das respectivas definições.
( ) Folha em que o autor apresenta uma citação, seguida da autoria, relacionada com o assunto do corpo do livro.
( ) Lista alfabética de autores e/ou assuntos com indicações das páginas em que são encontradas.
( ) Contém os elementos essenciais que identificam um livro: autor, título, editora.
A sequência correta, de cima para baixo, é
Provas
Questão presente nas seguintes provas
Cadernos
Caderno Container