Foram encontradas 1.000 questões.
Observe a tabela verdade abaixo:

Considerando A, B, C e D como entradas e S como a saída, a expressão booleana simplificada com a menor quantidade de operações lógicas que satisfaz a tabela é:
Provas
Provas
Observe o diagrama ladder abaixo.
Figura 3

Fonte: O autor
Sabendo que E1 e E2 são entradas e que S1 é uma saída do controlador lógico programável (CLP), que inicialmente está desligada, afirma-se que, logo após o CLP ser energizado,
Provas
Uma das vantagens do uso de Pequenas Centrais Hidrelétricas (PCHs) é que
Provas
Com base nesse cenário, qual das seguintes afirmações é verdadeira?
Provas
Considerando que o sistema utiliza uma bateria com tensão de 48V, qual é a capacidade mínima da bateria necessária para garantir o tempo de autonomia solicitado?
Provas
- EletrotécnicaCircuitos Elétricos em Eletricidade
- EletrotécnicaCircuitos de Corrente Contínua e de Corrente Alternada
Provas
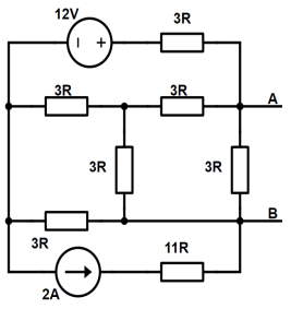
Uma das técnicas utilizadas para resolver circuitos elétricos é a análise dos circuitos equivalentes de Norton e Thévenin.
Para o circuito apresentado, qual o valor do resistor equivalente de Norton (RN) entre os pontos A e B?
Figura 02

Fonte: O autor
Provas
O circuito abaixo encontra-se em regime permanente com a chave CH fechada.
Após a abertura da chave CH, qual será o valor máximo da tensão no ponto Vx?
Figura 01

Fonte: O autor
Provas
- Gestão EstratégicaMissão, Visão e Negócio
- PODC: Processo OrganizacionalProcesso Administrativo: PlanejamentoPlanejamento Estratégico, Tático e Operacional
Sobre a missão e visão organizacional, é correto afirmar:
Provas
Caderno Container