Foram encontradas 1.055 questões.
– Uma carga de 1KW está conectada a uma linha de 220V e apresenta Fator de Potência (FP) 0,707 indutivo. A empresa que fornece energia para os consumidores industriais está exigindo FP unitário. Determine o valor do banco de capacitor que corrige o fator de potência. A frequência da rede elétrica é de 60Hz. Considere valor de !$ \pi !$ = 3,14 e o valor arredondado sem casas decimais.
Provas
Sabendo que as lâmpadas apresentam as potências de 80W e 100W se forem ligadas diretamente na rede elétrica na tensão de 100V, determine a corrente fornecida pela fonte no circuito elétrico se elas foram ligadas conforme o esquema elétrico da figura abaixo. Considere todas as tensões RMS e os valores arredondados com 2 casas decimais.

Provas
Sobre instrumentos de medidas elétricas aplicados aos circuitos de corrente alternada (CA), analise as assertivas a seguir:
I. Para observarmos valor de pico da tensão, devemos utilizar multímetro digital, pois ele mostrar diretamente o valor de pico.
II. O wattímetro é um instrumento de medição capaz de medir a potência elétrica fornecida ou dissipada.
III. Para medir a corrente Eficaz, devemos usar um amperímetro digital, pois ele fornece a corrente já neste formato.
Quais estão corretas?
Provas
O dispositivo Diferencial-Residual (DR) para proteção contra contatos diretos, nos circuitos, tem sua obrigatoriedade de instalação predial mesmo que exista esquemas de aterramento sempre que:
Provas
Os sensores transdutores são aqueles capazes de medir grandezas físicas. Sobre esses tipos de sensores, é INCORRETO afirmar que:
Provas
Para medir a vibração de um motor elétrico de indução, o sensor que deve ser utilizado é:
Provas
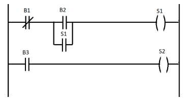
A linguagem denominada Ladder funciona muito similar a diagramas elétricos e sua simbologia, representando seus elementos interligados através de um diagrama lógico.

Considerando Ladder, temos três botões B1, B2 e B3 fisicamente normalmente abertos. Assinale a alternativa que descreve de forma correta o comportamento do sistema.
Provas
Relacione a Coluna 1 à Coluna 2, associando o tipo de sensor à característica respectiva.
Coluna 1
1. Sensores de proximidade ópticos.
2. Sensores de proximidade ultrassônicos.
3. Sensores de proximidade indutivos.
4. Sensores de proximidade capacitivos.
5. Termopares.
6. Termorresistências.
Coluna 2
( ) São dispositivos elétricos para medição de temperatura. A sua maior limitação é a exatidão, uma vez que erros inferiores a 1°C são difíceis de obter.
( ) Capazes de detectar a presença de diferentes objetos, com exceção daqueles transparentes ou escuros (não ocorre reflexão).
( ) Medem a amplitude e o tempo do deslocamento do pulso sonoro de um obstáculo até o receptor em determinado meio.
( ) Usam a alteração do campo magnético em uma região para detectar a presença de um objeto metálico.
( ) São sensores cujo princípio de funcionamento baseia-se na variação da resistência elétrica do elemento condutor em função da temperatura.
( ) São amplamente utilizados para detecção de materiais que apresentam condutividade dielétrica.
A ordem correta de preenchimentos dos parênteses, de cima para baixo, é:
Provas
Nos processos existem uma variedade de instrumentos inteligentes que realizam o controle dos sistemas. Em relação aos elementos finais de controle, analise as assertivas abaixo, assinalando V, se verdadeiras, ou F, se falsas.
( ) Reservatórios, controlador lógico programável e bombas.
( ) Reservatórios, bombas e tanques.
( ) Bombas, resistência elétrica e tanques.
( ) Bombas, válvulas e resistência elétrica.
A ordem correta de preenchimento dos parênteses, de cima para baixo, é:
Provas
Em relação à tecnologia de atuadores e suas características de funcionamento, assinale V, se verdadeiro, ou F, se falso, nas afirmações abaixo.
( ) Os acionamentos pneumáticos têm como característica alta precisão no posicionamento.
( ) Acionamentos hidráulicos se caracterizam pela capacidade de movimentação de grandes cargas.
( ) Acionamentos pneumático apresentam altas velocidades de movimentação.
( ) Acionamentos elétricos se caracterizam principalmente pela alta capacidade de posicionamento.
A ordem correta de preenchimentos dos parênteses, de cima para baixo, é:
Provas
Caderno Container