Foram encontradas 380 questões.
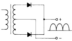
A figura 1 mostra o esquema de um circuito retificador de tensão implementado com diodos semicondutores. Com base na figura, qual das alternativas está incorreta.
Figura 1

Provas
Na fonte do circuito da figura 7 os diodos e os transistores são de silício (Vbe=0.7) e a tensão do diodo Zener é de 6.8 V. A entrada no transformador é conectada à rede elétrica de 120 V (RMS)/60 Hz e o transformador possui uma relação de espiras de n1/n2 = 6 entre o enrolamento primário e o secundário.

O valor mais próximo para a tensão de saída, em relação ao referencial de terra, é de:
Provas
Considere uma indústria na qual o consumo mensal de energia elétrica gira em torno de 50611kWh, cuja conta de energia fornecida pela concessionária indica 275kW como demanda máxima. A indústria funciona, em média, 16.25 horas por dia e 25 dias por mês. Nestas condições, a demanda média desta indústria será:
Provas
Os esquemas de aterramento TT, TN e IT estão devidamente definidos na norma NBR 5410. De acordo com essa norma, podemos descrever o esquema TN como sendo:
Provas
Marque a alternativa abaixo que apresenta a definição correta para “Aterramento de Proteção”:
Provas
Um gerador Y balanceado de 220V de linha operando em sequência positiva de fases alimenta uma carga Y a quatro fios formada pelas impedâncias Z1=(10.39+j6)ohms, Z2=(3+j5.20)ohms, Z3=(7.07+j7.07)ohms. O módulo da corrente de neutro nesse sistema trifásico é de:
Provas
No circuito capacitivo abaixo, a carga Q1 e a tensão V1 no capacitor C1 são respectivamente:

Provas
Uma turbina de uma usina hidrelétrica gera energia de 100MWh, abastecendo uma região com tensão de 110V. Marque a alternativa abaixo que apresenta o número de lâmpadas de 200W/110V que essa turbina pode alimentar simultaneamente sem ultrapassar o seu limite de geração.
Provas
No circuito abaixo, a tensão e4 e a corrente i são respectivamente:

Provas
“A característica básica da resposta transitória de um sistema de malha fechada depende essencialmente da localização dos pólos de malha fechada. Se o ganho de malha fechada do sistema for variável, então a localização dos pólos de malha fechada dependerá do valor do ganho de malha escolhido. É importante, então, que o projetista saiba como os pólos de malha fechada se movem no plano s, à medida que o ganho de malha varia.” Com base na afirmação acima, podemos definir o “Método Gráfico do Lugar das Raízes” como sendo:
Provas
Caderno Container