Foram encontradas 56 questões.
Observe o circuito a seguir.

A impedância nos terminais A-B é igual a:
Provas
Questão presente nas seguintes provas
- Proteção de Sistemas ElétricosProteção em Média Tensão
- Sistemas Elétricos de PotênciaDistribuição de Energia Elétrica
Analise o quadro a seguir, no qual foram listadas as
características da utilização de um dos dispositivos de
segurança nas instalações elétricas. • Locais com grande concentração de umidade.
• Partes metálicas conectadas à terra que se
tornem vivas.
• Perigo de incêndio devido a faltas à terra.
• Pessoas ou animais contra contatos acidentais
com partes vivas.
• Presença de falhas à terra em instalações em
más condições de conservação.
• Presença de faltas à terra provocadas por
aparelhos eletrodomésticos. Nesse caso, o dispositivo utilizado é um:
Provas
Questão presente nas seguintes provas
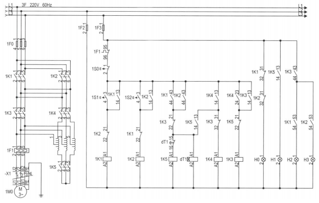
Analise, a seguir, os circuitos de carga e comando de um motor trifásico.

Nesse caso, o dispositivo de partida utilizado é uma chave:
Provas
Questão presente nas seguintes provas
- Gestão Estratégica
- PODC: Processo OrganizacionalProcesso Administrativo: OrganizaçãoEstratégia Organizacional
As organizações podem estar dispostas a obter as
certificações ambiental (ABNT NBR ISO 14001:2005), da
qualidade (ABNT NBR ISO 9001:2015) e da segurança
(BS OHSAS 18001:2007) ou, pelo menos, a manter
sistemas de gestão para essas áreas. Nesse caso,
haveria vantagens para as organizações em implantar
um único sistema de gestão, integrando os processos
para atender aos requisitos de duas ou três das normas.
São benefícios potenciais da integração, EXCETO:
São benefícios potenciais da integração, EXCETO:
Provas
Questão presente nas seguintes provas
- Gestão Estratégica
- PODC: Processo OrganizacionalProcesso Administrativo: OrganizaçãoEstratégia Organizacional
Sobre o nível de escolaridade que o auditor interno deve
possuir para cumprir a sua função, em sistema de gestão
integrado que atende, simultaneamente, as normas
ABNT NBR ISO 9001:2015, ABNT NBR ISO 14001:2015
e BS OHSAS 18001:2007, assinale a alternativa
CORRETA.
Provas
Questão presente nas seguintes provas
De acordo com a norma ABNT NBR ISO 9001:2015,
a organização deve determinar e prover recursos
necessários para assegurar resultados válidos e
confiáveis quando a medição for usada para verificar
a conformidade de produtos. Isto requer algum
conhecimento de metrologia.
A esse respeito, assinale a alternativa INCORRETA.
A esse respeito, assinale a alternativa INCORRETA.
Provas
Questão presente nas seguintes provas
As normas ABNT NBR ISO 9001 e 14001 sofreram
alterações recentes, em 2015, incluindo mudanças em
terminologia e em requisitos. As organizações tiveram
ou estão tendo de se adaptar a essas mudanças.
No que diz respeito às alterações ABNT NBR ISO 9001:2015, assinale com V as afirmativas verdadeiras e com F as falsas.
( )Manter procedimentos, instruções, declarações e documentos gerais passou a ser “manter informação documentada”. ( )Manter registros passou a ser “reter informação documentada”. ( )Não há mais o requisito de definição de um único representante da direção. ( )As organizações não podem mais decidir se um requisito da norma é ou não é aplicável.
Assinale a sequência CORRETA.
No que diz respeito às alterações ABNT NBR ISO 9001:2015, assinale com V as afirmativas verdadeiras e com F as falsas.
( )Manter procedimentos, instruções, declarações e documentos gerais passou a ser “manter informação documentada”. ( )Manter registros passou a ser “reter informação documentada”. ( )Não há mais o requisito de definição de um único representante da direção. ( )As organizações não podem mais decidir se um requisito da norma é ou não é aplicável.
Assinale a sequência CORRETA.
Provas
Questão presente nas seguintes provas
Analise o seguinte caso.
Uma empresa tem seu sistema de gestão da qualidade certificado conforme a ABNT NBR ISO 9001:2015. Em um determinado momento, ela recebeu uma reclamação de cliente sobre seu produto, que não apresentou a performance esperada no seu uso habitual. Na análise da reclamação, a organização descobriu que a performance insuficiente estava ligada a uma característica de qualidade não solicitada pelo cliente na negociação do contrato relativa ao produto reclamado.
A esse respeito, avalie as afirmativas a seguir.
I. Uma vez que a característica em questão não estava especificada em contrato, a empresa deveria considerar a reclamação como improcedente, mas pode considerar aceitar a devolução para manter as boas relações com o cliente. II. Independentemente da característica em questão estar ou não especificada em contrato, a organização deve considerar a reclamação como procedente, pois cabe à empresa assegurar que todos os requisitos de produtos sejam identificados antes de se comprometer a fornecê-los. III. Independentemente de a característica em questão estar ou não especificada em contrato, a organização deve considerar a reclamação como procedente, pois a empresa deve assegurar que o seu produto atenda ao uso especificado ou pretendido (no caso, uso habitual). IV. Se a reclamação for classificada como procedente, a empresa é obrigada pela norma ABNT NBR ISO 9001:2015 a analisar a causa do problema e a tomar uma ação corretiva, independentemente de normas internas e de solicitação do cliente.
Está(ão) correta(s) a(s) afirmativa(s):
Uma empresa tem seu sistema de gestão da qualidade certificado conforme a ABNT NBR ISO 9001:2015. Em um determinado momento, ela recebeu uma reclamação de cliente sobre seu produto, que não apresentou a performance esperada no seu uso habitual. Na análise da reclamação, a organização descobriu que a performance insuficiente estava ligada a uma característica de qualidade não solicitada pelo cliente na negociação do contrato relativa ao produto reclamado.
A esse respeito, avalie as afirmativas a seguir.
I. Uma vez que a característica em questão não estava especificada em contrato, a empresa deveria considerar a reclamação como improcedente, mas pode considerar aceitar a devolução para manter as boas relações com o cliente. II. Independentemente da característica em questão estar ou não especificada em contrato, a organização deve considerar a reclamação como procedente, pois cabe à empresa assegurar que todos os requisitos de produtos sejam identificados antes de se comprometer a fornecê-los. III. Independentemente de a característica em questão estar ou não especificada em contrato, a organização deve considerar a reclamação como procedente, pois a empresa deve assegurar que o seu produto atenda ao uso especificado ou pretendido (no caso, uso habitual). IV. Se a reclamação for classificada como procedente, a empresa é obrigada pela norma ABNT NBR ISO 9001:2015 a analisar a causa do problema e a tomar uma ação corretiva, independentemente de normas internas e de solicitação do cliente.
Está(ão) correta(s) a(s) afirmativa(s):
Provas
Questão presente nas seguintes provas
Em acordo com a definição de “ação corretiva” da ABNT
NBR ISO 9000:2015 e estendendo a sua aplicação às
normas ABNT NBR ISO 9001:2015, ABNT NBR ISO
14001:2015 e BS OHSAS 18001:2007, analise as ações
descritas a seguir.
I. A organização providencia reparo de produto fornecido por ela nas instalações do cliente. II. A organização assegura a realização de cirurgia reparadora em empregado que durante a sua jornada de trabalho sofreu queimadura no rosto. III. Aorganização promove alteração e treina pessoal na sua Instrução de Trabalho relativa a Registros, para evitar danos a eles como em ocorrência reportada em auditoria interna. IV. A organização habilita novos auditores para minimizar a possibilidade de eventual comprometimento futuro do seu Plano de Auditoria decorrente do aumento previsto no escopo do sistema de gestão. V. A organização indeniza as pessoas da comunidade afetadas por vazamento de material tóxico.
É(são) ação(ões) corretiva(s) a(s) que consta(m) em:
I. A organização providencia reparo de produto fornecido por ela nas instalações do cliente. II. A organização assegura a realização de cirurgia reparadora em empregado que durante a sua jornada de trabalho sofreu queimadura no rosto. III. Aorganização promove alteração e treina pessoal na sua Instrução de Trabalho relativa a Registros, para evitar danos a eles como em ocorrência reportada em auditoria interna. IV. A organização habilita novos auditores para minimizar a possibilidade de eventual comprometimento futuro do seu Plano de Auditoria decorrente do aumento previsto no escopo do sistema de gestão. V. A organização indeniza as pessoas da comunidade afetadas por vazamento de material tóxico.
É(são) ação(ões) corretiva(s) a(s) que consta(m) em:
Provas
Questão presente nas seguintes provas
INSTRUCTION: Read the cartoon and answer to the question.

Available at: <http://www.glasbergen.com/wp-content/gallery/ cartoons-about-reading/toon-3448.gif>. Accessed on: Dec 7th, 2017.
Provas
Questão presente nas seguintes provas
Cadernos
Caderno Container