Foram encontradas 160 questões.
Texto para a questão.

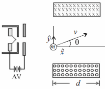
A figura acima representa esquematicamente um filamento produtor de elétrons e uma bobina de comprimento e diâmetro d, que funciona como uma lente eletromagnética. Os elétrons são acelerados por uma diferença de potencial ΔV. O corte transversal da lente mostra que a corrente produtora do campo magnético penetra na parte de cima e sai na parte de baixo da bobina. Nessa representação, um elétron de massa m penetra na região da bobina com velocidade v e faz um ângulo !$ \theta !$ com o eixo x.

A figura representa o esquema de um típico detector de elétrons secundários na microscopia eletrônica. As letras A, B e C mostram três etapas deste detector que são, respectivamente,
Provas
Texto para a questão.

A figura acima representa esquematicamente um filamento produtor de elétrons e uma bobina de comprimento e diâmetro d, que funciona como uma lente eletromagnética. Os elétrons são acelerados por uma diferença de potencial ΔV. O corte transversal da lente mostra que a corrente produtora do campo magnético penetra na parte de cima e sai na parte de baixo da bobina. Nessa representação, um elétron de massa m penetra na região da bobina com velocidade v e faz um ângulo !$ \theta !$ com o eixo x.

Considerando que o campo magnético B é constante em todo interior da bobina, o tempo que o elétron e leva para percorrê-la e inverter a componente y da velocidade, de acordo com a figura acima, é dado por
Provas
Texto para a questão.

A figura acima representa esquematicamente um filamento produtor de elétrons e uma bobina de comprimento e diâmetro d, que funciona como uma lente eletromagnética. Os elétrons são acelerados por uma diferença de potencial ΔV. O corte transversal da lente mostra que a corrente produtora do campo magnético penetra na parte de cima e sai na parte de baixo da bobina. Nessa representação, um elétron de massa m penetra na região da bobina com velocidade v e faz um ângulo !$ \theta !$ com o eixo x.
Considere que a bobina seja ideal, tenha n espiras por unidade de comprimento e seja percorrida por uma corrente ib. O vetor campo magnético !$ \vec{B} !$ no centro da espira pode ser expresso pela relação
Provas
A situação em que um próton tem comprimento de onda de Broglie igual ao comprimento de onda de Broglie do elétron ocorre quando
Provas
Texto para a questão.
Ao se discutir ondas em sólidos, deve-se levar em consideração o caráter discreto da rede cristalina. O caráter contínuo só pode ser considerado no limite de grandes comprimentos de onda onde o espaçamento interatômico é muito menor que tais comprimentos de onda. Entretanto, à medida que esses comprimentos de onda diminuem, o caráter discreto da rede sobressai fazendo com que os átomos espalhem as ondas, impedindo sua propagação. Para uma rede cristalina, características tais como simetrias, modos de vibração, velocidades de fase e de grupo podem ser estudadas por meio da representação de curva de dispersão, que relaciona frequência ω com vetor de onda q.
A figura acima mostra uma curva de dispersão !$ \omega = \omega_m | sen \left ( { \large qa \over 2} \right) | !$, para uma rede monoatômica unidimensional com constante de rede a e interação somente entre os primeiros vizinhos, em que !$ \omega_m = \left ( { \large 4 a \over m} \right)^{ \large 1 \over 2} !$ é a frequência máxima no espaço dos q’s; α a constante de força interatômica e m, a massa de cada átomo.
O valor da constante de força interatômica α para uma cadeia linear monoatômica, em que cada átomo tem massa de 1x10-26 kg, e que atenua fortemente uma radiação infravermelha de comprimento de onda de 10 μm, em N/m, é igual a
Provas
Texto para a questão.
Ao se discutir ondas em sólidos, deve-se levar em consideração o caráter discreto da rede cristalina. O caráter contínuo só pode ser considerado no limite de grandes comprimentos de onda onde o espaçamento interatômico é muito menor que tais comprimentos de onda. Entretanto, à medida que esses comprimentos de onda diminuem, o caráter discreto da rede sobressai fazendo com que os átomos espalhem as ondas, impedindo sua propagação. Para uma rede cristalina, características tais como simetrias, modos de vibração, velocidades de fase e de grupo podem ser estudadas por meio da representação de curva de dispersão, que relaciona frequência ω com vetor de onda q.
A figura acima mostra uma curva de dispersão !$ \omega = \omega_m | sen \left ( { \large qa \over 2} \right) | !$, para uma rede monoatômica unidimensional com constante de rede a e interação somente entre os primeiros vizinhos, em que !$ \omega_m = \left ( { \large 4 a \over m} \right)^{ \large 1 \over 2} !$ é a frequência máxima no espaço dos q’s; α a constante de força interatômica e m, a massa de cada átomo.

Observando a figura acima, vê-se que a propriedade de simetria periódica é evidenciada para dois comprimentos de onda, λ = 4a e !$ \lambda = { \large 4 a \over 5} !$ . Como se pode observar pelos círculos, o movimento na rede é fisicamente igual. A partir desse contexto, é correto afirmar que a defasagem em frequência, em radianos, é igual a
Provas
Texto para a questão.
Ao se discutir ondas em sólidos, deve-se levar em consideração o caráter discreto da rede cristalina. O caráter contínuo só pode ser considerado no limite de grandes comprimentos de onda onde o espaçamento interatômico é muito menor que tais comprimentos de onda. Entretanto, à medida que esses comprimentos de onda diminuem, o caráter discreto da rede sobressai fazendo com que os átomos espalhem as ondas, impedindo sua propagação. Para uma rede cristalina, características tais como simetrias, modos de vibração, velocidades de fase e de grupo podem ser estudadas por meio da representação de curva de dispersão, que relaciona frequência ω com vetor de onda q.
A figura acima mostra uma curva de dispersão !$ \omega = \omega_m | sen \left ( { \large qa \over 2} \right) | !$, para uma rede monoatômica unidimensional com constante de rede a e interação somente entre os primeiros vizinhos, em que !$ \omega_m = \left ( { \large 4 a \over m} \right)^{ \large 1 \over 2} !$ é a frequência máxima no espaço dos q’s; α a constante de força interatômica e m, a massa de cada átomo.
No limite de grandes comprimentos de onda, a dispersão da rede é representada pelas retas no gráfico. Nesse caso, o valor da razão !$ r = \omega/q !$e o seu significado físico são, respectivamente,
Provas
Texto para a questão.
Ao se discutir ondas em sólidos, deve-se levar em consideração o caráter discreto da rede cristalina. O caráter contínuo só pode ser considerado no limite de grandes comprimentos de onda onde o espaçamento interatômico é muito menor que tais comprimentos de onda. Entretanto, à medida que esses comprimentos de onda diminuem, o caráter discreto da rede sobressai fazendo com que os átomos espalhem as ondas, impedindo sua propagação. Para uma rede cristalina, características tais como simetrias, modos de vibração, velocidades de fase e de grupo podem ser estudadas por meio da representação de curva de dispersão, que relaciona frequência ω com vetor de onda q.
A figura acima mostra uma curva de dispersão !$ \omega = \omega_m | sen \left ( { \large qa \over 2} \right) | !$, para uma rede monoatômica unidimensional com constante de rede a e interação somente entre os primeiros vizinhos, em que !$ \omega_m = \left ( { \large 4 a \over m} \right)^{ \large 1 \over 2} !$ é a frequência máxima no espaço dos q’s; α a constante de força interatômica e m, a massa de cada átomo.
Em !$ q = { \large \pi \over a} !$, velocidade de grupo, vg, é dada por !$ \xi\,a \omega_m !$, em que !$ \xi !$ é igual a
Provas
O processo de transferência de energia térmica entre os extremos de uma barra sólida para a diferentes valores de temperatura é descrito pela equação !$ Q = K { \large dT \over dx} !$ , em que K é condutividade térmica. Nessa equação, o que caracteriza este processo como difuso é o fato de
Provas
Para intervalos de temperatura T entre 250 K e 400 K, a razão entre condutividade térmica e elétrica dos metais !$ \left ( { \large K \over \sigma} \right) !$ é proporcional a
Provas
Caderno Container