Foram encontradas 100 questões.
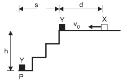
Animado com velocidade inicial !$ v_0 !$, o objeto X, de massa m, desliza sobre um piso horizontal ao longo de uma distância d, ao fim da qual colide com o objeto Y, de mesma massa, que se encontra inicialmente parado na beira de uma escada de altura h. Com o choque, o objeto Y atinge o solo no ponto P. Chamando !$ μ_k !$ o coeficiente de atrito cinético entre o objeto X e o piso, g a aceleração da gravidade e desprezando a resistência do ar, assinale a expressão que dá a distância d.
Provas
Questão presente nas seguintes provas
Considere os seguintes óxidos (I, ll, III, IV e V):
I. !$ CaO !$
lI. !$ N_2O_5 !$
III.!$ Na_2O !$
IV. !$ P_2O_5 !$
V. !$ SO_3 !$
Assinale a opção que apresenta os óxidos que, quando dissolvidos em água pura, tornam o meio ácido.
Provas
Questão presente nas seguintes provas
Considere o polinômio !$ p(x) = x^3-(a+1)x+a !$, onde !$ a ∈ \mathbb{Z} !$. O conjunto de todos os valores de a, para os quais o polinômio !$ p(x) !$ só admite raízes inteiras, é
Provas
Questão presente nas seguintes provas
Considere duas ondas que se propagam com freqüências !$ f_1 !$ e !$ f_2 !$, ligeiramente diferentes entre si, e mesma amplitude A, cujas equações são respectivamente !$ y_1(t) = A \cos (2 \pi f_1t) !$ e !$ y_2(t) = A \cos (2 \pi f_2t) !$.
Assinale a opção que indica corretamente:
Provas
Questão presente nas seguintes provas
Um fio delgado e rígido, de comprimento L, desliza, sem atrito, com velocidade v sobre um anel de raio R, numa região de campo magnético constante !$ \overrightarrow{B} !$.
Pode-se, então, afirmar que:
Provas
Questão presente nas seguintes provas
Leia a tira abaixo e responda a questão.

Comics-Sunday September 15, 2002
I was dragged, no início do quinto quadrinho, significa
Provas
Questão presente nas seguintes provas
Considere as afirmações abaixo, todas relacionadas a átomos e íons no estado gasoso:
I. A energia do íon !$ Be^{2+} !$, no seu estado fundamental, é igual à energia do átomo de He neutro no seu estado fundamental.
II. Conhecendo a segunda energia de ionização do átomo de He neutro, é possível conhecer o valor da afinidade eletrônica do íon !$ He^{2+} !$.
III.Conhecendo o valor da afinidade eletrônica e da primeira energia de ionização do átomo de Li neutro, é possível conhecer a energia envolvida na emissão do primeiro estado excitado do átomo de Li neutro para o seu estado fundamental.
IV.A primeira energia de ionização de íon !$ H^– !$ é menor do que a primeira energia de ionização do átomo de H neutro.
V. O primeiro estado excitado do átomo de He neutro tem a mesma configuração eletrônica do primeiro estado excitado do íon !$ Be^{2+} !$.
Então, das afirmações acima, estão CORRETAS
Provas
Questão presente nas seguintes provas
São fornecidas as seguintes informações a respeito de titulação ácido-base:
a) A figura mostra as curvas de titulação de 30,0 mL de diferentes ácidos (I, ll, llI, IV e V), todos a !$ 0,10 \,mol\, L^{–1} !$, com uma solução aquosa !$ 0,10 \,mol\, L^{–1} !$ em !$ NaOH !$.
b) O indicador fenolftaleína apresenta o intervalo de mudança de cor entre pH 8,0 a 10,0, e o indicador vermelho de metiIa, entre pH 4,0 a 6,0.
Considerando estas informações, é CORRETO afirmar que
Provas
Questão presente nas seguintes provas
Numa circunferência !$ C_1 !$ de raio !$ r}_1= 3 !$ cm está inscrito um hexágono regular !$ H_1 !$; em !$ H_1 !$ está inscrita uma circunferência !$ C_2 !$; em !$ C_2 !$ está inscrito um hexágono regular !$ H_2 !$ e, assim, sucessivamente. Se !$ A_n !$ (em !$ cm^2 !$) é a área do hexágono !$ H_n !$, então !$ \textstyle \sum_{n=1}^∞ \, A_n !$ (em !$ cm^2 !$) é igual a
Provas
Questão presente nas seguintes provas
A questão refere-se ao texto seguinte:
A Daslu e o shopping-bunker
A nova Daslu é o assunto preferido das conversas em São Paulo. Os ricos se entusiasmam com a criação de um local tão exclusivo e cheio
de roupas e objetos sofisticados e internacionais. Os pequeno-burgueses praguejam contra a iniciativa, indignados com tanta ostentação.
Antes instalada num conjunto de casas na Vila Nova Conceição, região de classe alta, a loja que vende as grifes!$ ^{A)} !$ mais famosas e caras do mundo passará agora a funcionar num prédio monumental construído no bairro "nouveau riche" da Vila Olímpia e ao lado do infelizmente pútrido e mal cheiroso rio Pinheiros.
A imprensa aproveita a mudança da Daslu para discorrer sobre as vantagens de uma vida luxuosa e exibir fotos exclusivas do interior da megaloja de quatro andares e seus salões labirínticos, onde praticamente não há corredores, pois, como diz a dona da loja, a idéia é que o consumidor se sinta em sua casa.
Estranha casa, deve-se dizer!$ ^{B)} !$. Para entrar nela é preciso fazer uma carteira de sócio, depois de deixar o carro num estacionamento que custa R$ 30,00 (a primeira hora). Obviamente, tudo isso tem por objetivo selecionar os consumidores e intimidar os pouco afortunados – os mesmos que, ao se aventurar na antiga loja, reclamavam da indiferença das vendedoras, as dasluzetes, muito mais solícitas com aqueles que elas já conheciam ou que demonstravam de cara!$ ^{C)} !$ seu poder de compra.
As complicações na portaria visam também, embora não se diga com clareza, a proteger o local e dar segurança aos milionários de todo o país que certamente farão da nova Daslu um de seus "points" durante a estada em São Paulo, como já ocorria com a antiga casa. A segurança é um item cada vez mais prioritário nos negócios hoje em dia – antes mesmo da inauguração, a loja teve um de seus caminhões de mudança roubado.
As formalidades na entrada levam ainda em conta a privacidade do local de quase 20 mil metros quadrados, não muito longe da favela Coliseu (sic). A reportagem de um site calculou, por falar nisso, que a soma da renda mensal de todas as famílias da favela (R$ 10.725, segundo o IBGE) daria para comprar apenas duas calças Dolce & Gabbana na loja.
Tais fatores, digamos assim, sinistros!$ ^{D)} !$ da realidade brasileira é que impulsionam o pioneirismo da nova Daslu. Sim, a loja é uma empreitada verdadeiramente inédita. A Daslu, que desenvolveu no Brasil um certo tipo de atendimento exclusivo e personalizado para ricos, agora introduz, pela primeira vez no mundo, o modelo do shopping-bunker.
Todos sabem como os shopping centers floresceram em São Paulo e nas capitais brasileiras, tanto pelas facilidades que propiciam para a gente!$ ^{E)} !$ que vive nos centros urbanos congestionados e tumultuados, quanto pela segurança. Ao longo dos anos, eles foram surgindo aqui e ali, alterando a sociabilidade e a paisagem das cidades. Acabaram se transformando em uma espécie de praça (fechada), onde as classes alta e média podiam circular com tranqüilidade, sem serem importunadas pela visão e a presença dos numerosos pobres e miseráveis, que, por sua vez, ocuparam as praças públicas (abertas), como a da República e a da Sé, em São Paulo. Dentro dos shoppings, os brasileiros sonhamos um mundo de riqueza, organização, limpeza, segurança, facilidades e sobretudo de distinção que lá fora, nas ruas, está agora longe de existir.
Mas talvez os shoppings, mesmo os mais sofisticados, como o Iguatemi, tenham se tornado democráticos demais para o gosto da classe alta paulista. A cada pequeno entusiasmo econômico, logo a alvoroçada classe média da cidade resolve se intrometer aos bandos nas searas exclusivas dos muito ricos. [...]
(http://www1.folha.uol.com.br, por Alcino Leite Neto. Consulta em 08/07/2005.)
No texto, predomina a linguagem formal. No entanto, podem-se perceber nele algumas marcas de linguagem coloquial, como em
Provas
Questão presente nas seguintes provas
Cadernos
Caderno Container