Foram encontradas 577 questões.
Assinale a alternativa que indica qual o tipo de falha mais comum em disjuntores de 13,8 kV nas diferentes tecnologias SF6, PVO (pequeno volume de óleo) e vácuo.
Provas
Questão presente nas seguintes provas
Considerando que os cabos de alimentação nas redes de distribuição de energia são compostos de aço, com “alma” de alumínio, assinale a alternativa correta.
Provas
Questão presente nas seguintes provas
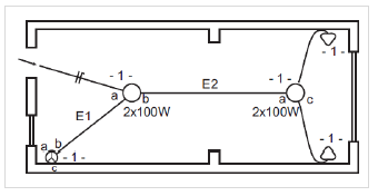
A figura ao lado apresenta a planta baixa da instalação elétrica da sala de um apartamento.

De acordo com a planta apresentada, assinale a alternativa que identifica os condutores que devem passar pelo eletroduto E2.
Provas
Questão presente nas seguintes provas
A medição de resistência de isolamento deve ser feita utilizando-se:
Provas
Questão presente nas seguintes provas
Considere o circuito elétrico mostrado ao lado, onde uma fonte de tensão senoidal (CA) de valor eficaz de tensão igual a 100 V é aplicada a um circuito composto por um resistor de resistência igual a R = 12,5 Ω, um indutor de reatância indutiva igual a \( X_L \) = 50 Ω e um capacitor de reatância capacitiva igual a \( X_C \) = 10 Ω.

Assinale a alternativa que apresenta a potência reativa na fonte de tensão.
Provas
Questão presente nas seguintes provas
A resolução mínima de um arquivo finalizado a ser impresso em uma impressora fotocompositora, também conhecida como imagesetter, é:
Provas
Questão presente nas seguintes provas
“Um sistema de gerenciamento de cores reconcilia as diferenças de cores entre dispositivos para que você possa prever com segurança as cores que seu sistema basicamente produzirá”, afirma o site de uma conhecida empresa de softwares voltada ao mercado do design gráfico. A respeito de sistema de gerenciamento de cores, considere as seguintes afirmativas:
1. Não existe dispositivo em um sistema de editoração eletrônica em condições de reproduzir a escala completa de cores visível ao olho humano.
2. Cada dispositivo funciona dentro de um espaço de cores específico capaz de produzir um determinado intervalo ou gama de cores.
3. RGB, HSL, HSB e CMYK são exemplos de sistemas de gerenciamento de cores.
4. As variações de cores podem ser resultado das diferenças na origem das imagens, da maneira como os softwares definem as cores, do papel de impressão – o papel de revista, por exemplo, reproduz uma gama maior que o papel de jornal –, além de outras variações, como a qualidade ou idade dos monitores.
Assinale a alternativa correta.
Provas
Questão presente nas seguintes provas
Quanto ao início da formação das coleções do Museu Histórico Nacional, assinale a alternativa INCORRETA.
Provas
Questão presente nas seguintes provas
Em relação à situação econômico-político-cultural do oeste do Paraná no primeiro quartel do século XX, é correto afirmar:
Provas
Questão presente nas seguintes provas
O método dos dois wattímetros é uma das técnicas utilizadas para medir potência em cargas trifásicas. Esse método pode ser utilizado para cargas em:
Provas
Questão presente nas seguintes provas
Cadernos
Caderno Container