Foram encontradas 504 questões.
O circuito elétrico de corrente contínua, mostrado na Figura abaixo, apresenta um capacitor que está inicialmente descarregado. Considere que após o fechamento da chave ch, a tensão do capacitor atingirá o seu valor máximo, quando forem decorridos cinco constantes de tempo.

Após o fechamento da chave, qual será, em segundos, o menor tempo decorrido para o capacitor atingir a sua tensão máxima?

Após o fechamento da chave, qual será, em segundos, o menor tempo decorrido para o capacitor atingir a sua tensão máxima?
Provas
Questão presente nas seguintes provas
O circuito puramente resistivo da Figura abaixo mostra uma fonte de tensão contínua Vƒ alimentando um conjunto de resistências. Sabe-se que a soma dos valores absolutos das correntes I 1 + I 2 = 1,6 A.

Qual o valor, em volts, da fonte de tensão Vƒ ?

Qual o valor, em volts, da fonte de tensão Vƒ ?
Provas
Questão presente nas seguintes provas
- Instalações ElétricasAterramentos
- Normas TécnicasNBRsNBR 5410: Instalações Elétricas de Baixa Tensão
Qual esquema de aterramento é proibido dentro de áreas classificadas como possuindo atmosfera explosiva?
Provas
Questão presente nas seguintes provas
Dentro das normas regulamentadoras relativas à segurança e higiene no trabalho, fica constituída uma instância, cujo objetivo é a prevenção de acidentes e de doenças decorrentes do trabalho, de modo a tornar compatível, permanentemente, o trabalho com a preservação da vida e a promoção da saúde do trabalhador, composta por representantes do empregador e dos empregados.
Essas características referem-se à
Essas características referem-se à
Provas
Questão presente nas seguintes provas
As funções matemáticas que descrevem a corrente e a tensão de uma carga monofásica, em função do tempo, são: i(t) = 20cos (2π60t + 15º ) A e v(t) = 180 cos (2π60t + 45º ) V, respectivamente.
O valor, em var, da potência reativa solicitada pela carga é de
O valor, em var, da potência reativa solicitada pela carga é de
Provas
Questão presente nas seguintes provas

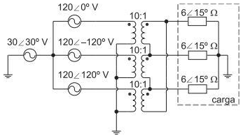
No circuito da Figura acima, o valor, em ampères, da amplitude da corrente de fase da carga é
Dado √3 = 1,73
Provas
Questão presente nas seguintes provas

No circuito da Figura acima, o valor, em volts, da tensão entre o neutro da fonte e o neutro da carga é
Dado √3 = 1,73
Provas
Questão presente nas seguintes provas
- Proteção de Sistemas ElétricosProteção em Média Tensão
- Transformadores e Máquinas Elétricas
- Sistemas Elétricos de PotênciaDistribuição de Energia Elétrica
O relé térmico é um dispositivo de proteção para motores, cuja função é protegê-los contra
Provas
Questão presente nas seguintes provas
A Figura a seguir apresenta parte do projeto elétrico de uma residência hipotética. Sabe-se que a concessionária de energia elétrica local fornece ao consumidor tensão fase-neutro em 127 V e tensão fase-fase em 220 V, e que os circuitos 1 e 2 são, respectivamente, monofásico e bifásico.

Diante do exposto, o retângulo desenhado com linhas tracejadas no projeto representa

Diante do exposto, o retângulo desenhado com linhas tracejadas no projeto representa
Provas
Questão presente nas seguintes provas

No circuito da Figura acima, o valor aproximado, em volts, do fasor da tensão entre a fase a e o neutro da carga é igual a
Provas
Questão presente nas seguintes provas
Cadernos
Caderno Container