Foram encontradas 504 questões.
Considere o circuito RLC mostrado na Figura abaixo, no qual todos os componentes são considerados ideais.

Qual a expressão da impedância Z(s), expressa no domínio da variável complexa de Laplace “s”, vista dos terminais abertos do circuito?

Qual a expressão da impedância Z(s), expressa no domínio da variável complexa de Laplace “s”, vista dos terminais abertos do circuito?
Provas
Questão presente nas seguintes provas
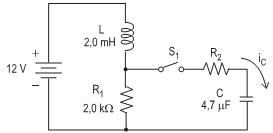
Considere que o circuito da Figura abaixo está inicialmente operando em regime permanente com a chave S1 aberta e o capacitor C completamente descarregado.

Dessa forma, qual deve ser o valor da resistência elétrica de R2 , em ohms, para que a corrente i C no capacitor seja de 5,0 mA, imediatamente após o fechamento da chave ideal S1 ?

Dessa forma, qual deve ser o valor da resistência elétrica de R2 , em ohms, para que a corrente i C no capacitor seja de 5,0 mA, imediatamente após o fechamento da chave ideal S1 ?
Provas
Questão presente nas seguintes provas
Considere o circuito RLC mostrado na Figura abaixo, no qual todos os componentes são considerados ideais.

Considerando R = 10 Ω L = 10 mH e C = 100 μF, qual o valor, em ohms, da impedância complexa equivalente Z(jω), na frequência de 103 rad/s?

Considerando R = 10 Ω L = 10 mH e C = 100 μF, qual o valor, em ohms, da impedância complexa equivalente Z(jω), na frequência de 103 rad/s?
Provas
Questão presente nas seguintes provas
Em uma instalação industrial de pequeno porte existem cinco motores de indução trifásicos de 10 kW cada um, que operam em uma tensão de 380 V fase-fase e com fator de potência de 0,8. Além desses motores, a carga elétrica restante da indústria é de 5 kVA, sendo a potência ativa de 4 kW.
Para que o fator de potência equivalente dessa indústria seja unitário, o valor, em kvar, do banco de capacitores a ser instalado é
Para que o fator de potência equivalente dessa indústria seja unitário, o valor, em kvar, do banco de capacitores a ser instalado é
Provas
Questão presente nas seguintes provas
- Transformadores e Máquinas ElétricasMáquinas Síncronas
- Transformadores e Máquinas ElétricasMáquinas EstáticasTransformador de Potência
- Sistemas Elétricos de PotênciaAnálise de SEPAnálise de Curto-circuitos

Considere o sistema elétrico do diagrama acima, bem como as seguintes observações:
• As impedâncias estão na base do sistema;
• T1 e T2 são transformadores, L1 e L2 são linhas e M1 é um motor síncrono;
• O, A, B, C e D são barras e a barra O é a barra da distribuidora;
• SCC é a potência de curto-circuito na barra da distribuidora para tensão pré-falta de 1pu;
• SBASE é a potência base do sistema.
Ocorrendo um curto-circuito trifásico no barramento C, supondo-se que a tensão pré-falta do sistema seja de 0,9 pu, e desprezando-se o efeito da corrente de carga, qual o módulo da corrente de curto-circuito simétrica, em pu?
Provas
Questão presente nas seguintes provas
Em uma carga trifásica ligada em estrela aterrada, a corrente de fase é igual a 20∠30ºA , e a tensão entre a fase a e a fase b é igual a 220√3∠60º V.
O valor, em watts, da potência ativa total consumida pela carga é de
O valor, em watts, da potência ativa total consumida pela carga é de
Provas
Questão presente nas seguintes provas
- Instalações Elétricas
- Normas TécnicasNBRsNBR 5419: Sistema de Proteção contra Descargas Atmosféricas
A Figura a seguir mostra o sistema de proteção contra descargas atmosféricas (SPDA) de uma estrutura, projetado com base no método de Franklin, considerando um ângulo de proteção igual a 45º e utilizando apenas um captor instalado a uma determinada altura no centro da base da estrutura. A estrutura tem 25 metros de altura e sua base é quadrada de lado igual a 10 m.

De acordo com essas informações, o valor, em metros, do raio de proteção desse sistema é

De acordo com essas informações, o valor, em metros, do raio de proteção desse sistema é
Provas
Questão presente nas seguintes provas
A respeito das Normas Regulamentadoras - NR, relativas à segurança e medicina do trabalho, associe cada norma a seu respectivo conteúdo, apresentados a seguir.
I – NR-16 P – Atividades e Operações Perigosas
II – NR-19 Q – Explosivos
III – NR-20 R – Atividades e Operações Insalubres S – Segurança e Saúde no Trabalho com In?amáveis e Combustíveis
As associações corretas são:
I – NR-16 P – Atividades e Operações Perigosas
II – NR-19 Q – Explosivos
III – NR-20 R – Atividades e Operações Insalubres S – Segurança e Saúde no Trabalho com In?amáveis e Combustíveis
As associações corretas são:
Provas
Questão presente nas seguintes provas
Um dispositivo elétrico é acionado a 100 m de distância
por uma bateria de tensão nominal 12 V CC e resistência
interna de 0,5 ohm. Para ligar essa bateria ao dispositivo,
foi usado fio de cobre que apresenta uma perda ôhmica
de 0,02 ohm/metro. O par de fios foi então conectado aos
terminais positivo e negativo da bateria e estendido por
100 metros até o dispositivo.
Sabendo-se que, para o acionamento, o dispositivo consome
uma corrente elétrica de 1 ampère, qual o valor, em
ohms, da resistência equivalente desse dispositivo?
Provas
Questão presente nas seguintes provas
- EletrotécnicaCircuitos Elétricos em Eletricidade
- EletrotécnicaCircuitos de Corrente Contínua e de Corrente Alternada
A Figura abaixo corresponde ao circuito de alimentação de um equipamento elétrico que apresenta resistência de terra RT = 500 Ω, resistência da pessoa RCH = 1.250 Ωe tensão de saída do transformador V = 425 volts. Na ocorrência de uma falha de isolamento, irá circular uma corrente Id na carcaça do equipamento, e, nessa condição, VT = VC.

A corrente I, em miliampères (mA), que circulará pela pessoa estará compreendida entre
Dado
√3 =1,7
Provas
Questão presente nas seguintes provas
Cadernos
Caderno Container