Foram encontradas 504 questões.


A Figura acima representa um circuito eletrônico de potência cuja função é realizar retificação controlada de meia onda, usando-se um SCR. O ângulo de disparo do SCR vale α=90, tomados em relação à origem, ponto no qual a senoide passa com inclinação positiva. Todos os componentes são ideais, e o transformador é alimentado pela rede de energia, entregando uma tensão secundária de 24 V eficazes. Sabe-se que a tensão de saída de um retificador de meia onda não controlado será representada por VCC NCont, e que a tensão do retificador de meia onda investigado será representada por VCC Cont.
Qual a relação (VCC NCont / VCC Cont) ?
Provas
Provas

Os disjuntores de potência são equipamentos destinados à manobra e à proteção de circuitos, capazes de interromper grandes potências de curto circuito. A Figura acima mostra um tipo de disjuntor ainda muito encontrado nas indústrias. Nesse tipo de disjuntor, a realização da manutenção requer, fundamentalmente, cuidados com os seguintes itens:
Provas
- EletrotécnicaCircuitos Elétricos em Eletricidade
- EletrotécnicaCircuitos de Corrente Contínua e de Corrente Alternada

No circuito da Figura acima, para que a corrente i tenha a mesma fase da tensão da fonte v, o valor da frequência angular, em rad/s, da tensão da fonte deve ser igual a
Provas


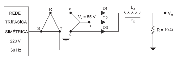
Um trecho específico de uma planta industrial opera usando um retificador trifásico de meia onda, com filtro indutivo com Lx suficientemente grande para alisar a tensão VCC na carga resistiva R, e com resistência rx , mostrado no circuito acima. O transformador trifásico alimentado por uma fonte simétrica, de 220 V eficazes de linha, utilizado no circuito está ligado em triângulo-estrela, e o valor da tensão eficaz secundária fase-neutro é Vs = 55 V.
Sabendo-se que a queda, em cada um dos diodos, vale 0,7 V, e, em cada enrolamento secundário do transformador, vale 9,3 V, determine o valor de rx , em ohms, do indutor de filtro necessário que garanta, na carga R =10 Ω, um valor de tensão média VCC = 48 V.
Provas
- EletrotécnicaCircuitos Elétricos em Eletricidade
- EletrotécnicaCircuitos de Corrente Contínua e de Corrente Alternada
A corrente drenada por uma carga monofásica
quando alimentada por uma tensão, cujo fasor é Vcarga = 110
37º V, é igual a Icarga = 5
23ºA.
O valor, em watt, da potência ativa absorvida pela carga é
Provas

Nesta, observam-se as seguintes quantidades e respectivos tipos:
Provas

Nesse tipo de disjuntor, a realização da manutenção requer, fundamentalmente, cuidados com os seguintes itens:
Provas

Provas
- EletrotécnicaCircuitos Elétricos em Eletricidade
- EletrotécnicaCircuitos de Corrente Contínua e de Corrente Alternada
No circuito elétrico da Figura abaixo, onde R é dado em ohms, a fonte de tensão Eo, em volts, fornece certa potência elétrica ao circuito enquanto a chave estiver aberta.

Após o fechamento da chave, haverá um aumento percentual da potência elétrica fornecida pela fonte de, aproximadamente
Provas
Caderno Container