Foram encontradas 850 questões.
Sobre circuitos de corrente alternada, assinale a opção INCORRETA.
Provas
Observe o circuito abaixo.

Considere que o amplificador operacional possui ganho A = 10 VN e resistências de entrada r1 = 40 kO e de salda r0 = 4 k!$ \Omega !$, não podendo ser aproximado por um amplificador operacional ideal. Assim, determine o ganho VoN1, aproximadamente, e assinale a opção correta.
Provas
Coloque F (falso) ou V (verdadeiro) nas afirmativas abaixo, em relação às propriedades dos dispositivos semicondutores, assinalando a seguir a opção correta.
( ) Os semicondutores são uma classe especial de elementos cuja condutividade está entre a de um bom condutor e a de um isolante.
( ) Em um cristal de silício ou germânio dopado, os quatro elétrons de valência de um átomo formam um arranjo de ligação com quatro átomos adjacentes.
( ) Um material semicondutor que tenha sido submetido ao processo de dopagem é chamado de material intrlnseco.
( ) O material do tipo 'p' é formado pela dopagem de um cristal puro de germânio ou silício com átomos de impureza que possuem cinco elétrons de valência.
( ) Em um material do tipo p, a lacuna é o portador majoritário e o elétron é o portador minoritário.
Provas
Observe o circuito abaixo.

Considerando inicialmente Q3 = O, Q2 = 0, Q1 = O e Q0 = 1, quantas saldas diferentes o circuito acima apresentará?
Provas
Considere o transistor NPN na figura abaixo.

Antes de ser colocado em um circuito, esse componente pode ser verificado com um multímetro na configuração para teste de diodos. No funcionamento normal do transistor, há duas medições que resultarão em leitura de tensão. Assinale a opção que apresenta o terminal do multímetro (positivo e negativo) e o ponto (8, C e E) ao qual ele estará conectado para essas duas medições.
Provas
Considere o circuito lógico abaixo à esquerda, com entradas A, B e C, e saída S. Dados os valores para as entradas A, B e C no gráfico abaixo à direita, assinale a opção que apresenta os valores para a saída S.

Provas
Para o circuito e valor de entrada do sinal A abaixo especificados, durante quanto tempo a saída S permanecerá em nível lógico 1 no período de 300 ns? Desconsidere o tempo de atraso de propagação na entrada e considere o tempo de atraso de propagação na saída de 10 ns, tanto para mudança de nível lógico O para 1, quanto de nível lógico 1 para 0.

Provas
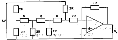
Observe o circuito abaixo.

Assinale a opção que. apresenta o valor mais próximo da tensão Vs do circuito acima, considerando o amplificador operacional ideal e alimentado com +/- 12 V.
Provas
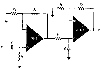
Observe o circuito abaixo.

Considerando os amplificadores operacionais ideais, determine as frequências de corte inferior e superior, respetivamente, do filtro ativo passa -banda acima e assinale a opção correta.
Dados:
C1 = 100 nF;
C2 = 2 nF;
R1 = 1kO; e
R2 = 1kO.
Provas
Um circuito somador completo recebe como entradas dois números binários de um algarismo (A e B) e um transporte de entrada (Ts), proveniente de outro circuito somador completo ou meio somador. As saídas desse circuito são a soma dos números (S) e o transporte de saída (Ts). Assim, assinale a opção que apresenta a expressão booleana para Ts.
Provas
Caderno Container