Foram encontradas 850 questões.
Examine o circuito abaixo.

Dado o circuito acima, assinale a opção que apresenta o estado de condução dos diodos e a tensão de saída O, considerando diodos com queda constante de tensão de 0,7V quando diretamente polarizados.
Dados: A= 15V; B = 5Ve C = 10V
Provas
Examine o circuito abaixo.

Calcule o valor mínimo (Vmin) e o valor máximo (Vmax) de Vi que manterão o diodo Zener ligado no circuito acima e assinale a opção correta.
Dados: \( VZ = 12 V; I_{ZM} = 50 mA; R = 200 \Omega \ e \ R_L = 2 K \Omega \).
Provas
Analise o circuito da figura abaixo, considerando componentes ideais.

Calcule a tensão de saída Vo , e assinale a opção correta.
Provas
A respeito das conversões entre redes Y e \( \Delta \),. (delta), considere a figura abaixo.

Assinale a opção que apresenta corretamente o valor de Ra.
Provas
Examine a figura abaixo.

Um circuito RC é composto por um resistor (R) e um capacitar (C) conectados em série. Quando a chave é fechada, o capacitar, que está inicialmente descarregado, começa a se carregar. Assinale a opção que apresenta corretamente o comportamento da tensão no capacitar em função do tempo durante o processo de carga.
Provas
Na polarização de transistores bipolares de junção (TBJ), a correta configuração dos valores de resistores é essencial para garantir o funcionamento adequado do transistor. Nesse contexto, analise as afirmativas a seguir e assinale a opção correta.
I- A polarização por divisor de tensão utiliza uma associação de resistores conectados em série entre a fonte de alimentação e a base do transistor.
II- Na polarização por emissor comum, um resistor é conectado em série com o emissor do transistor.
III- A polarização por realimentação utiliza um capacitor conectado em paralelo com a junção base-emissor do transistor.
IV- Na polarização por realimentação, a resistência de realimentação é responsável por ajustar a corrente de polarização do transistor.
Provas
Um motor cuja potência é 1,2kW é alimentado por uma fonte de 240V. Para protegê-lo, um fusível é conectado em série a ele. Sabendo que a corrente de pico no motor durante sua partida é de cinco vezes sua corrente nominal e que o motor queima caso a corrente atinja dez vezes a corrente nominal, qual é o valor mais adequado para o fusível?
Provas
O circuito da figura abaixo é comumente utilizado para medir resistências.

Considere que o potenciômetro R3 foi ajustado de modo que a leitura do amperímetro seja nula. Determine o valor de Rx a assinale a opção correta.
Dados: \( R_1 = 1k \Omega; R_2 = 2k \Omega \ e \ R_3 = 6k \Omega \).
Provas
Assinale a opção que apresenta apenas exemplo(s) de memórias não voláteis.
Provas
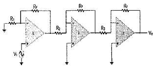
Examine o circuito abaixo.

No circuito acima, sabendo que o ganho do estágio 1 é 300 e a saída Va = 3 V, calcule o valor de R1 e de Rf e assinale a opção correta.
Dados: \( V_i = 100 \mu V; R_2 = R_3 = 30 k\Omega \).
Provas
Caderno Container