Foram encontradas 850 questões.
Os transistores de efeito de campo (FET) são amplamente utilizados em circuitos eletrônicos devido às suas características e funcionalidades especificas. Analise as afirmativas a seguir, sobre transistores tipo FET e assinale a opção correta.
I- Os transistores tipo FET possuem uma região de controle chamada de porta (gale), que controla o fluxo de corrente entre o dreno (drain) e a fonte (source).
II- Os transistores tipo FET são polarizados de maneira semelhante aos transistores bipolares de junção (TBJ), usando resistores conectados entre a fonte e a porta.
III- Os transistores tipo FET podem ser classificados em dois tipos principais: JFET (Junction FET) e MOSFET (Metal-Oxide-Semiconductor FET).
IV- Os transistores tipo FET possuem alta resistência de entrada e baixa resistência de saída, o que os torna adequados para aplicações de alta impedância.
Provas
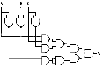
Examine a figura abaixo.

Em um laboratório que utiliza apenas portas lógicas NAND, um projetista se depara com o diagrama esquemático da figura acima, com entradas A, B e C e saída S. Assinale a opção que apresenta a expressão equivalente à função da saída S do circuito.
Provas
Um circuito é composto por um resistor (R), um capacitor (C) e um indutor (L) conectados em diferentes configurações: série e paralelo. Determine a impedância total (Z) nessas duas configurações e assinale a opção correta.
Dados: \( R = 10 \Omega; C = 100 \mu F; L = 20 mH \) e frequência = 1 kHz.
Provas
Examine a figura abaixo.

Para uma tensão zener Vz = 5V, constante para qualquer valor de corrente, qual é o valor da corrente fornecida pela fonte Vi = 10V para \( R=RL=50 \Omega \)?
Provas
Examine a figura abaixo.

Assinale a opção que apresenta a resistência equivalente nos terminais "a" e "b". Considere que todas as resistências têm o mesmo valor R.
Provas
Um sistema de monitoramento de um sensor gera dados em forma de palavras de 8 bytes por minuto. Tal sistema possui uma memória do tipo 1024x16 bytes, dedicada para guardar histórico de dados recentes (log). Assim, quantas horas inteiras o sistema consegue guardar de histórico?
Provas
Examine a figura abaixo.

Calcule a capacitância total da rede capacitiva apresentada na figura acima e assinale a opção correta.
Dados: C1 = C3 = C4 = C6 = 3 μF; C2 = 2 μF e C5 = 6 μF.
Provas
Examine o circuito abaixo.

Calcule a corrente total do circuito acima e assinale a opção correta.
Dados: \( V_T = 150 \ V \ 80 Hz; R = 200 \Omega; L = 0,4 \ H; C = 12 \mu F \ e \ \pi = 3,14. \)
Provas
Considere o circuito da figura abaixo.

Calcule a potência média dissipada no transistor e assinale a opção correta.
Dados: \( V_{cc} = 6,7 V; V_{be} = 0,7; R_b = 100 k\Omega \ e \ R_c = 1k\Omega. \)
Provas
Assinale a opção que apresenta os componentes de uma esquadria de madeira do tipo porta, segundo Borges (2009).
Provas
Caderno Container