Foram encontradas 850 questões.
Considere a expressão a seguir, em que o número subscrito indica o sistema numérico: 110001012 - 238 + 1A16. Assinale a opção que apresenta o resultado da expressão no sistema decimal.
Provas
Examine o circuito abaixo.

Considerando inicialmente Q3 = 1, Q2 = 0, Q1 = 1 e Q0 = 0, quais serão, respectivamente, os valores de Q3, Q2, Q1 e Q0 após o segundo pulso de clock?
Provas
Sobre transformadores, assinale a opção correta.
Provas
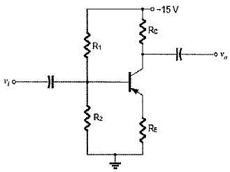
Examine a figura abaixo.

Usando a análise exata no circuito da figura acima, calcule o valor de \( V_{CE} \) e assinale a opção correta.
Dados: \( \beta = 100; R_1 = 45 k\Omega; R_2 = 15 k\Omega; R_E = 1,5 k\Omega \ e \ R_C = 3,2 k\Omega \)
Provas
Com relação à álgebra de Boole, assinale a opção que apresenta a identidade correta.
Provas
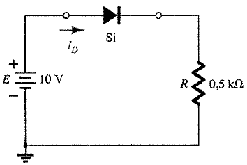
Examine a figura abaixo.

Calcule a potência dissipada no diodo, sabendo que sua queda de tensão é constante e igual a 0.7V e assinale a opção correta.
Provas
Examine o diagrama abaixo.

Um circuito, com entradas A, B, C e D, tem o diagrama de Veitch-Karnaugh apresentado acima. Assinale a opção que contém a expressão mais simples possível para a função.
Provas
Examine o circuito abaixo.

Calcule a corrente que passa em RL no circuito acima e assinale a opção correta.
Dados: \( R_1 = 30 \Omega; R_2 = 60 \Omega; R_3 = 70 \Omega; R_4 = 20 \Omega \ e \ R_L = 150 \Omega \).
Provas
Um projetista deseja utilizar flip-flops tipo T (entrada T) em seu circuito, mas dispõe apenas de flip-flops tipo JK (entradas J e K) para montar seus protótipos. Como deve ser utilizado um flip-flop tipo JK para atuar como um flipflop tipo T?
Provas
Examine a figura abaixo.

Dado o circuito acima, qual é a potência consumida pelo resistor R3?
Provas
Caderno Container