Foram encontradas 50 questões.
Tendo em vista as disposições encontradas na Lei Orgânica do Ministério Público, marque V para as afirmativas verdadeiras e F para as falsas.
( ) As contas do Ministério Público serão julgadas pelo Tribunal de Contas do Estado de Minas Gerais, nos termos da Constituição Estadual.
( ) As decisões do Ministério Público fundadas em sua autonomia funcional, administrativa ou financeira, obedecidas as formalidades legais, têm eficácia plena e executoriedade imediata, ressalvada a competência constitucional dos Poderes Judiciário e Legislativo.
( ) É de competência do Conselho Superior do Ministério Público representar ao Poder Legislativo para a destituição do Procurador-Geral de Justiça.
( ) O Procurador-Geral de Justiça será nomeado pelo Governador dentre os membros do Ministério Público do Estado com no mínimo dez anos de serviço na carreira, indicados em lista tríplice, para mandato de dois anos, permitida uma recondução, observado o mesmo procedimento.
A sequência está correta em
Provas
Analise as descrições de órgãos integrantes do Ministério Público de Minas Gerais a seguir.
I. Será exercida por Procurador de Justiça ou Promotor de Justiça em atividade, com mais de cinco anos de carreira e escolhido livremente pelo Procurador-Geral de Justiça, cabendo-lhe, entre outras atribuições que lhe forem conferidas por ato normativo, a organização dos expedientes administrativos encaminhados à chefia da instituição.
II. Entre outras atribuições previstas em regulamento, ao órgão incumbe realizar encontros locais e regionais e ciclos de estudo e pesquisa entre membros das Procuradorias e Promotorias de Justiça.
III. Compete-lhe estimular a integração e o intercâmbio entre órgãos de execução que atuem na mesma área de atividade e que tenham atribuições comuns.
Considerando as assertivas, assinale a associação correta das definições apontadas, de acordo com a Lei Orgânica do Ministério Público.
Provas
A respeito da organização do Ministério Público do Estado de Minas Gerais (MPMG), consoante previsão do Título II de sua Lei Orgânica, é correto afirmar que:
Provas
O valor de vo(t) quando v1 = 10cos(2t) mV e v2 = 0,5t mV é de, aproximadamente:

Provas
Analise o circuito ligado a um Arduino e o código associado ao circuito:
|
Int led = 9; Int brilho = 0; Int fade = 5; Void setup() { pinMode(led, OUTPUT); } Void loop() { analogWrite(led, brilho); brilho = brilho + fade; if (brilho == 0 || brilho == 255) { fade = -fade ; } delay(300); } |
A montagem
|
Considerando a imagem, marque V para as afirmativas verdadeiras e F para as falsas.
( ) O acionamento do LED é realizado pelo pino 05, onde há no programa um PWM realizado por software.
( ) A função delay é escrita no código para que temporize 30 ms.
( ) Quando o programa é inicializado no Arduino, o valor de brilho ao ser verificado na estrutura condicional if vale 0.
( ) O PWM traduzido significa modulação por largura de pulso e no Arduino é uma onda quadrada com o ciclo de trabalho determinado pelo valor enviado ao respectivo pino de 0 a 255; onde 0 significa 0 volts nesse pino e 255 significa 5 volts neste pino.
( ) O decremento da variável fade ocorre se brilho é igual a zero e igual a 255; este decremento é unitário.
A sequência está correta em
Provas
No circuito a seguir, considere o diodo ideal, π = 3,14 e !$ \sqrt{2} !$ = 0, 707 . O valor CC da tensão (Vs) sobre o resistor em relação ao GND é, aproximadamente:

Provas
Analise a imagem a seguir que representa o modelo de um regulador Boost:

Considerando a imagem, marque V para as afirmativas verdadeiras e F para as falsas.
( ) Quando a chave está conduzindo, tem-se o carregamento do indutor e o capacitor mantendo a tensão na carga.
( ) Quando a chave está operando no corte, tem-se a tensão da fonte em série com a tensão do indutor, produzindo, assim, uma redução da tensão na carga.
( ) A chave utilizada neste circuito é um MOSFET; porém, pode-se utilizar IGBT ou BJT.
( ) O diodo Dm conduz quando o indutor está em processo de descarga.
( ) A forma de onda da tensão sobre o capacitor é aproximadamente triangular.
A sequência está correta em
Provas
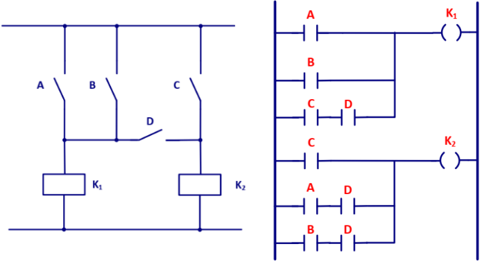
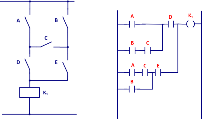
Analise o funcionamento dos equivalentes eletromecânicos em Ladder utilizados em Controladores Lógico Programáveis (CLP).
(1) 
(2) 
Considerando as imagens marque V para as afirmativas verdadeiras e F para as falsas.
( ) Dos diagramas Ladder obtêm-se expressões lógicas equivalentes aos sistemas digitais. No caso específico dos sistemas representados, têm-se diretamente funções AND, OR, NOT e NAND.
( ) Todos os diagramas Ladder representados podem ser simplificados e se tornarem mais simples.
( ) No diagrama em (1) tem-se 3 operações AND e em (2) tem-se 4.
( ) Em um (1) há intertravamento indireto (pelas entradas) entre K1 e K2.
( ) Em (2), se não há acionamento de D, é impossível acionar K1.
A sequência está correta em
Provas
- Transformadores e Máquinas ElétricasMáquinas EstáticasTransformadores Trifásicos e Autotransformadores
Sobre os autotransformadores, analise as afirmativas a seguir.
I. Os autotransformadores monofásicos possuem dois enrolamentos conectados em paralelo, sendo um o primário e ou outro o secundário.
II. A sua desvantagem é a perda de isolamento elétrico entre os enrolamentos; contudo, permitem construtivamente um menor núcleo, o que resulta em menores custos de fabricação.
III. Eles possuem maior eficiência e uma melhor regulação de tensão.
IV. Uma desvantagem é que os enrolamentos ligados à rede produzem alta queda de tensão, produzindo perdas de energia no cobre e entreferro, proporcionando baixas potências de saída.
Está correto o que se afirma apenas em
Provas
Considerando que a transferência de energia de um circuito trifásico para outro, acompanhada da transformação de tensão e de corrente, pode ser realizada por três transformadores monofásicos – os chamados bancos trifásicos ou por um transformador trifásico, no qual os enrolamentos das três fases são montados em um núcleo comum, analise as afirmativas a seguir.
I. O uso de transformadores trifásicos tem sido preferido porque eles têm custos menores de fabricação, pesam menos e ocupam espaço menor quando comparados com o banco trifásico de mesma potência.
II. Se houver perda de um transformador do banco, uma simples troca é a solução; no caso de um trifásico deve ser providenciada a sua substituição integral.
III. Se o banco estiver conectado em estrela e ocorrer a perda de um transformador do banco, ele continuará em funcionamento. É a conexão denominada de estrela em aberto.
IV. A depender das características dos circuitos de geração, transmissão e distribuição, as conexões trifásicas mais comuns dos enrolamentos de transformadores são a conexão estrela-estrela; delta-delta; estrela-delta; e, a delta-estrela.
Está correto o que se afirma apenas em
Provas
Caderno Container
