Foram encontradas 4.578 questões.

P. Almeida, R. Prada, Esquemas de proteção de sistemas de energia elétrica. EPUB, 2005, p. 190-1 (com adaptações).
Acima, mostra-se três arranjos de barra de subestação. Acerca desses arranjos, julgue o item a seguir.
Os arranjos mostrados têm em comum o fato de serem do tipo barra dupla: são três variantes desse tipo de arranjo.
Provas

P. Almeida, R. Prada, Esquemas de proteção de sistemas de energia elétrica. EPUB, 2005, p. 190-1 (com adaptações).
Acima, mostra-se três arranjos de barra de subestação. Acerca desses arranjos, julgue o item a seguir.
Caso seja necessário, em função da evolução da carga no sistema elétrico, esses tipos de arranjo podem ser adequados para conversão para arranjo com configuração do tipo barra de operação e transferência.
Provas

O
gráfico na figura acima representa as características de tensão a vazio
e de corrente de curto-circuito de um gerador trifásico. A grandeza V0 é a tensão fase-neutro a vazio nos terminais do gerador e Ia
é a corrente na armadura quando os terminais do gerador são
curto-circuitados. A resistência por fase no circuito da armadura é
desprezível.
Considerando as informações acima, julgue o item subsequente.
Caso o gerador síncrono seja de rotor cilíndrico e esteja alimentando uma carga com fator de potência capacitivo igual a 0,8, é correto afirmar que, para essa condição de carga, o gerador apresenta regulação positiva.
Provas

O
gráfico na figura acima representa as características de tensão a vazio
e de corrente de curto-circuito de um gerador trifásico. A grandeza V0 é a tensão fase-neutro a vazio nos terminais do gerador e Ia
é a corrente na armadura quando os terminais do gerador são
curto-circuitados. A resistência por fase no circuito da armadura é
desprezível.
Considerando as informações acima, julgue o item subsequente.
A reatância síncrona não-saturada por fase do gerador é inferior a 2,5.
Provas

O gráfico na figura acima representa as características de tensão a vazio e de corrente de curto-circuito de um gerador trifásico. A grandeza V0 é a tensão fase-neutro a vazio nos terminais do gerador e Ia é a corrente na armadura quando os terminais do gerador são curto-circuitados. A resistência por fase no circuito da armadura é desprezível.
Considerando as informações acima, julgue o item subsequente.
O valor da reatância síncrona não-saturada de um gerador síncrono de rotor cilíndrico não depende da posição do rotor. Contudo, se o gerador tem rotor de polos salientes, a posição desse rotor influencia o valor da referida reatância.
Provas

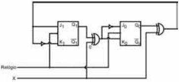
A figura acima mostra um circuito sequencial que usa flip-flops JK gatilhados por borda de descida, implementado com circuitos integrados com tecnologia TTL. Nesse circuito, o relógio é um sinal TTL compatível com os circuitos integrados usados e o sinal X é um sinal de controle TTL que pode ter valor lógico 0 ou 1. Com relação a esse circuito, julgue o item abaixo.
Se o sinal X estiver em nível lógico 0, então a sequência realizada pelos bits Q1Q0 será 00 \(\rightarrow\) 01 \(\rightarrow\) 11 \(\rightarrow\) 10 \(\rightarrow\) 00, e se repetirá de forma cíclica.
Provas

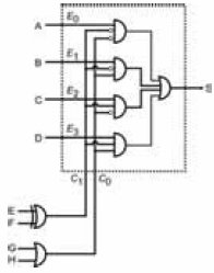
A figura acima mostra um circuito combinacional que utiliza um multiplexador de 4 para 1, com dois bits de controle C0 e C1, 4 bits de entrada, E3 , E2 , E1 e E0 , e uma saída S. O circuito construído com base nesse multiplexador tem 8 entradas, A, B, C, D, E, F, G e H, e uma saída S que coincide com a saída do multiplexador. Com relação a esse circuito, julgue o item abaixo.
Se os bits ABCDEFGH tiverem o valor 11110000, então a saída S terá o valor 1.
Provas
Em um material condutor com formato de um cilindro perfeito de raio \(\delta\), comprimento \(L\) e resistividade \(\rho\), a resistência elétrica entre as duas bases do cilindro é dada por \(R = {\rho L \over \pi \delta^2}.\)
Provas
Em um sistema que processa um sinal de entrada \(x(t)\), produzindo uma saída \(y(t)\), a relação entre a entrada e a saída é \({d^2 y(t) \over dt^2} -3 {dy (t) \over dt} + 2y (t) = x (t)\), em que \(t\) é o tempo.
Com relação a esse sistema, julgue o item que se segue.
No domínio \(s\) da transformada de Laplace, a função de transferência do sinal é dada por \(H(s) = { 1 \over s^2 - 3s + 2} .\)
Provas
Em um sistema que processa um sinal de entrada \(x(t)\), produzindo uma saída \(y(t)\), a relação entre a entrada e a saída é \({d^2 y(t) \over dt^2} -3 {dy (t) \over dt} + 2y (t) = x (t)\), em que \(t\) é o tempo.
Com relação a esse sistema, julgue o item que se segue.
Se a entrada \(x(t)\) desse sistema for uma função degrau unitário cujo início ocorra no instante \(t = 0\), a resposta \(y(t)\) será constituída de uma única função exponencial da forma \(y(t) = e^{-t/k}\), em que \(k\) é uma constante.
Provas
Caderno Container