Foram encontradas 2.008 questões.
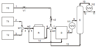
Você acabou de ser contratado para dar continuidade ao desenvolvimento e implantação de um processo em uma grande indústria química. O processo será basicamente a produção do composto c a partir da reação dos componentes a e b, subprodutos desta indústria. A reação entre a e b, que possuem mesma massa molecular , é uma reação endotérmica e ocorre em fase líquida a 24 °C, obedecendo a seguinte estequiometria:
a + b → c ΔHreação = 40 kJ/(kg de c formado)
O diagrama do processo a ser implantado está representado abaixo.

Os componentes a e b estão estocados nos tanques T1 e T2 respectivamente. Depois de misturados em temperatura ambiente a corrente resultante (4) é misturada com uma corrente de reciclo (14) e alimentada no reator (corrente 5). Na reação, todo componente b presente no reator é consumido. A saída do reator (corrente 6) é então misturada com um solvente (componente d), proveniente do tanque de estocagem T3 e da saída do reciclo proveniente da coluna de destilação C, e alimentada no decantador D (corrente 7). Os componentes d e a são totalmente imiscíveis e o componente c particiona preferencialmente para fase rica no componente d seguindo para a destilação (correntes 8 e 9). A fase de fundo do decantador, rica no componente a, é reciclada para o reator (corrente 14). Na destilação os componentes c e d são separados, a corrente mais pesada, rica em d (corrente 13) é reciclada para a entrada do decantador. A corrente 11 é a corrente de produto do processo. As concentrações das correntes de entrada e saída do processo, bem como as correntes da coluna de destilação estão descritas na tabela abaixo.

O sistema de controle abaixo representa um pedaço da malha de controle que será utilizado na coluna C. Para que haja estabilidade neste sistema, o intervalo de valores para o coeficiente K (ganho proporcional) deve ser:

Provas
Você acabou de ser contratado para dar continuidade ao desenvolvimento e implantação de um processo em uma grande indústria química. O processo será basicamente a produção do composto c a partir da reação dos componentes a e b, subprodutos desta indústria. A reação entre a e b, que possuem mesma massa molecular , é uma reação endotérmica e ocorre em fase líquida a 24 °C, obedecendo a seguinte estequiometria:
a + b → c ΔHreação = 40 kJ/(kg de c formado)
O diagrama do processo a ser implantado está representado abaixo.

Os componentes a e b estão estocados nos tanques T1 e T2 respectivamente. Depois de misturados em temperatura ambiente a corrente resultante (4) é misturada com uma corrente de reciclo (14) e alimentada no reator (corrente 5). Na reação, todo componente b presente no reator é consumido. A saída do reator (corrente 6) é então misturada com um solvente (componente d), proveniente do tanque de estocagem T3 e da saída do reciclo proveniente da coluna de destilação C, e alimentada no decantador D (corrente 7). Os componentes d e a são totalmente imiscíveis e o componente c particiona preferencialmente para fase rica no componente d seguindo para a destilação (correntes 8 e 9). A fase de fundo do decantador, rica no componente a, é reciclada para o reator (corrente 14). Na destilação os componentes c e d são separados, a corrente mais pesada, rica em d (corrente 13) é reciclada para a entrada do decantador. A corrente 11 é a corrente de produto do processo. As concentrações das correntes de entrada e saída do processo, bem como as correntes da coluna de destilação estão descritas na tabela abaixo.

A figura abaixo apresenta o equilíbrio líquido-vapor entre os componentes "c" e "d". calcule o número de estágios teóricos da coluna C para obter os produtos de topo (corrente 11) e de fundo (corrente 13) requeridos no projeto, utilizando o método gráfico de McCabe e Thiele. Nesta operação deverá ser utilizada uma taxa de refluxo de 2,6 mol (corrente 12) para cada mol produzido no topo (corrente 11).

Provas
Você acabou de ser contratado para dar continuidade ao desenvolvimento e implantação de um processo em uma grande indústria química. O processo será basicamente a produção do composto c a partir da reação dos componentes a e b, subprodutos desta indústria. A reação entre a e b, que possuem mesma massa molecular , é uma reação endotérmica e ocorre em fase líquida a 24 °C, obedecendo a seguinte estequiometria:
a + b → c ΔHreação = 40 kJ/(kg de c formado)
O diagrama do processo a ser implantado está representado abaixo.

Os componentes a e b estão estocados nos tanques T1 e T2 respectivamente. Depois de misturados em temperatura ambiente a corrente resultante (4) é misturada com uma corrente de reciclo (14) e alimentada no reator (corrente 5). Na reação, todo componente b presente no reator é consumido. A saída do reator (corrente 6) é então misturada com um solvente (componente d), proveniente do tanque de estocagem T3 e da saída do reciclo proveniente da coluna de destilação C, e alimentada no decantador D (corrente 7). Os componentes d e a são totalmente imiscíveis e o componente c particiona preferencialmente para fase rica no componente d seguindo para a destilação (correntes 8 e 9). A fase de fundo do decantador, rica no componente a, é reciclada para o reator (corrente 14). Na destilação os componentes c e d são separados, a corrente mais pesada, rica em d (corrente 13) é reciclada para a entrada do decantador. A corrente 11 é a corrente de produto do processo. As concentrações das correntes de entrada e saída do processo, bem como as correntes da coluna de destilação estão descritas na tabela abaixo.

O reator R é um tanque aquecido e supostamente agitado perfeitamente. Se a reação de formação de "c" deve ocorrer a 24 °C é irreversível e tem grau de avanço igual a 1; calcule a taxa de energia a ser fornecida para que a temperatura de saída se mantenha em 24 °C, quando a alimentação tem uma vazão de 360 kg/h e é uma corrente equimolar dos componentes "a" e "b", mantida a 20 °C.
Despreze a energia transferida através das pás do agitador.
Provas
Você acabou de ser contratado para dar continuidade ao desenvolvimento e implantação de um processo em uma grande indústria química. O processo será basicamente a produção do composto c a partir da reação dos componentes a e b, subprodutos desta indústria. A reação entre a e b, que possuem mesma massa molecular , é uma reação endotérmica e ocorre em fase líquida a 24 °C, obedecendo a seguinte estequiometria:
a + b → c ΔHreação = 40 kJ/(kg de c formado)
O diagrama do processo a ser implantado está representado abaixo.

Os componentes a e b estão estocados nos tanques T1 e T2 respectivamente. Depois de misturados em temperatura ambiente a corrente resultante (4) é misturada com uma corrente de reciclo (14) e alimentada no reator (corrente 5). Na reação, todo componente b presente no reator é consumido. A saída do reator (corrente 6) é então misturada com um solvente (componente d), proveniente do tanque de estocagem T3 e da saída do reciclo proveniente da coluna de destilação C, e alimentada no decantador D (corrente 7). Os componentes d e a são totalmente imiscíveis e o componente c particiona preferencialmente para fase rica no componente d seguindo para a destilação (correntes 8 e 9). A fase de fundo do decantador, rica no componente a, é reciclada para o reator (corrente 14). Na destilação os componentes c e d são separados, a corrente mais pesada, rica em d (corrente 13) é reciclada para a entrada do decantador. A corrente 11 é a corrente de produto do processo. As concentrações das correntes de entrada e saída do processo, bem como as correntes da coluna de destilação estão descritas na tabela abaixo.

Em um teste preliminar para avaliar o sistema de agitação do reator R, seu volume foi completamente preenchido com água pura (3 m3) e então foi posto em operação, atingindo o regime permanente com vazões de entrada e saída iguais a 500 L/min também de água pura. Em um determinado instante (t = 0), um traçador colorido foi misturado a corrente de entrada, a concentração de traçador nesta corrente passou, então, a ser Ca0. Determine quanto tempo após o instante t = 0, a concentração do traçador na corrente de saída seria 60% de Ca0, se a agitação do reator R fosse ideal.

Provas
Você acabou de ser contratado para dar continuidade ao desenvolvimento e implantação de um processo em uma grande indústria química. O processo será basicamente a produção do composto c a partir da reação dos componentes a e b, subprodutos desta indústria. A reação entre a e b, que possuem mesma massa molecular , é uma reação endotérmica e ocorre em fase líquida a 24 °C, obedecendo a seguinte estequiometria:
a + b → c ΔHreação = 40 kJ/(kg de c formado)
O diagrama do processo a ser implantado está representado abaixo.

Os componentes a e b estão estocados nos tanques T1 e T2 respectivamente. Depois de misturados em temperatura ambiente a corrente resultante (4) é misturada com uma corrente de reciclo (14) e alimentada no reator (corrente 5). Na reação, todo componente b presente no reator é consumido. A saída do reator (corrente 6) é então misturada com um solvente (componente d), proveniente do tanque de estocagem T3 e da saída do reciclo proveniente da coluna de destilação C, e alimentada no decantador D (corrente 7). Os componentes d e a são totalmente imiscíveis e o componente c particiona preferencialmente para fase rica no componente d seguindo para a destilação (correntes 8 e 9). A fase de fundo do decantador, rica no componente a, é reciclada para o reator (corrente 14). Na destilação os componentes c e d são separados, a corrente mais pesada, rica em d (corrente 13) é reciclada para a entrada do decantador. A corrente 11 é a corrente de produto do processo. As concentrações das correntes de entrada e saída do processo, bem como as correntes da coluna de destilação estão descritas na tabela abaixo.

O processo será montado em um terreno em desnível, a entrada do misturador M2 deverá ficar a 30 metros acima da saída do decantador D. Sabendo que na saída do decantador a pressão é 1 . 105 e a velocidade e da corrente é desprezível e que na entrada do misturador a pressão deve ser 2 . 105 Pa e a velocidade 10 m/s. Calcule a potência de uma bomba que possa suprir as condições de projeto. Utilize uma eficiência de 60% para este equipamento e considere que não existe perda de energia devido à fricção entre o fluido e as paredes e que a vazão mássica é igual a 3 kg/s.
Dados:
g = 10 m/s2; massa
específica média da
mistura da corrente
14, ρ = 1000 kg/m3
Provas
Você acabou de ser contratado para dar continuidade ao desenvolvimento e implantação de um processo em uma grande indústria química. O processo será basicamente a produção do composto c a partir da reação dos componentes a e b, subprodutos desta indústria. A reação entre a e b, que possuem mesma massa molecular , é uma reação endotérmica e ocorre em fase líquida a 24 °C, obedecendo a seguinte estequiometria:
a + b → c ΔHreação = 40 kJ/(kg de c formado)
O diagrama do processo a ser implantado está representado abaixo.

Os componentes a e b estão estocados nos tanques T1 e T2 respectivamente. Depois de misturados em temperatura ambiente a corrente resultante (4) é misturada com uma corrente de reciclo (14) e alimentada no reator (corrente 5). Na reação, todo componente b presente no reator é consumido. A saída do reator (corrente 6) é então misturada com um solvente (componente d), proveniente do tanque de estocagem T3 e da saída do reciclo proveniente da coluna de destilação C, e alimentada no decantador D (corrente 7). Os componentes d e a são totalmente imiscíveis e o componente c particiona preferencialmente para fase rica no componente d seguindo para a destilação (correntes 8 e 9). A fase de fundo do decantador, rica no componente a, é reciclada para o reator (corrente 14). Na destilação os componentes c e d são separados, a corrente mais pesada, rica em d (corrente 13) é reciclada para a entrada do decantador. A corrente 11 é a corrente de produto do processo. As concentrações das correntes de entrada e saída do processo, bem como as correntes da coluna de destilação estão descritas na tabela abaixo.

O trocador Tr1 é do tipo casco e tubo (com uma passagem no casco e uma nos tubos) e deve ser projetado para assegurar que a corrente 9 (alimentação de coluna C) esteja em sua a temperatura de bolha (72 °C). A vazão mássica de projeto da corrente 8, que está a 24 °C, é de 1,35 Kg/s. Se fluido de aquecimento é uma corrente de vapor saturado a 100 °C e que deixa o equipamento com uma parte de corrente líquida (equilíbrio líquido-vapor). Calcule a área de troca térmica necessária para atender as especificações do projeto, sabendo que o coeficiente de troca térmica (U) é igual a 750 W/(m2°C).
Dados:
e = 2,7; capacidade calorífica
média da mistura das correntes
8 e 9, c = 4.200 J/(kg°C).
Provas
Você acabou de ser contratado para dar continuidade ao desenvolvimento e implantação de um processo em uma grande indústria química. O processo será basicamente a produção do composto c a partir da reação dos componentes a e b, subprodutos desta indústria. A reação entre a e b, que possuem mesma massa molecular , é uma reação endotérmica e ocorre em fase líquida a 24 °C, obedecendo a seguinte estequiometria:
a + b → c ΔHreação = 40 kJ/(kg de c formado)
O diagrama do processo a ser implantado está representado abaixo.

Os componentes a e b estão estocados nos tanques T1 e T2 respectivamente. Depois de misturados em temperatura ambiente a corrente resultante (4) é misturada com uma corrente de reciclo (14) e alimentada no reator (corrente 5). Na reação, todo componente b presente no reator é consumido. A saída do reator (corrente 6) é então misturada com um solvente (componente d), proveniente do tanque de estocagem T3 e da saída do reciclo proveniente da coluna de destilação C, e alimentada no decantador D (corrente 7). Os componentes d e a são totalmente imiscíveis e o componente c particiona preferencialmente para fase rica no componente d seguindo para a destilação (correntes 8 e 9). A fase de fundo do decantador, rica no componente a, é reciclada para o reator (corrente 14). Na destilação os componentes c e d são separados, a corrente mais pesada, rica em d (corrente 13) é reciclada para a entrada do decantador. A corrente 11 é a corrente de produto do processo. As concentrações das correntes de entrada e saída do processo, bem como as correntes da coluna de destilação estão descritas na tabela abaixo.

Será necessário instalar uma bomba para transportar o solvente "d" até o misturador M3. Sabendo que este trecho de tubulação tem 40 metros de comprimento, 0,08 metros de diâmetro e duas válvulas (V1 e V2) cujos coeficientes de perda de carga são 1,3 e 0,5, determine a perda de carga devido ao atrito neste trecho de tubulação. A velocidade de escoamento, segundo o projeto, deverá ser 4 m/s e o fator do atrito de fanning (\(f\)) estimado para estas condições é 0,0056.
Dados:
g = 10m/s2
Provas
Você acabou de ser contratado para dar continuidade ao desenvolvimento e implantação de um processo em uma grande indústria química. O processo será basicamente a produção do composto c a partir da reação dos componentes a e b, subprodutos desta indústria. A reação entre a e b, que possuem mesma massa molecular , é uma reação endotérmica e ocorre em fase líquida a 24 °C, obedecendo a seguinte estequiometria:
a + b → c ΔHreação = 40 kJ/(kg de c formado)
O diagrama do processo a ser implantado está representado abaixo.

Os componentes a e b estão estocados nos tanques T1 e T2 respectivamente. Depois de misturados em temperatura ambiente a corrente resultante (4) é misturada com uma corrente de reciclo (14) e alimentada no reator (corrente 5). Na reação, todo componente b presente no reator é consumido. A saída do reator (corrente 6) é então misturada com um solvente (componente d), proveniente do tanque de estocagem T3 e da saída do reciclo proveniente da coluna de destilação C, e alimentada no decantador D (corrente 7). Os componentes d e a são totalmente imiscíveis e o componente c particiona preferencialmente para fase rica no componente d seguindo para a destilação (correntes 8 e 9). A fase de fundo do decantador, rica no componente a, é reciclada para o reator (corrente 14). Na destilação os componentes c e d são separados, a corrente mais pesada, rica em d (corrente 13) é reciclada para a entrada do decantador. A corrente 11 é a corrente de produto do processo. As concentrações das correntes de entrada e saída do processo, bem como as correntes da coluna de destilação estão descritas na tabela abaixo.

Considere que as tubulações onde serão transportadas as correntes 1, 2 e 3 em temperatura constante de 20 °C, deverão ter diâmetros diferentes. Com base nas características do escoamento e propriedades dos fluidos "a", "b" e "d". Os regimes de escoamento nas tubulações que transpor-tarão as correntes 1, 2 e 3 são, respectivamente:

Provas
Você acabou de ser contratado para dar continuidade ao desenvolvimento e implantação de um processo em uma grande indústria química. O processo será basicamente a produção do composto c a partir da reação dos componentes a e b, subprodutos desta indústria. A reação entre a e b, que possuem mesma massa molecular , é uma reação endotérmica e ocorre em fase líquida a 24 °C, obedecendo a seguinte estequiometria:
a + b → c ΔHreação = 40 kJ/(kg de c formado)
O diagrama do processo a ser implantado está representado abaixo.

Os componentes a e b estão estocados nos tanques T1 e T2 respectivamente. Depois de misturados em temperatura ambiente a corrente resultante (4) é misturada com uma corrente de reciclo (14) e alimentada no reator (corrente 5). Na reação, todo componente b presente no reator é consumido. A saída do reator (corrente 6) é então misturada com um solvente (componente d), proveniente do tanque de estocagem T3 e da saída do reciclo proveniente da coluna de destilação C, e alimentada no decantador D (corrente 7). Os componentes d e a são totalmente imiscíveis e o componente c particiona preferencialmente para fase rica no componente d seguindo para a destilação (correntes 8 e 9). A fase de fundo do decantador, rica no componente a, é reciclada para o reator (corrente 14). Na destilação os componentes c e d são separados, a corrente mais pesada, rica em d (corrente 13) é reciclada para a entrada do decantador. A corrente 11 é a corrente de produto do processo. As concentrações das correntes de entrada e saída do processo, bem como as correntes da coluna de destilação estão descritas na tabela abaixo.

Determine qual será a vazão do componente "a" na corrente de reciclo 14 (reciclo para o reator), sabendo que para cada mol que segue para o reciclo (corrente 14), 6,4 mols entram no decantador (corrente 7) e a fração molar de "a" nesta corrente é de 0,125
Provas
Três trocadores 1, 2 e 3 do tipo casco e tubo com passagens simples nos tubos e no casco têm o perfil das correntes dos fluidos quentes e frios descritas nas figuras abaixo.

I. O trocador de calor "1" e o "2" operam com fluxos paralelos, o trocador "3" opera com fluxos em contra corrente.
II. O trocador de calor "3" opera com fluxo s paralelos, o trocador "2" opera com fluxos em contra-corrente.
III. No trocador de calor "1", o fluido quente pode ser um vapor saturado que condensa ao perder calor para a corrente mais fria.
IV. Nada se pode dizer sobre o sentido de fluxo da corrente de aquecimento do trocador "1".
V. Em trocadores como o do tipo "2" a temperatura de saída do fluido frio pode ser mais alta do que a temperatura de saída do fluido quente.
Sobre estes equipamentos é correto o que se afirma APENAS em:
Provas
Caderno Container