Foram encontradas 3.569 questões.
Uma tubulação com diâmetro interno de 20mm tem uma velocidade média de escoamento de 0,8m/s. Qual a vazão em litros/s?
Provas
No sistema de identificação de tubulações industriais expresso por 6"-A.320-B, a letra A indica o:
Provas
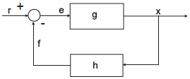
Observe a figura abaixo, que representa o diagrama de bloco de um sistema de controle realimentado.

Neste diagrama, a letra f indica a(o):
Provas
Em um circuito de comandos elétricos, os temporizadores são representados por:
Provas
O Número de Reynolds se refere a um coeficiente adimensional que descreve o perfil de velocidade de vazão de fluidos, tratando-se de um “identificador de regime” de escoamento. Assinale a opção que apresenta as variáveis consideradas no cálculo deste número.
Provas
O termo Analisador é usado para designar praticamente todos os instrumentos destinados à medição de variáveis de um processo, excluindo-se desta definição as variáveis chamadas de fundamentais. Assinale a opção na qual todas as variáveis são chamadas fundamentais.
Provas
Sendo V1=15V, R1= 286 Ohms, R2= 140 Ohms e Vd1 = 0,7V, as intensidades de corrente nos resistores abaixo são de:

Provas
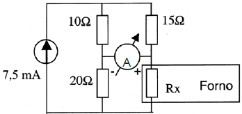
O sensor de temperatura Rx está tendo sua calibração verificada por meio do circuito abaixo. Este sensor está aplicado num forno, primeiro a uma temperatura de 60 °C e depois numa temperatura de 240 °C.

Qual deve ser, respectivamente, a leitura do Amperímetro (A) nos dois casos sabendo que o valor da resistência do RTD deve obedecer à seguinte equação?
T (°C) = - 18 (°C/Ohm) x Rx + 600 °C
Provas
Qualquer que seja o fluido, antes de iniciar o cálculo do Coeficiente de Variação - Cv, deve-se verificar as condições de escoamento desta variável, ou seja, se o fluxo é crítico ou subcrítico.

Identifique na folha de dados acima quais as linhas que contêm as informações para a verificação desta condição de fluxo de escoamento e assinale a opção correta.
Provas
Um equipamento contador de freqüência (freqüencímetro) está com sua entrada conectada à saída de um circuito retificador de onda completa sem filtragem, contando então seus pulsos retificados.
Na entrada deste circuito retificador temos um gerador de freqüência senoidal ajustado para uma freqüência de 120(10) Hertz.

A saída numérica (mostrador) deste contador de freqüência apresenta um número apenas na forma hexadecimal. Qual o número ( (16) Hertz) que deverá aparecer no mostrador do contador de freqüência ?
Provas
Caderno Container