Foram encontradas 3.569 questões.
Considere que:
- numa planta industrial temos a necessidade de interligar 8 instrumentos inteligentes (com comunicação de dados), com um PLC que irá controlá-los;
- estes instrumentos estão em um local afastado dos demais instrumentos, cerca de 7500 metros e, ao invés de um canal de comunicação para cada instrumento, os mesmos serão multiplexados em um único canal, sendo que este sistema multiplex particiona o canal de modo homogêneo entre os instrumentos multiplexados;
- cada instrumento tem uma taxa de transmissão de 31,25 k bps e para implementar o seu processamento de modo eficiente cada instrumento pode aceitar no máximo 5 bits errados em cada 2M bits recebidos.
Com todas estas informações analise as tabelas de distância máxima (em metros) em função da BER (Bit Error Rate) e da taxa de transmissão dos dois canais abaixo:

Qual desses canais pode-se utilizar para esta comunicação?
Provas
Observando o fluxograma simplificado de tubulação e instrumentação (P&ID) de um determinado projeto, o técnico, encontrou as seguintes linhas de transmissão de sinais:

Ao procurar o tipo de informação em cada uma das linhas de transmissão na legenda, verificou-se que obedeciam à Norma ISA S 5.1. Assinale a opção que demonstra corretamente a informação em cada linha.
| sinal I |
sinal II | sinal III |
Provas
No esquema abaixo temos o circuito de um transmissor de pressão com célula capacitiva. No seu conjunto sensor temos uma memória EEPROM, que armazena uma tabela para compensação de temperatura do sensor, conferindo uma maior precisão ao instrumento.

LOUREIRO ALVES, José Luiz. Instrumentação, Controle e Automação de Processos. Ed LTC. 1ª Edição 2005. Rio de Janeiro.
Analisando o diagrama em blocos acima, está correto afirmar que esta EEPROM envia e recebe fisicamente dados da unidade de processamento do conjunto processador principal, por meio de:
Provas
De acordo com o tipo de um processo industrial, existirá um sistema de controle adequado. Os principais fatores na definição de qual sistema irá atuar em cada caso estão relacionados ao tipo de variáveis a serem controladas e à distribuição da localização física (geográfica) destas variáveis. O sistema de controle DCS (Distributed Control System), também chamado de SCD ou SDCD é adequado a Processos com:
Provas
Acidentes em unidades/plantas industriais, com elevadas perdas, materiais e humanas, além de graves danos ao meio ambiente, mostraram a necessidade de evolução dos sistemas de segurança iniciais. Com isso, foi criado o conceito dos Sistemas Instrumentados de Segurança (SIS) ou Sistemas de Intertravamento de Segurança.
Os Sistemas Instrumentados de Segurança (SIS) ou Sistemas de Intertravamento de Segurança NÃO têm como finalidade prover proteção:
Provas
Na filosofia dos sistemas instrumentados de segurança para plantas de processos industriais, um dos mais importantes é o usualmente chamado de ESD – Emergency Shutdown, cuja função é o(a):
Provas
Após uma série de levantamentos estatísticos internacionais de ocorrências relacionadas a acidentes de trabalho, foi elaborado um relacionamento matemático do número de tipos de acidentes e desvios (que são práticas ou condições inseguras no ambiente de trabalho).

Sobre o gráfico acima, que relaciona estes valores, pode-se afirmar que:
Provas
Considerando-se a política de SMS (Segurança do trabalho, Meio ambiente e Saúde), uma empresa voltada para obras de Construção e Montagem em Engenharia apresenta atividades diretamente relacionadas com a área de saúde no trabalho quando:
Provas
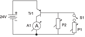
No esquema abaixo temos o circuito de um transmissor eletrônico analógico de informação. Nele, a saída está localizada onde está o Amperímetro A1 e a sua entrada é S1, que é a chave do sensor de fim de curso de uma válvula.

Este transmissor deve enviar as seguintes informações:
S1 Aberta = 4 mili Ampères em A1;
S1 Fechada = 20 mili Ampères em A1;
Sabendo que o transistor BJT Tr1 tem os seguintes dados: beta = 200 e Vbe = 0,7 Volts, os potenciômetros P1 e P2 devem ser ajustados, respectivamente, em k Ohms, aos valores:
Provas
Um PLC possui um cartão de entradas e saídas com um conversor D/A de 8 bits. Sabendo que em sua saída temos uma tensão de 0 (zero) Volts até uma máxima de 5 (cinco) Volts, assinale a opção que terá a tensão de saída, em V, correspondente a uma entrada binária 10000000.
Provas
Caderno Container