Foram encontradas 3.569 questões.
As indústrias são unidades consumidoras que podem ser tarifadas sobre a energia reativa, caso venham a ter um fator de potência, indutivo ou capacitivo, inferior ao fator de potência de referência (0,92 – noventa e dois centésimos). O procedimento que NÃO melhora o fator de potência das instalações industriais é:
Provas
O fator de carga (FC), definido como a razão entre a demanda média e a demanda máxima medida na instalação, é um importante indicador de como está sendo utilizada a energia disponível numa instalação elétrica. Pode-se dizer, a respeito desse indicador, que, quanto mais próximo da unidade,
I - mais eficiente está sendo o uso da energia;
II - menor está sendo o consumo da energia;
III - melhor o fator de potência da instalação.
Está(ão) correta(s) somente a(s) afirmação(ões):
Provas
Segundo o método de controle de motores CC de excitação independente, proposto por Ward Leonard, o motor é controlado pela tensão de armadura, com a tensão de campo do motor (Vd ) mantida no seu valor nominal, sendo alterada somente para enfraquecer o campo e permitir a expansão da faixa de operação da máquina no plano torque versus velocidade (Fig. a).
Com a invenção das válvulas de vapor de mercúrio e, mais tarde, dos tiristores, foi possível substituir o conjunto Motor de Indução/Gerador CC do esquema Ward Leonard, por uma ponte retificadora (Fig. b).

Considere as afirmações.
I - O esquema da Fig.b introduz mais harmônicos na rede de alimentação do que o da Fig.a.
II - O esquema da Fig.b permite um controle mais rápido do que o da Fig.a.
III - O esquema da Fig.b provoca mais ruído audível do que o da Fig.a.
Está(ão) correta(s) a(s) afirmação(ões):
Provas

A figura acima apresenta o diagrama de uma instalação elétrica muito utilizada em indústrias. Com relação ao diagrama, é correto afirmar que:
Provas
As fontes renováveis para a geração de energia elétrica vêm ganhando espaço na matriz energética mundial. Isto se deve à necessidade de encontrar alternativas que causem menor impacto ambiental, bem como à necessidade de substituir algumas das fontes convencionais não renováveis. São exemplos de fontes renováveis de energia:
Provas
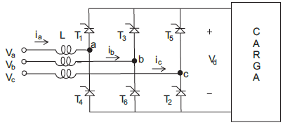
Observe a figura abaixo.

A figura apresenta uma ponte retificadora trifásica de seis pulsos controlada a tiristores. As tensões de linha têm valor eficaz de 220V.
Admita que a corrente solicitada pela carga seja suficientemente elevada de forma que continuamente exista corrente nos condutores das linhas de alimentação.
Para um ângulo de disparo dos tiristores de 60º, o valor médio da tensão retificada Vd, em Volts, aproximadamente, é:
Provas
Observe a figura abaixo.

O circuito lógico combina duas portas lógicas NOR e uma porta NAND, conforme mostra a figura. Para gerar a saída S em função das entradas A ,B e C, a expressão da saída S é:
Provas

O diagrama em blocos acima mostra a estrutura de um sistema em malha fechada com duas entradas e uma saída. A relação de ganhos !$ \large{C_V \over D} !$ entre a saída CV e a entrada D é:
Provas
Observe o circuito.

No circuito acima, considerando o amplificador operacional ideal, a tensão de saída Vo, em função das tensões de entrada V1 e V2, é dada por:
Provas
Em um transformador de força, com tensão no primário de 18800 volts em !$ \Delta !$ e no secundário de 173/100 volts em Y, ocorre uma falta de 1000 A no secundário, entre fase e terra. A corrente de linha no primário desse transformador, em A, é de:
Provas
Caderno Container