Foram encontradas 3.569 questões.

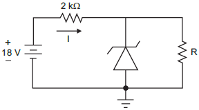
A figura mostra um circuito elétrico que utiliza um diodo Zener de 10V. Foram obtidas duas medidas na corrente I, fornecida pela fonte: I1 para R= 2kΩ e I2 para R=7 kΩ.
Os valores de I1 e I2, em mA, respectivamente, são:
Provas

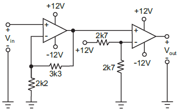
A figura apresenta um circuito amplificador não inversor, seguido de um circuito comparador. Considerando que os amplificadores operacionais são ideais, a tensão de entrada Vin, em Volts, para que a tensão de saída Vout seja negativa é:
Provas

No circuito mostrado na figura, onde o amplificador operacional é considerado ideal, se o produto R2C for muito menor do que a unidade, o circuito se comportará, aproximadamente, como um:
Provas

A figura apresenta um circuito elétrico funcionando em regime permanente com a chave S aberta. Imediatamente após o fechamento da chave S, a tensão V1, em volts, aproximadamente, será:
Provas

A figura mostra um circuito amplificador transistorizado. O ganho de tensão !$ \large{V_o \over V_i} !$, na faixa de média freqüência, é:
Provas
Um aspecto bastante importante do AutoCAD é a definição da escala do desenho no momento da impressão. É correto afirmar, para a escala 1:100, que o espaçamento no papel, em mm, da Unidade do Grid do AutoCAD, é de:
Provas

A figura ilustra o sinal de tensão de entrada VE, submetido no circuito transistorizado. Considere, na curva, os seguintes intervalos de tempo:
• T1 de 0s a 1s
• T2 de 1s a 3s
• T3 de 4s a 6s
É correto afirmar que os estados do transistor, nos intervalos T1, T2 e T3 ,respectivamente, são:
Provas
No modelo OSI (Open Systems Interconnection), o nível responsável pelo controle da comunicação fim-a-fim entre as estações é o:
Provas

A figura mostra dois circuitos retificadores de onda completa com cargas RL idênticas, alimentados por fontes de tensão senoidal V(t), com mesmas especificações e utilizando diodos considerados ideais.
Medidas de tensão e freqüência foram efetuadas nas saídas dos circuitos em cima das cargas RL, obtendo:
• V1 e f1 para C1
• V2 e f2 para C2
Com relação às medidas obtidas, é correto afirmar que:
Provas

A figura ilustra um circuito alimentado por uma fonte de tensão senoidal da forma VE (t) = 20sen(!$ ω t !$) , onde Z1 e Z2 são diodos do tipo zener de tensões, respectivamente, 16 V e 10 V. O sinal de saída VS(t) deverá ter, aproximadamente, a forma:
Provas
Caderno Container