Foram encontradas 3.569 questões.
Segundo a norma ISA S 5.1, a associação correta entre o símbolo geral para instrumento e a função programada é:
Provas
Segundo a norma ISA S 5.1, a associação INCORRETA entre o símbolo e a linha de instrumentação é:
| Símbolo |
Linha de |
Provas

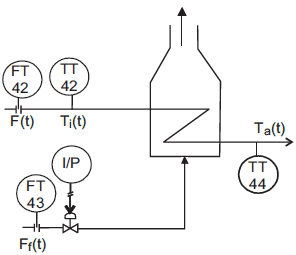
O diagrama de controle do trocador de calor, apresentado na figura acima, representa o controle:
Provas

A figura acima apresenta um diagrama contendo os símbolos dos instrumentos de medição instalados numa fornalha. Estes símbolos representam:
Provas
Com relação ao controle automático de processos, assinale a alternativa INCORRETA.
Provas
Uma rede de computadores na topologia em anel consiste em estações conectadas em um laço fechado. Por razões de confiabilidade, o anel é formado pela conexão em série de interfaces, sendo uma para cada estação. A denominação do equipamento que faz essa interface é:
Provas
A figura mostra uma linha de instrução em diagrama de contatos em um programa de aplicação implementado num CLP.

Considere que o tempo de varredura estimado para o programa de aplicação seja de 100ms, o tempo de resposta do ponto de entrada correspondente a X1 seja de 10ms e o tempo de resposta do ponto de saída, correspondente a Y1, seja de 10ms. No pior caso, a estimativa do tempo de atraso do CLP, em ms, para levar uma variação do sinal de entrada, correspondente a X1, ao sinal de saída, correspondente a Y1, é:
Provas

O instrumento indicado na figura representa um:
Provas

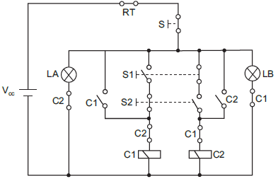
A figura acima apresenta o circuito elétrico de comando de um motor trifásico com controle do sentido de rotação. Com relação a este circuito, considere as afirmações.
I - As lâmpadas LA e LB podem acender simultaneamente, sendo que LA é comandada pelo contator C2.
II - Os contatores C1 e C2 podem ser energizados simultaneamente.
III - A chave S permite desligar o motor quando este estiver em funcionamento.
São verdadeiras as afirmações :
Provas
Quando ocorre uma falha aleatória ao longo da vida útil do equipamento entre duas intervenções de manutenção preventiva, deve ser realizada uma manutenção:
Provas
Caderno Container