Foram encontradas 2.005 questões.
Julgue os itens subseqüentes, relativos a microprocessadores, microcomputadores e microcontroladores, e aos dispositivos utilizados em conjunto com eles.
A maioria dos microcontroladores de 8 bits, como os das famílias 8051 e MC68HC11, utiliza a técnica de pipeline superescalar, enquanto os processadores da família Pentium não utilizam essa técnica porque ela torna os processadores mais lentos.
Provas
Julgue os itens subseqüentes, relativos a microprocessadores, microcomputadores e microcontroladores, e aos dispositivos utilizados em conjunto com eles.
Nos microprocessadores de 8 bits, a maior parte das instruções é executada em mais de um ciclo de clock, enquanto, em todos os microcontroladores, todas as instruções são executadas em apenas um ciclo de clock.
Provas
Julgue os itens subseqüentes, relativos a microprocessadores, microcomputadores e microcontroladores, e aos dispositivos utilizados em conjunto com eles.
Nos microprocessadores de 8 bits, a maior parte das instruções ocupa mais de 1 byte, enquanto, em todos os microcontroladores, todas as instruções ocupam apenas 1 byte.
Provas

Um microprocessador hipotético de 8 bits tem um acumulador a de 8 bits e a memória RAM ocupa os endereços de $0 a $FF. Os efeitos de algumas instruções desse microprocessador são descritos na tabela I acima, em que o símbolo $ significa que o número está representado em hexadecimal, enquanto o símbolo # significa que o operando é o próprio número e não o conteúdo do endereço representado por ele. Quando o operando não contém o símbolo #, ele se referirá ao conteúdo do endereço indicado pelo número. Após a execução do trecho de programa da tabela II, é correto afirmar que o byte contido no endereço de memória
Provas
- Eletrônica AnalógicaCircuitosFiltros e fontes/geradores de sinais
- Eletrônica AnalógicaCircuitosCircuitos com Amplificadores e com conversores de dados

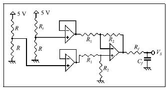
O circuito da figura acima utiliza um transdutor resistivo R t para a medição da temperatura em fluidos. O transdutor funciona bem em uma faixa de temperatura entre 0º C e 100º C e tem, nessa faixa, uma relação com a temperatura medida dada por Rt = 100 × (T + 100), em que Rt é dada em S e T, em º C. Nesse circuito, os amplificadores operacionais são alimentados com ± 12 V, o valor dos resistores R é igual a 15 kS, R1 = 1 kS e R2 = 10 kS. Com relação a esse circuito, julgue os itens a seguir, assumindo que todos os componentes são ideais.
Caso ocorra um defeito e a conexão entre o sensor Rt e a tensão de referência de 5 V for interrompida, tornando-se um circuito aberto, a tensão VS na saída do circuito será inferior a 8 V.
Provas
- Eletrônica AnalógicaCircuitosFiltros e fontes/geradores de sinais
- Eletrônica AnalógicaCircuitosCircuitos com Amplificadores e com conversores de dados

O circuito da figura acima utiliza um transdutor resistivo R t para a medição da temperatura em fluidos. O transdutor funciona bem em uma faixa de temperatura entre 0º C e 100º C e tem, nessa faixa, uma relação com a temperatura medida dada por Rt = 100 × (T + 100), em que Rt é dada em S e T, em º C. Nesse circuito, os amplificadores operacionais são alimentados com ± 12 V, o valor dos resistores R é igual a 15 kS, R1 = 1 kS e R2 = 10 kS. Com relação a esse circuito, julgue os itens a seguir, assumindo que todos os componentes são ideais.
Provas
- Eletrônica AnalógicaCircuitosFiltros e fontes/geradores de sinais
- Eletrônica AnalógicaCircuitosCircuitos com Amplificadores e com conversores de dados

O circuito da figura acima utiliza um transdutor resistivo R t para a medição da temperatura em fluidos. O transdutor funciona bem em uma faixa de temperatura entre 0º C e 100º C e tem, nessa faixa, uma relação com a temperatura medida dada por Rt = 100 × (T + 100), em que Rt é dada em S e T, em º C. Nesse circuito, os amplificadores operacionais são alimentados com ± 12 V, o valor dos resistores R é igual a 15 kS, R1 = 1 kS e R2 = 10 kS. Com relação a esse circuito, julgue os itens a seguir, assumindo que todos os componentes são ideais.
Provas
- Eletrônica AnalógicaCircuitosFiltros e fontes/geradores de sinais
- Eletrônica AnalógicaCircuitosCircuitos com Amplificadores e com conversores de dados

O circuito da figura acima utiliza um transdutor resistivo R t para a medição da temperatura em fluidos. O transdutor funciona bem em uma faixa de temperatura entre 0º C e 100º C e tem, nessa faixa, uma relação com a temperatura medida dada por Rt = 100 × (T + 100), em que Rt é dada em S e T, em º C. Nesse circuito, os amplificadores operacionais são alimentados com ± 12 V, o valor dos resistores R é igual a 15 kS, R1 = 1 kS e R2 = 10 kS. Com relação a esse circuito, julgue os itens a seguir, assumindo que todos os componentes são ideais.
Provas

O circuito da figura acima utiliza um transdutor resistivo R t para a medição da temperatura em fluidos. O transdutor funciona bem em uma faixa de temperatura entre 0º C e 100º C e tem, nessa faixa, uma relação com a temperatura medida dada por Rt = 100 × (T + 100), em que Rt é dada em S e T, em º C. Nesse circuito, os amplificadores operacionais são alimentados com ± 12 V, o valor dos resistores R é igual a 15 kS, R1 = 1 kS e R2 = 10 kS. Com relação a esse circuito, julgue os itens a seguir, assumindo que todos os componentes são ideais.
Provas
Em sistemas digitais, são usados diversos métodos para a representação de diferentes tipos de informação, com a base (ou o padrão) podendo ser indicada por um subscrito. Como exemplo, 010012 e 11110000COMPLEMENTO DE DOIS indicam números binário e binário em complemento de dois, respectivamente. Julgue os itens abaixo, acerca da representação de números e caracteres.
A representação ASCII para o caracter 5 é dada por 00000101ASCII.
Provas
Caderno Container