Foram encontradas 2.005 questões.

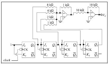
No circuito da figura acima, os flip-flops são do tipo TTL, os amplificadores operacionais são alimentados por tensões de –15 V e +15 V e o sinal de clock é uma onda quadrada em nível TTL com 800 kHz. Com relação a esse circuito, julgue os itens a seguir.
Provas

No circuito da figura acima, os flip-flops são do tipo TTL, os amplificadores operacionais são alimentados por tensões de –15 V e +15 V e o sinal de clock é uma onda quadrada em nível TTL com 800 kHz. Com relação a esse circuito, julgue os itens a seguir.
Provas

No circuito da figura acima, os flip-flops são do tipo TTL, os amplificadores operacionais são alimentados por tensões de –15 V e +15 V e o sinal de clock é uma onda quadrada em nível TTL com 800 kHz. Com relação a esse circuito, julgue os itens a seguir.
Provas
A relação entre a entrada x(t) e a saída y(t) de um determinado sistema é dada pela expressão
. Com base nessa expressão, é correto afirmar que o sistema é
Provas
A relação entre a entrada x(t) e a saída y(t) de um determinado sistema é dada pela expressão
. Com base nessa expressão, é correto afirmar que o sistema é
Provas
A relação entre a entrada x(t) e a saída y(t) de um determinado sistema é dada pela expressão
. Com base nessa expressão, é correto afirmar que o sistema é
Provas
A relação entre a entrada x(t) e a saída y(t) de um determinado sistema é dada pela expressão
. Com base nessa expressão, é correto afirmar que o sistema é
Provas
A relação entre a entrada x(t) e a saída y(t) de um determinado sistema é dada pela expressão
. Com base nessa expressão, é correto afirmar que o sistema é
Provas

A figura acima mostra uma rede escada RC. Com base nessa figura, julgue o item que se segue.
A resposta ao impulso do circuito, no domínio do tempo, é \( h(t)=\dfrac{1}{RC}e^{-t/RC_{u(t)}} \)
.
Provas

A figura acima mostra uma rede escada RC. Com base nessa figura, julgue o item que se segue.
A função de transferência do circuito é \( H(s)=\dfrac{s}{s+RC} \).
Provas
Caderno Container