Foram encontradas 3.167 questões.
Considere que determinada fábrica utilize, em suas instalações, os quatro tipos de manutenção planejada: a preventiva, a preditiva, a TPM (Total Productive Maintenance) e a terotecnologia. No contexto da manutenção dessa fábrica, julgue o item que se segue.
A terotecnologia é uma técnica inglesa que prevê a participação de um especialista em manutenção desde o projeto da máquina, sua instalação, até o início de produção.
Provas
A corrosão pode ser diminuída (ou até mesmo impedida), usandose os próprios mecanismos de corrosão para fins de proteção, a chamada proteção galvânica. Em uma tubulação subterrânea feita de aço, a corrosão poderá ser prevenida se
forem fixadas placas de chumbo à tubulação.
Provas

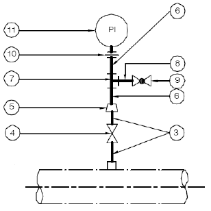
A figura acima mostra um detalhe típico de instalação de um manômetro em uma tubulação. A respeito dessa instalação, julgue os itens que se seguem.
Se o item 4 tiver diâmetro nominal de 3/4", então o item 8 também terá esse diâmetro.
Provas

Uma placa de 1 m × 2 m × 0,01 m está sujeita a tensões normais, como mostrado na figura I acima. A placa é feita de um material isotrópico do qual se conhece apenas o diagrama tensão versus deformação, mostrado na figura II, obtido em um ensaio de torção pura de uma barra do mesmo material. Considerando as informações apresentadas e a teoria da máxima tensão cisalhante (critério de Tresca), julgue os itens a seguir
O valor da tensão cisalhante máxima,
, aplicada à placa é 2p.
Provas

Considere que, depois de uma operação de fresagem, o estado da superfície de um pino deva ficar conforme indicado no símbolo de rugosidade apresentado na figura acima. Nessa situação, julgue o próximo item, a respeito do acabamento final da superfície.
A tolerância dimensional para o diâmetro do pino é de -0,8 mm.
Provas

O diagrama tensão-deformação acima mostra os resultados de ensaios de tração para dois materiais metálicos distintos, A e B, que têm propriedades mecânicas diferentes. Acerca desse ensaio de tração, julgue o item que se segue.
O material A é muito mais tenaz que o material B.
Provas

Com base na figura acima, que representa uma típica instalação de bombeamento, julgue os itens subseqüentes.
O item 4 é uma redução concêntrica, que é a recomendada para instalar na tubulação de sucção da bomba, pois evita o aparecimento de bolsas de ar.
Provas
O tratamento de superfícies tem adquirido cada vez mais importância para a conservação de peças e estruturas em geral. Os mecânicos especializados devem conhecer detalhadamente os métodos de limpeza e preparação de superfícies, visto que essas operações são utilizadas de forma corriqueira na indústria em geral. Com relação ao processo de limpeza de superfícies por solvente inorgânico, julgue o item seguinte.
Os agentes químicos que atuam nesse tipo de limpeza são soluções básicas, com componentes alcalinos fracos.
Provas

Uma placa de 1 m × 2 m × 0,01 m está sujeita a tensões normais, como mostrado na figura I acima. A placa é feita de um material isotrópico do qual se conhece apenas o diagrama tensão versus deformação, mostrado na figura II, obtido em um ensaio de torção pura de uma barra do mesmo material. Considerando as informações apresentadas e a teoria da máxima tensão cisalhante (critério de Tresca), julgue os itens a seguir
A placa iniciará o escoamento quando P = 200 MPa.
Provas
No controle de qualidade de produtos industriais, são utilizados diversos processos de avaliação, monitoração e detecção de defeitos e processos de deterioração de materiais. Com relação a esses procedimentos, julgue os itens subseqüentes
Irídio 192 , césio 137 e cobalto 60 são isótopos radiativos utilizados no exame radiográfico de soldas.
Provas
Caderno Container