Foram encontradas 820 questões.

O símbolo ilustrado acima corresponde ao cilindro atuador de ação
Provas
Uma placa de orifício produz uma pressão diferencial, cujo valor está relacionado com a vazão na tubulação. Um manômetro tipo coluna U pode ser utilizado como dispositivo secundário para obter-se uma medida da vazão nessa tubulação, conforme ilustrado no esquema a seguir.

Com relação a esse processo de medição da vazão, é correto afirmar que a vazão na tubulação é
Provas
Um anemômetro mede
Provas
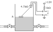
Considere que um potenciômetro linear tenha sido conectado a uma bóia por uma haste para ser utilizado como sensor de nível, conforme ilustrado pela figura a seguir.

Com relação a essa situação, assinale a opção correta.
Provas
Define-se pressão absoluta como
Provas
Assinale a opção que não apresenta uma unidade de medida de
pressão.
Provas
Transmissores inteligentes permitem a comunicação e a configuração de sensores pela criação de uma rede digital. O protocolo HART (highway addressable remote transducer) permite a sobreposição do sinal de comunicação digital aos sinais analógicos de 4-20 mA, sem interferência, na mesma fiação, conforme ilustrado pelas figuras a seguir.

A partir dessas informações, assinale a opção incorreta.
Provas
O padrão 4-20 mA (laço de corrente) é um método muito utilizado em aplicações industriais para a transmissão de informações de sensores, tais como informações de temperatura, pressão, velocidade e vazão. Em relação ao padrão 4-20 mA, assinale a opção incorreta.
Provas
Os transmissores pneumáticos, por apresentarem uma série de vantagens, são largamente utilizados em ambientes industriais. Assinale a opção em que a característica apresentada não se aplica aos transmissores pneumáticos.
Provas
O controlador é um dispositivo que tem por finalidade manter um valor pré-determinado de variáveis do processo. Em relação a controladores industriais, assinale a opção correta.
Provas
Caderno Container