Foram encontradas 2.450 questões.
Julgue os itens seguintes, referentes à engenharia de custos.
O custo unitário de um serviço corresponde ao somatório dos produtos entre as quantidades unitárias dos insumos (materiais, mão-de-obra e equipamentos), com seus respectivos preços unitários, acrescido da parcela correspondente do BDI.
Provas

Considerando a figura acima, que ilustra uma janela do Word 2000 contendo parte de um texto extraído e adaptado do sítio http://www.funai.gov.br, julgue os itens subseqüentes.
A correção e as idéias do texto mostrado serão mantidas caso se realize o seguinte procedimento: clicar imediatamente antes de "no final"; pressionar e manter pressionada a tecla
; clicar imediatamente após "semana,"; liberar a tecla
; pressionar e manter pressionada a tecla
; teclar
; clicar imediatamente após "apreenderam"; teclar
; clicar o botão
.
Provas
Acerca de características de um sistema de radar usado para determinar a velocidade de veículos, e considerando que ele opere na freqüência de 9 GHz, julgue os itens a seguir.
Considere que, para o correto funcionamento do sistema, seja necessário o uso de uma única antena para transmitir e receber o sinal e cujo ganho seja, pelo menos, de 15 dBi e polarização linear. Nesse caso, uma estrutura capaz de atender a essas características é um array de elementos microship impressos sobre substrato dielétrico.
Provas

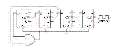
Com relação ao circuito seqüencial cujo diagrama está ilustrado acima, e considerando que os bits D, C, B e A formam um número variável binário em que D é o bit mais significativo, julgue os itens subseqüentes.
Trata-se de um contador assíncrono.
Provas
Um motorista foi barrado pela polícia rodoviária por dirigir em excesso de velocidade. Mesmo apresentando indícios de estar alcoolizado, recusou-se a realizar teste em aparelho medidor de ar alveolar (bafômetro).
Julgue os itens a seguir a partir da situação hipotética acima descrita.
Se a concentração de álcool na amostra de sangue do condutor do veículo automotor for igual a 6 dg/L, significa que o motorista não ultrapassou o limite máximo permitido pelo Conselho Nacional de Trânsito (CONTRAN).
Provas
O sócio-gerente de estabelecimento comercial, necessitando ausentar-se do país, deixou sua empresa com o irmão, em comodato, durante 2 anos, período em que as notas fiscais relativas a operações de venda não foram emitidas e os tributos não foram recolhidos. Além disso, todo o patrimônio da sociedade foi dilacerado, vindo o fisco a lavrar auto de infração em face da sonegação constatada.
Acerca dessa situação hipotética, julgue os itens a seguir.
No caso de a sociedade vir a ser incorporada por outra empresa, a incorporadora responderá pelos tributos devidos, inclusive pela multa punitiva.
Provas
Acerca da classificação da receita e da despesa públicas, julgue os itens a seguir.
Empréstimo recebido pelo ente público constitui receita de capital, do mesmo modo que a amortização de empréstimo concedido anteriormente pelo ente público, enquanto os juros referentes aos empréstimos concedidos pelo ente são receitas correntes.
Provas
No que se refere à contabilidade pública no Brasil, julgue os itens a seguir.
O balanço financeiro é a demonstração contábil que informa se, em um exercício, houve excesso ou insuficiência de arrecadação.
Provas
Relativamente à auditoria independente, de acordo com as normas brasileiras de contabilidade, julgue os itens que se seguem.
Quando um auditor realizar, pela primeira vez, uma auditoria em determinada entidade, ele deve, entre outros cuidados, obter evidências suficientes de que os saldos de abertura do exercício não contenham representações errôneas ou inconsistentes que, de alguma maneira, distorçam as demonstrações contábeis do exercício atual.
Provas
Relativamente à auditoria independente, de acordo com as normas brasileiras de contabilidade, julgue os itens que se seguem.
Ao elaborar o planejamento de uma auditoria, o auditor deve preparar programas de trabalho por escrito, detalhando o que for necessário à compreensão dos procedimentos que serão aplicados, quanto a natureza e oportunidade; a extensão dos procedimentos, porém, somente deve ser estabelecida após o início dos trabalhos, quando o auditor terá a oportunidade de verificar a necessidade de volume de procedimentos a adotar.
Provas
Caderno Container