Foram encontradas 2.450 questões.

O Fe2+ do complexo O2Hb apresenta configuração eletrônica com 4 elétrons desemparelhados.
Provas
Estruturas rurais coadjuvantes no processo de produção, como barragens, galpões, rede elétrica, casa-sede e alojamento de trabalhadores rurais, são estruturas caras. Por isso, antes de implantálas, é importante um planejamento criterioso. Nesse contexto, julgue os seguintes itens.
Uma viga de concreto armado submetida a uma carga pontual ou distribuída fica sujeita a um esforço de flexão, que é decomposto em compressão — na parte superior da viga — e em tração — na parte inferior.
Provas
Julgue os itens que se seguem, relativos à reengenharia de sistemas e à segurança em informática.
Ao se depurar um programa no Windows XP, é necessário dispor de informações simbólicas sobre ele. O programador pode encontrar esse tipo de informação nos arquivos PDB gerados pelos ligadores. Esses arquivos contêm informações acerca de símbolos públicos e privados, linhas de código-fonte, tipos locais e globais.
Provas

Tendo por base a descrição da classe Mercadoria em linguagem Java listada acima, julgue os itens subseqüentes.
Ao declarar que a classe Mercadoria implementa ActionListener, indica-se que ela deve tratar eventos gerados pelo usuário por meio da interface gráfica.
Provas
Acerca de características de um sistema de radar usado para determinar a velocidade de veículos, e considerando que ele opere na freqüência de 9 GHz, julgue os itens a seguir.
Considere que, para o correto funcionamento do sistema, seja necessário o uso de uma única antena para transmitir e receber o sinal e cujo ganho seja, pelo menos, de 15 dBi e polarização linear. Nesse caso, uma estrutura capaz de atender a essas características é um array de elementos microship impressos sobre substrato dielétrico.
Provas

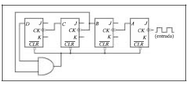
Com relação ao circuito seqüencial cujo diagrama está ilustrado acima, e considerando que os bits D, C, B e A formam um número variável binário em que D é o bit mais significativo, julgue os itens subseqüentes.
Trata-se de um contador assíncrono.
Provas
Com referência à Instrução Normativa n.º 1/1997, da Secretaria do Tesouro Nacional, que trata da celebração de convênios de natureza financeira, e à Lei de Responsabilidade Fiscal, julgue os itens a seguir.
Das três modalidades de transferências de recursos — contribuições, auxílios e subvenções sociais —, a única passível de beneficiar instituição privada com finalidade lucrativa é a contribuição, desde que destinada à realização de despesas de capital.
Provas
No que se refere à contabilidade pública no Brasil, julgue os itens a seguir.
Cabe à contabilidade evidenciar, perante a fazenda pública, a situação de todos quantos, de qualquer modo, arrecadem receitas, efetuem despesas, administrem ou guardem bens a ela pertencentes ou confiados.
Provas
De acordo com as legislações fiscal e societária, bem como as doutrinas tributária e contábil, julgue os itens que se seguem.
A provisão para créditos de liquidação duvidosa, constituída mediante a aplicação de um determinado percentual sobre o montante das duplicatas a receber, é inteiramente dedutível para fins de apuração do imposto de renda e da contribuição social, desde que seja apurada de acordo com critérios técnicos que reflitam a expectativa real de perdas com devedores duvidosos.
Provas
Em trocadores de calor, a relação que melhor descreve uma temperatura média para o processo como um todo é a chamada diferença de temperatura média logarítmica (DTML), que relaciona as temperaturas de entrada e saída dos dois fluidos A e B na forma
Considerando que, nesse contexto, existem duas limitações ao uso desse artifício, julgue os itens subseqüentes.
A primeira limitação é que só é possível utilizar a temperatura média para descrever uma configuração de trocador de calor em contracorrente e passagem única.
Provas
Caderno Container