Foram encontradas 441 questões.

Esquemático do Sistema de Gradeamento
Um motor elétrico é montado em uma articulação mecânica pertencente a uma grade instalada no interior de um canal que recebe o efluente de uma indústria. Parte da grade fica mergulhada no canal em contato com o efluente líquido e parte fica fora do canal, conforme a figura acima. O sistema de articulação mecânica faz um movimento de rotação ao longo da grade, de maneira que o motor mergulha no interior do canal com o efluente e sai deste a cada volta de trabalho.
De acordo com a Norma Brasileira, o grau de proteção para esse motor deve ser
Provas
Quando se utiliza um transformador de corrente (TC) para efetuar medições, jamais seu secundário deve permanecer em aberto. O que justifica essa afirmativa é que
Provas
Na partida de um motor de indução através de um compensador de partida (autotransformador), insere-se um reator entre os terminais do compensador. Qual é o objetivo da inserção do reator?
Provas

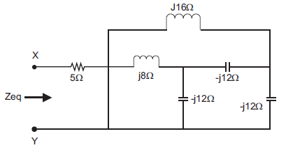
O circuito mostrado na figura acima é representado por suas respectivas resistências, reatâncias indutivas e capacitivas. Sabendo-se que !$ Z_Y=Z_{\Delta}/3 !$ e que a impedância equivalente vista pelo par de terminais X e Y é da forma !$ Z_{eq}=a+j\, b !$. A componente real (a) e a componente imaginária (b) da impedância equivalente vista pelo par de terminais X e Y, mostrados no circuito, correspondem a
| Componente real (a) |
Componente imaginária (b) |
Provas
De acordo com a Norma Brasileira, todo transformador de potência deve ter seus Ensaios de Rotina realizados pelo fabricante. Dentre os ensaios previstos na Norma, qual dos fornecidos NÃO é ensaio de rotina?
Provas
Tem-se um motor trifásico hexapolar, com rotação do campo girante igual a 1000 rpm, com o rotor girando a 980 rpm nominal, potência de 10 kW, frequência de 50 hertz. Sabendo-se que o escorregamento sofre uma variação diretamente proporcional com a variação da carga, quando esse motor gira a 990 rpm, seu escorregamento e a potência da carga são, respectivamente,
| Escorregamento |
Potência de carga |
Provas

O circuito acima representa uma associação de duas cargas trifásicas equilibradas, uma ligada em triângulo !$ (\Delta) !$ e a outra em estrela (Y). A impedância da carga ligada em triângulo vale !$ Z \Delta = 8+j6 !$ e a impedância da carga ligada em estrela é !$ ZY = 8 + j6 !$. A tensão de linha da alimentação vale 100 Vef e a sequência de fase é A-B-C. Para associação das cargas (Triângulo-Estrela) e para os valores de potência ativa total e potência reativa total, consumidas pela associação dessas cargas tem-se
Considere !$ \sqrt3=1,73 !$
Provas

A figura acima mostra um circuito resistivo no qual todos os elementos são ideais. O cálculo da corrente I, assinalada no circuito, será
Provas

Um técnico eletricista dispõe de 03 transformadores monofásicos com relação de espiras 10:1. Os transformadores são ligados, conforme a figura acima, e alimentados por uma rede trifásica com tensão eficaz de linha de 220 V. Nessa condição, o tipo de ligação usado no primário e no secundário e o valor da tensão eficaz de linha VL secundária serão
Provas

A figura acima representa um amplificador com ganho constante, usando-se como base um amplificador operacional. Tal amplificador se encontra devidamente polarizado, sendo alimentado por duas fontes simétricas de tensão contínuas representadas por + VCC e -VCC.
Sabendo-se que a entrada Vi recebe um sinal de 5 mV de amplitude, nessa situação, o valor da amplitude do sinal de saída será
Provas
Caderno Container