Foram encontradas 441 questões.
Um motor elétrico trifásico assíncrono, com rotor gaiola de esquilo, possui 4 (quatro) pares de polos, e funciona em rede de energia sob frequência de 60 Hz, acionando uma bomba centrífuga. A velocidade nominal desse motor, em funcionamento com a carga, corresponde a 90% da velocidade de sincronismo. Quando esse motor estiver funcionando em velocidade nominal, apresentará escorregamento percentual de valor igual a
Provas
Fora de foco
Eu estava sentada na sala de embarque do aeroporto, aguardando a chamada do voo, quando minha paz foi interrompida por um senhor aflito que dizia: “Estava aqui, tenho certeza, ainda tem que estar por aqui”. A mulher dele já não tinha esperança de encontrar o que o marido havia perdido, mas ele estava inconformado e não pretendia desistir: “Não posso viajar sem eles, não posso”. Eles quem? Documentos? Filhos? Era coisa séria, sem dúvida. O homem suava, passava a mão na nuca e fiscalizava todos os assentos, um por um, olhando bem de perto, franzindo os olhos para ajustar o foco. Até que um adolescente foi até o casal com um objeto juntado do chão e perguntou se era aquilo que procuravam. Nunca vi êxtase igual. “Graças a Deus! Meus óculos!!!”
Tempos atrás eu teria achado o episódio exagerado. O homem passava por cima das pernas das outras pessoas, levantava bolsas, pacotes, parecia um cão farejador. Se tivesse perdido os filhos, vá lá, mas tanto alvoroço e gritaria por um par de óculos?
Tempos atrás eu ainda enxergava feito uma águia, não tinha como entender.
Já havia escutado alguns comentários sobre o efeito que a entrada nos 40 anos exerce sobre os olhos do aniversariante. Diziam que era tudo muito rápido: num dia via-se o mundo em alta definição, no outro ele amanhecia embaçado. Eu não acreditava muito nisso, mas foi exatamente assim: num dia eu vi o mundo em alta definição, no outro eu trouxe para casa um produto com o prazo de validade vencido porque enxerguei 2008 onde estava escrito 2003.
Uma visitinha ao oftalmo e minha sorte estava lançada: adicionaria ao meu visual um belo par de lentes bifocais. Só para ler, tentou me consolar o médico. Pensei: tudo bem. Apenas para ler um livro, uma revista, um jornal. Uso doméstico, nem preciso carregar na bolsa. Até que me vi plantada numa loja de discos segurando um CD da Gretchen achando que estava escrito Gershwin. A verdade é que até quem não gosta de ler, lê a toda hora: bulas, rótulos, outdoors, placas de trânsito, etiquetas, cheques, mapas, regulamentos, cardápios, mensagens do celular. Óculos só para ler significa óculos no mínimo 16 horas por dia, isso no caso de você sonhar sem legendas.
Hoje de manhã precisei dos meus óculos e não os encontrei onde sempre costumam estar. Procurei aqui, ali, e nada. Lembrei-me do homem do aeroporto, que quase teve um piripaque diante da possibilidade de viajar sem seus óculos. Eu não estava embarcando para lugar algum, queria apenas procurar uma rua no guia telefônico, e foi então que percebi a falta que eles me fariam caso eu não os encontrasse. Mas os encontrei. Estão em cima do meu nariz neste exato momento, lembrando que na vida há o tempo de ser águia e o tempo de se conformar em ser um homem− ou mulher−morcego.
MEDEIROS, Martha. Revista O Globo, 3 jul. 2005. (Adaptado)
A cronista, a partir de sua experiência pessoal, reflete sobre os limites impostos pela idade, demonstrando essa reflexão no seguinte parágrafo:
Provas

Provas

Provas
Provas

A análise da figura acima permite concluir que
I - a seta 1 indica uma rosca externa;
II - a indicação dos furos está correta;
III - a seta 2 indica uma rosca interna;
IV - as hachuras do corte A-B estão corretas;
V - a representação da rosca na vista superior está errada.
São corretas APENAS as conclusões
Provas

Cálculo de RPM em conduta de redutores de velocidade - Telecurso 2000. (Adaptado)
O desenho esquemático acima representa uma transmissão por correias e polias. A polia motriz possui D1= 50mm e gira com 500 Rotações Por Minuto (RPM).
Sendo D2 = 30 mm e D3 = 100 mm os diâmetros das polias intermediárias, a polia de diâmetro D4 = 200 mm gira com
Provas

A planta de instalação elétrica mostrada acima, para o circuito de iluminação nº 1, não foi totalmente completada. Com base na informação de catálogo do fabricante do relé de impulso, foi fornecido o esquema para ligação do mesmo. De acordo com a simbologia apresentada, para atender à recomendação do fabricante do relé, de maneira que possam ser comandados os pontos de luz para acender e apagar, que condutores devem passar nos trechos A, B e C mostrados na planta?
Provas
Fluxograma de Processo (PFD – Process Flow Diagram) é a folha que deve apontar os itens centrais do processo, as linhas de fluxo e suas características físicas, não mostrando a instrumentação abrangida.Recebe, também, a denominação
Provas

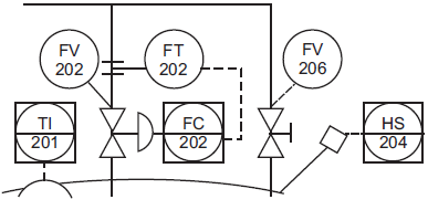
De acordo com a Norma ISA S 5.1, o Fluxograma P&ID, apresentado de forma resumida acima, é identificado como válvula
Provas
Caderno Container