Foram encontradas 997 questões.
877672
Ano: 2016
Disciplina: Engenharia Eletrônica
Banca: BIO-RIO
Orgão: Pref. Barra Mansa-RJ
Disciplina: Engenharia Eletrônica
Banca: BIO-RIO
Orgão: Pref. Barra Mansa-RJ
Provas:
Observe circuito da figura e analise as afirmativas:

I. Uma das finalidades do circuito é inverter a rotação de motores CC.
Il. A função dos diodos D é a proteção do motor.
lIl. Os transistores T1 e T3 não podem operar simultaneamente pois um é PNP e o outro NPN.
Assinale a opção VERDADEIRA:
Provas
Questão presente nas seguintes provas
873102
Ano: 2016
Disciplina: Direito Constitucional
Banca: BIO-RIO
Orgão: Pref. Barra Mansa-RJ
Disciplina: Direito Constitucional
Banca: BIO-RIO
Orgão: Pref. Barra Mansa-RJ
Provas:
Consoante a Lei Orgânica do Município de Barra Mansa, o instrumento orientador e básico dos processos de transformação do espaço e de sua estrutura territorial servindo de referência para todos os agentes públicos e privados que atuam na cidade denomina-se:
Provas
Questão presente nas seguintes provas
873092
Ano: 2016
Disciplina: Agronomia (Engenharia Agronômica)
Banca: BIO-RIO
Orgão: Pref. Barra Mansa-RJ
Disciplina: Agronomia (Engenharia Agronômica)
Banca: BIO-RIO
Orgão: Pref. Barra Mansa-RJ
Provas:
A política de uso das águas foi definida por um comitê, formado em 1993, para acabar com a briga sobre quem tinha direito sobre seu uso. Esse modelo, pioneiro no Brasil, inspirou quatro anos depois a Lei das Águas, dando a possibilidade de criar em nível nacional um sistema que harmonizasse os diversos usos dos mananciais - geração de energia, abastecimento da população e irrigação de cultivos. Porém, nos últimos anos, os baixos índices pluviométricos levantaram novamente a necessidade de discutir novas maneiras de se utilizar a água de forma sustentável. A agricultura é vista pela Organização das Nações Unidas (ONU) como alvo prioritário para as políticas de controle racional de água. De acordo com a Organização das Nações Unidas para a Alimentação e Agricultura (FAO, na sigla em inglês), cerca de 60% da água utilizada em projetos de irrigação é perdida por fenômenos como a evaporação. Quando se trabalha com agricultura irrigada é importante estabelecer o momento certo de iniciar as irrigações e quanto de água aplicar a uma cultura. Assim,
Provas
Questão presente nas seguintes provas
Conduzir o veículo em mau estado de conservação: (art.230- XVIII)
Provas
Questão presente nas seguintes provas
Indique o princípio fundamental da Contabilidade que reconhece o patrimônio como objeto da Contabilidade e afirma a autonomia patrimonial e a necessidade da diferenciação de um patrimônio particular no universo dos patrimônios existentes:
Provas
Questão presente nas seguintes provas
Que ordem, de acordo com a imagem a seguir, o guarda está passando para o condutor?

Provas
Questão presente nas seguintes provas
870927
Ano: 2016
Disciplina: Atualidades e Conhecimentos Gerais
Banca: BIO-RIO
Orgão: Pref. Barra Mansa-RJ
Disciplina: Atualidades e Conhecimentos Gerais
Banca: BIO-RIO
Orgão: Pref. Barra Mansa-RJ
Provas:
Um determinado mês do segundo semestre promete ser bastante intenso em todo o Brasil, devido aos Jogos Olímpicos no Rio de Janeiro e ao início da propaganda eleitoral gratuita através do rádio e televisão, em virtude das eleições municipais. Referimo-nos ao mês de:
Provas
Questão presente nas seguintes provas
Uma cisterna, em forma de cubo de aresta 10 m, está cheia até a metade. Quantos litros de água ela possui nesse instante?
Provas
Questão presente nas seguintes provas
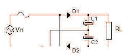
Calcule a tensão no resistor RL da figura. Considere os componentes ideais e regime permanente com \( Vin = 10 sen ω t \).

Provas
Questão presente nas seguintes provas
Ao realizar as operações abaixo, assinale a opção que mostra respectivamente a sequência CORRETA dos resultados:

Provas
Questão presente nas seguintes provas
Cadernos
Caderno Container