Foram encontradas 155 questões.
Leia o texto para responder a questão
Durante quase dois milhões de anos, os seres humanos evoluíram em sincronia com o meio ambiente. Mas há 250 anos chegou a Revolução Industrial e mudou tudo. Embora a inovação e a tecnologia trazidas pelo fenômeno tenham gerado muitos benefícios para a humanidade, nossos corpos tiveram de pagar um alto custo físico nesse processo. Os trabalhos que fazíamos, que antes envolviam tarefas manuais, realizadas ao ar livre, passaram a ser feitos a portas fechadas e a exigir que passássemos a maior parte do dia sentados e parados, fosse em uma fábrica, em um escritório ou dirigindo um veículo, por exemplo. Isso teve um impacto enorme sobre nossos corpos, e um dos primeiros afetados foram nossos pés.
Hoje, nossos pés são mais fracos, maiores e mais planos do que os de nossos antepassados. E isso é uma má notícia para a saúde do corpo inteiro. A perda de eficiência dos nossos pés se reflete em um fato surpreendente: quase 80% das pessoas que praticam corridas sofrem algum tipo de lesão todos os anos. Hannah Rice, da Universidade de Exeter, deu como exemplo o corredor “clássico”, que pratica o esporte três ou quatro vezes por semana e passa o restante do tempo sentado no escritório ou no sofá da casa, para explicar que o que realmente nos machuca não é correr, mas o que fazemos quando não estamos correndo.
Foi a partir dos anos 70, quando correr virou moda, que a dimensão real do estado de nossos pés começou a se revelar. A loucura por corridas acrescentou um novo problema: a moda de usar tênis no dia a dia. Talvez você ache que isso deveria ser uma boa notícia, já que muitos desses calçados são anunciados pelos supostos benefícios que oferecem aos pés. No entanto, desde que começamos nosso caso de amor com os tênis, a incidência de pés chatos tem aumentado em muitas partes do mundo, especialmente no Ocidente.
Uma das coisas mais simples (e baratas) que podemos fazer para melhorar a saúde dos nossos pés é caminhar. Idealmente, descalços. Vybarr Cregan-Reid, da Universidade de Kent, acredita que devemos “redescobrir nossos pés para aprender a usá-los novamente”. Pequenos hábitos como tirar os sapatos dentro de casa e tentar se mover mais podem ajudar.
(Como o sedentarismo mudou nossos pés, 21.05.2019.
www.bbc.com. Adaptado)
Provas
Leia o texto para responder a questão
A força do movimento feminista é uma característica da década atual. As passeatas e manifestações em defesa das mulheres e contra a violência sexual, o coro unido do “Não é não”, a dissonância política são demonstrações inequívocas disso. De certa maneira, ecoam movimentos contestadores que surgiram desde 2008, como os protestos do acampamento “Occupy Wall Street” nos Estados Unidos, as grandes manifestações na Índia contra o estupro e as passeatas gigantescas na Argentina em defesa do direito ao aborto.
No campo intelectual, pesquisadoras mundo afora se debruçaram na busca por respostas a questões complexas: que resultados as antigas feministas conseguiram e quão adequados eles foram para as necessidades das mulheres? Que mudanças foram trazidas globalmente para alterar relações injustas de gênero? O poder masculino na esfera pública ruiu na mesma velocidade que na esfera particular ou se transferiu de um polo para outro?
Não são poucos os estudos a apontar que os avanços na igualdade de gênero têm andado de mãos dadas com o crescimento da desigualdade socioeconômica pelo mundo.
A britânica Susan Watkins, editora da revista New Left Review, publicou um longo ensaio em que analisa as principais conquistas do feminismo global nos últimos 25 anos. Disse que, sem dúvida, o maior ganho foi um notável avanço de conhecimento, com a expansão da coleta de dados, estudos de campo e análise comparativa.
“A mudança social concreta atribuível à agenda feminista global, entretanto, tem sido menor e está em grande parte concentrada no topo da pirâmide social. O mais significativo tem sido o aumento de mulheres jovens no ensino superior, em parte devido à expansão dos sistemas universitários na China, no Oriente Médio e na América Latina. No plano político, a proporção total de mulheres nos parlamentos nacionais aumentou de 12% em 1997 para 24% em 2017, com alguns dos maiores aumentos na América Latina (53% na Bolívia); a eficiência com que essas gestões femininas representam os interesses das mulheres, uma vez eleitas, é outra questão”, analisou.
(Victor Calcagno, “Sobre o feminismo”. Época, 17.06.2019. Adaptado)
Provas
Durante quase dois milhões de anos, os seres humanos evoluíram em sincronia com o meio ambiente. Mas há 250 anos chegou a Revolução Industrial e mudou tudo. Embora a inovação e a tecnologia trazidas pelo fenômeno tenham gerado muitos benefícios para a humanidade, nossos corpos tiveram de pagar um alto custo físico nesse processo. Os trabalhos que fazíamos, que antes envolviam tarefas manuais, realizadas ao ar livre, passaram a ser feitos a portas fechadas e a exigir que passássemos a maior parte do dia sentados e parados, fosse em uma fábrica, em um escritório ou dirigindo um veículo, por exemplo. Isso teve um impacto enorme sobre nossos corpos, e um dos primeiros afetados foram nossos pés.
Hoje, nossos pés são mais fracos, maiores e mais planos do que os de nossos antepassados. E isso é uma má notícia para a saúde do corpo inteiro. A perda de eficiência dos nossos pés se reflete em um fato surpreendente: quase 80% das pessoas que praticam corridas sofrem algum tipo de lesão todos os anos. Hannah Rice, da Universidade de Exeter, deu como exemplo o corredor “clássico”, que pratica o esporte três ou quatro vezes por semana e passa o restante do tempo sentado no escritório ou no sofá da casa, para explicar que o que realmente nos machuca não é correr, mas o que fazemos quando não estamos correndo.
Foi a partir dos anos 70, quando correr virou moda, que a dimensão real do estado de nossos pés começou a se revelar. A loucura por corridas acrescentou um novo problema: a moda de usar tênis no dia a dia. Talvez você ache que isso deveria ser uma boa notícia, já que muitos desses calçados são anunciados pelos supostos benefícios que oferecem aos pés. No entanto, desde que começamos nosso caso de amor com os tênis, a incidência de pés chatos tem aumentado em muitas partes do mundo, especialmente no Ocidente.
Uma das coisas mais simples (e baratas) que podemos fazer para melhorar a saúde dos nossos pés é caminhar. Idealmente, descalços. Vybarr Cregan-Reid, da Universidade de Kent, acredita que devemos “redescobrir nossos pés para aprender a usá-los novamente”. Pequenos hábitos como tirar os sapatos dentro de casa e tentar se mover mais podem ajudar.
(Como o sedentarismo mudou nossos pés, 21.05.2019. www.bbc.com. Adaptado)
Provas
A força do movimento feminista é uma característica da década atual. As passeatas e manifestações em defesa das mulheres e contra a violência sexual, o coro unido do “Não é não”, a dissonância política são demonstrações inequívocas disso. De certa maneira, ecoam movimentos contestadores que surgiram desde 2008, como os protestos do acampamento “Occupy Wall Street” nos Estados Unidos, as grandes manifestações na Índia contra o estupro e as passeatas gigantescas na Argentina em defesa do direito ao aborto.
No campo intelectual, pesquisadoras mundo afora se debruçaram na busca por respostas a questões complexas: que resultados as antigas feministas conseguiram e quão adequados eles foram para as necessidades das mulheres? Que mudanças foram trazidas globalmente para alterar relações injustas de gênero? O poder masculino na esfera pública ruiu na mesma velocidade que na esfera particular ou se transferiu de um polo para outro?
Não são poucos os estudos a apontar que os avanços na igualdade de gênero têm andado de mãos dadas com o crescimento da desigualdade socioeconômica pelo mundo.
A britânica Susan Watkins, editora da revista New Left Review, publicou um longo ensaio em que analisa as principais conquistas do feminismo global nos últimos 25 anos. Disse que, sem dúvida, o maior ganho foi um notável avanço de conhecimento, com a expansão da coleta de dados, estudos de campo e análise comparativa.
“A mudança social concreta atribuível à agenda feminista global, entretanto, tem sido menor e está em grande parte concentrada no topo da pirâmide social. O mais significativo tem sido o aumento de mulheres jovens no ensino superior, em parte devido à expansão dos sistemas universitários na China, no Oriente Médio e na América Latina. No plano político, a proporção total de mulheres nos parlamentos nacionais aumentou de 12% em 1997 para 24% em 2017, com alguns dos maiores aumentos na América Latina (53% na Bolívia); a eficiência com que essas gestões femininas representam os interesses das mulheres, uma vez eleitas, é outra questão”, analisou.
(Victor Calcagno, “Sobre o feminismo”. Época, 17.06.2019. Adaptado)
Provas
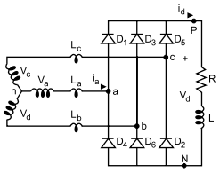
A figura a seguir mostra um Retificador Trifásico de Onda Completa Sem Controle (somente diodos), que alimenta o circuito de campo de um Gerador Síncrono com característica altamente indutiva. Como o Retificador é sem controle, os valores da Tensão Média (Vd ) e da Corrente Média (Id ) no circuito de campo, apresentam os seus valores máximos e constantes. Uma fonte de alimentação trifásica ligada em estrela (Y), com tensão máxima de fase equilibrada (VMAXan = VMAXbn = VMAXcn = VMAXfase), é conectada ao Retificador. Para a perfeita operação do sistema, é necessário ESPECIFICAR os diodos do retificador em função da tensão reversa máxima (VRMAX) a que eles ficam sujeitos, quando não estão conduzindo, e da corrente direta (IF) que circula por eles quando em condução.

Assim, pode-se afirmar corretamente que suas especificações mínimas serão, respectivamente:
Provas
Caderno Container